帶有快速體二極管的MOSFET器件通過LLC拓撲和FREDFET來提高效率
發布時間:2021-10-24 責任編輯:lina
【導讀】jianyuquanqiunengyuanweiji,dangqiandianzishebeidezhongdianshishixiangaogonglvyudinenghaodejiehe。yinci,xuduodianzigongsidouzaitigaoqizhongduochanpinguigezhongdexiaolvbiaozhun。raner,changguideyingkaiguanzhuanhuanqijihuwufamanzuzhexieyaoqiu。
jianyuquanqiunengyuanweiji,dangqiandianzishebeidezhongdianshishixiangaogonglvyudinenghaodejiehe。yinci,xuduodianzigongsidouzaitigaoqizhongduochanpinguigezhongdexiaolvbiaozhun。raner,changguideyingkaiguanzhuanhuanqijihuwufamanzuzhexieyaoqiu。所以,電源單元的開發人員已經轉向諸如LLC諧振轉換器之類的軟開關拓撲,以提高效率並實現更高的工作頻率。但是,他們必須考慮以下幾個方麵的問題。
諧振LLC半橋可確保整個開關設備在導通之前進行零電壓開關(ZVS)(或在關斷時為零電流)。yinci,keyitongguozaimeicizhuanhuanqijiandiejiakaiguandianliuhedianyalaibimiannengliangsunshi。liyongzhezhongdianlu,kaiguansunhaokeyizaigaopinxiayebaochijiaodishuiping,congerjianxiaodiankangzujiandechicun。dangran,jiaodidesunhaoyeyunxushiyongjiaoxiaodesanreqi。lingdianyatiaojianyuanyuMOSFET體二極管的固有導通。在極快的負載變化期間,MOSFET可以從零電壓轉換為零電流開關條件。在這種情況下,高dv/dt值可能會將固有雙極型晶體管切換到導通狀態,這通常會導致MOSFET損壞。
LLC拓撲
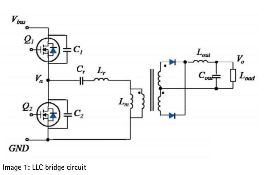
LLC拓撲中半橋的基本電路包括兩個機械開關:高邊機械開關(Q1)和低邊機械開關(Q2)。它們由電感器Lr和電容器Cr連接到變壓器(參見圖1)。機械開關由它們的固有二極管(D1和D2)和固有電容輸出電阻(C1和C2)橋接。為了闡明它們在一般工作原理中的作用,它們在圖1中分別被標示。此外,還可以看到另一個電感Lm。這是變壓器的漏感,它在LLC拓撲中起著重要的作用。
圖1:電感器Lr和電容器Cr連接到變壓器
假設變壓器的初級電感值Lm太高以至於對諧振網絡沒有影響,則上圖所示的轉換器充當串聯諧振轉換器。
在諧振單元中,如果輸入信號的頻率(fi)等於諧振頻率(fr),即LC阻抗等於零,則可實現最大放大率。轉換器的工作頻率範圍受兩個特定諧振頻率值所限製。這些數值取決於電路。LLC控製器將MOSFET的開關頻率(fs)設置為等於開關的諧振頻率,以確保諧振的寶貴優勢。
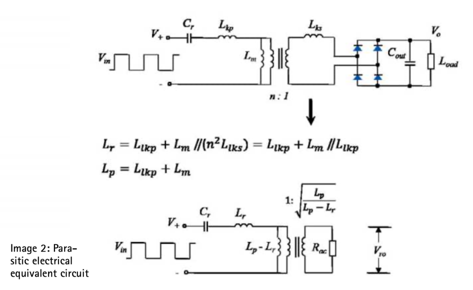
圖2:寄生電氣等效電路
在負載變化期間,諧振頻率從最小值(fr2)變為最大值(fr1):
當fs≥fr1時,LLC用作RC串聯諧振電路。該工作原理適用於高負載,即Lm麵對低阻抗的情況。相反地,對於fs≤fr2,LLC則充當RC並聯諧振電路,這是低負載的情況。不過這種情況通常不會發生,因為係統隨後將在ZCS(零電流開關)模式下運行。如果頻率fi處於fr2 <fi <fr1的範圍內,那麼這兩種工作原理將結合起來。
圖3
如果以圖形形式顯示諧振單元的放大率,則會得到如圖3所示的曲線,這表明了曲線形狀如何根據Q值而改變。
曲線
LLC諧振轉換器的工作範圍受到最大放大率的限製。特別要注意的是,在fr1或fr2處無法達到最大電壓放大率。實際上,實現最大放大率的頻率在fr2和fr1之間。隨著Q值的降低(即隨著負載的降低),最大放大頻率移向fr2,並且獲得了更高的最大放大率。隨著Q值的提高(即負載的增加),最大放大率的頻率移向fr1,而最大放大率減小了。因此,對於諧振網絡,滿載是最不利的情況。
關於MOSFET,如上所述,帶有LLC的諧振轉換器在軟開關MOSFET方麵具有關鍵優勢,而正弦輸出電流可降低整個係統的發射幹擾(EMC)。
圖4說明了LLC轉換器的典型波形,它還清楚地表明,漏極電流Ids1在變為正值之前先振蕩為負值。負電流值表示體二極管正在導電。在此階段,MOSFET的漏極-源極電壓非常低,因為它取決於二極管上的壓降電壓。如果在體二極管的電導率實際上為零的同時進行MOSFET開關,則會發生向ZVS的過渡,從而降低了開關損耗。結果可以減小散熱器的尺寸,從而提高係統的效率。
圖4:LLC轉換器的典型波形
如果MOSFET的開關頻率fs小於fr1,則轉換器上的電流呈現不同的形狀。 如果這情況持續足夠長的時間,以至在輸出二極管上產生間歇性電流,則初級側的電流會偏離正弦波形。
此外,如果MOSFET的固有輸出電容C1和C2具有可與Cr相比的數值,則諧振頻率fr也取決於組件。為避免這種情況並使fr值與所使用的組件無關,關鍵是在設計階段選擇大於C1和C2的Cr數值。
圖5:fs_xiaoyu_fr1情況下LLC轉換器的典型波形
續流和ZVS條件
針對與諧振頻率有關的方程式的分析表明,諧振網絡的輸入阻抗在最大放大率的頻率以上為電感性,而諧振網絡的輸入電流(Ip)則保持低於施加到諧振網絡的電壓(Vd)。在低於最大放大率頻率時,諧振網絡的輸入阻抗相比之下是電容性的,並且Ip大於Vd。
在電容性範圍內工作期間,在開關操作過程中,體二極管在電壓方麵會發生極性反轉,但體二極管在這個時候仍在承載電流,這會使MOSFET承受很高的故障風險。如綠色圓圈(圖6)中顯示的那樣,內部二極管的反向恢複時間(trr)是非常重要的。
圖6:具有電容性或電感性輸入阻抗的電流的時間響應
圖7:從低負載到高負載的過渡
根據這一點,在從低負載過渡到高負載的期間(見圖8),控製電路(LLC控製器)應能夠使MOSFET切換至ZVS模式並達到正的關斷電流範圍。如果這不能保證,那麼MOSFET可能會在危險範圍內工作。
圖8:零電壓_ZV_和零電流_ZC_開關區域的增益
在恒定的低負載下,係統在較低的諧振頻率fr2附近運行。在這種情況下,可以保證ZVS模式和正的關斷漏極電流。在負載變化後(從低到高),開關頻率應遵循新的諧振頻率。如果不是這種情況(如圖8中的綠線所示),則係統狀態處於範圍3(ZCS範圍)。 這意味著ZVS模式和正的關斷漏極電流不可用。如果MOSFET關斷,電流也將流過其體二極管。如果在放大圖中分析從低負載到高負載的過渡,可以建立以下條件:
黑色虛線繪製了過渡過程中的理想路線,而綠線則對應於實際路線。可以看到,在從低負載到高負載的過渡期間,係統在ZCS範圍內運行。這樣,內部二極管的性能就變得非常重要。因此,在體二極管中恢複時間非常短的斷路器,便成為了新型LLC概念的發展趨勢。
評測和參考電路板
為了開發開關電源,我們建議您使用評測板或參考板來收集經驗數值,它們還可用於測試帶有快速體二極管的MOSFET並評估其優勢。這些經驗也可用於儒卓力的不同LLC拓撲型款。
STEVAL-ISA132V1評測板可在限定的時間內提供170 W的連續輸出(VIN = 190 V至264 V AC,VOUT = 24 V),峰值輸出超過300W。它的架構基於不帶PFC的單級LLC諧振變換器和L6699諧振控製器。它具有一些創新功能,例如自調整、可調整的空載時間、對工作模式的抗電容保護,以及可防止啟動過程中發生硬開關的專有安全啟動。
EVLSTNRG-170W評測板提供了通過使用PFC級以及基於STNRG388A數字控製器的LLC轉換器的數字控製獲得經驗的可能性。在這種情況下,上遊PFC級將在“增強的恒定導通時間”模式(DCM-CCM邊界)下運行,而LLC轉換器則在“時移控製 ”模式(TSC)下運行。該評測板的設計可提供高達170 W的連續輸出,應用支持多種輸出電壓:主要應用為24 V(6 A),例如12 V (2 A)用於控製器,5 V (2 A)則用於待機操作(始終開啟)。
EVLCMB1-90WADP是另一個較小的輸出評測板,這是專門針對筆記本電腦AC/DC適配器的典型規格而設計的19 V/90 W轉換器。當然,隻要在目標設計中對輸出電壓進行相應的調整,該評測板也可以用作進一步應用的基礎。它具有較寬的電源輸入範圍(頻率為45至65 Hz時為90 V至264 V AC),低負載時的功耗非常低。
同樣,其架構基於兩階段方法:過渡模式PFC預調節器和下遊LLC半橋諧振轉換器。 PFC級和LLC轉換器的兩個控製器都集成在STCMB1 Combo IC中。
(來源:儒卓力)
免責聲明:本文為轉載文章,轉載此文目的在於傳遞更多信息,版權歸原作者所有。本文所用視頻、圖片、文字如涉及作品版權問題,請電話或者郵箱聯係小編進行侵刪。
推薦閱讀:
- 噪聲中提取真值!瑞盟科技推出MSA2240電流檢測芯片賦能多元高端測量場景
- 10MHz高頻運行!氮矽科技發布集成驅動GaN芯片,助力電源能效再攀新高
- 失真度僅0.002%!力芯微推出超低內阻、超低失真4PST模擬開關
- 一“芯”雙電!聖邦微電子發布雙輸出電源芯片,簡化AFE與音頻設計
- 一機適配萬端:金升陽推出1200W可編程電源,賦能高端裝備製造
- 築基AI4S:摩爾線程全功能GPU加速中國生命科學自主生態
- 一秒檢測,成本降至萬分之一,光引科技把幾十萬的台式光譜儀“搬”到了手腕上
- AI服務器電源機櫃Power Rack HVDC MW級測試方案
- 突破工藝邊界,奎芯科技LPDDR5X IP矽驗證通過,速率達9600Mbps
- 通過直接、準確、自動測量超低範圍的氯殘留來推動反滲透膜保護
- 車規與基於V2X的車輛協同主動避撞技術展望
- 數字隔離助力新能源汽車安全隔離的新挑戰
- 汽車模塊拋負載的解決方案
- 車用連接器的安全創新應用
- Melexis Actuators Business Unit
- Position / Current Sensors - Triaxis Hall





