【幹貨分析】小間距QFN封裝PCB設計的串擾抑製
發布時間:2020-03-26 責任編輯:lina
【導讀】隨著電路設計高速高密的發展趨勢,QFN封裝已經有0.5mm pitch甚至更小pitch的應用。由小間距QFN封裝的器件引入的PCB走線扇出區域的串擾問題也隨著傳輸速率的升高而越來越突出。
隨著電路設計高速高密的發展趨勢,QFN封裝已經有0.5mm pitch甚至更小pitch的應用。由小間距QFN封裝的器件引入的PCB走線扇出區域的串擾問題也隨著傳輸速率的升高而越來越突出。對於8Gbps及以上的高速應用更應該注意避免此類問題,為高速數字傳輸鏈路提供更多裕量。本文針對PCB設計中由小間距QFN封裝引入串擾的抑製方法進行了仿真分析,為此類設計提供參考。
問題分析
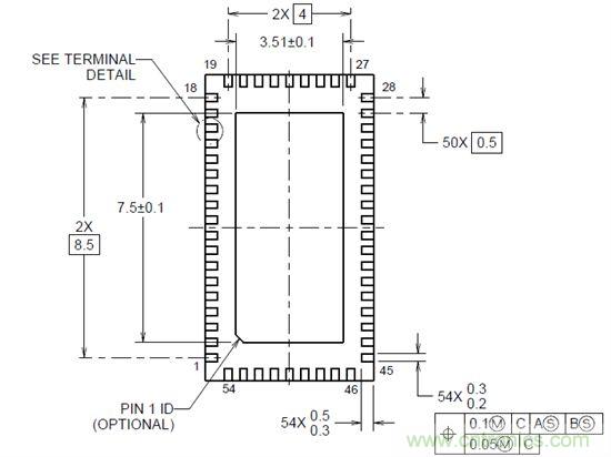
在PCB設計中,QFN封裝的器件通常使用微帶線從TOP或者BOTTOM層扇出。對於小間距的QFN封裝,需要在扇出區域注意微帶線之間的距離以及並行走線的長度。圖一是一個0.5 pitch QFN封裝的尺寸標注圖。

圖一:0.5 pitch QFN封裝尺寸標注圖
圖二是一個使用0.5mm pitch QFN封裝的典型的1.6mm 板厚的6層板PCB設計:

圖二:QFN封裝PCB設計TOP層走線
差分線走線線寬/線距為:8/10, 走線距離參考層7mil,板材為FR4.

圖三:PCB差分走線間距與疊層
從上述設計我們可以看出,在扇出區域差分對間間距和差分對內的線間距相當,會使差分 對間的串擾增大。
圖四是上述設計的差分模式的近端串擾和遠端串擾的仿真結果,圖中D1~D6是差分端口。

圖四:差分模式端口定義及串擾仿真結果
從仿真結果可以看出,即使在並行走線較短的情況下,差分端口D1對D2的近端串擾在5GHz超過了-40dB,在10GHz達到了-32dB,遠端串擾在15GHz達到了-40dB。對於10Gbps及以上的應用而言,需要對此處的串擾進行優化,將串擾控製到-40dB以下。
優化方案分析
對於PCB設計來說,比較直接的優化方法是采用緊耦合的差分走線,增加差分對間的走線間距,並減小差分對之間的並行走線距離。
圖五是針對上述設計使用緊耦合差分線進行串擾優化的一個實例:

圖五 緊耦合差分布線圖
圖六是上述設計的差分模式的近端串擾和遠端串擾的仿真結果:

圖六 緊耦合差分端口定義及串擾仿真結果
從優化後的仿真結果可以看出,使用緊耦合並增加差分對之間的間距可以使差分對間的近端串擾在0~20G的頻率範圍內減小4.8~6.95dB。遠端串擾在5G~20G的頻率範圍內減小約1.7~5.9dB。

表一 近端串擾優化統計

表二 遠端串擾優化統計
除chu了le在zai布bu線xian時shi拉la開kai差cha分fen對dui之zhi間jian的de間jian距ju並bing減jian小xiao並bing行xing距ju離li之zhi外wai,我wo們men還hai可ke以yi調tiao整zheng差cha分fen線xian走zou線xian層ceng和he參can考kao平ping麵mian的de距ju離li來lai抑yi製zhi串chuan擾rao。距ju離li參can考kao層ceng越yue近jin,越yue有you利li於yu抑yi製zhi串chuan擾rao。在zai采cai用yong緊jin耦ou合he走zou線xian方fang式shi的de基ji礎chu上shang,我wo們men將jiangTOP層與其參考層之間的距離由7mil調整到4mil。

圖七 疊層調整示意圖
根據上述優化進行仿真,仿真結果如下圖:

圖八 疊層調整後串擾仿真結果
值(zhi)得(de)注(zhu)意(yi)的(de)是(shi),當(dang)我(wo)們(men)調(tiao)整(zheng)了(le)走(zou)線(xian)與(yu)參(can)考(kao)平(ping)麵(mian)的(de)距(ju)離(li)之(zhi)後(hou),差(cha)分(fen)線(xian)的(de)阻(zu)抗(kang)也(ye)隨(sui)之(zhi)發(fa)生(sheng)變(bian)化(hua),需(xu)要(yao)調(tiao)整(zheng)差(cha)分(fen)走(zou)線(xian)滿(man)足(zu)目(mu)標(biao)阻(zu)抗(kang)的(de)要(yao)求(qiu)。芯(xin)片(pian)的(de)SMT焊盤距離參考平麵距離變小之後阻抗也會變低,需要在SMT焊盤的參考平麵上進行挖空處理來優化SMT焊盤的阻抗。具體挖空的尺寸需要根據疊層情況進行仿真來確定。

圖九 疊層調整後QFN焊盤阻抗優化示意圖
從仿真結果可以看出,調整走線與參考平麵的距離後,使用緊耦合並增加差分對之間的間距可以使差分對間的近端串擾在0~20G的頻率範圍內減小8.8~12.3dB。遠端串擾在0~20G範圍內減小了2.8~9.3dB。

表三 近端串擾優化統計

表四 遠端串擾優化統計
結論
通過仿真優化我們可以將由小間距QFN封裝在PCB上引起的近端差分串擾減小8~12dB,遠端串擾減小3~9dB,為高速數據傳輸通道提供更多裕量。本文涉及的串擾抑製方法可以在製定PCB布線規則和疊層時綜合考慮,在PCB設計初期避免由小間距QFN封裝帶來的串擾風險。
(來源:誌博PCB,作者: 楊多多)
免責聲明:本文為轉載文章,轉載此文目的在於傳遞更多信息,版權歸原作者所有。本文所用視頻、圖片、文字如涉及作品版權問題,請聯係小編進行處理。
特別推薦
- 噪聲中提取真值!瑞盟科技推出MSA2240電流檢測芯片賦能多元高端測量場景
- 10MHz高頻運行!氮矽科技發布集成驅動GaN芯片,助力電源能效再攀新高
- 失真度僅0.002%!力芯微推出超低內阻、超低失真4PST模擬開關
- 一“芯”雙電!聖邦微電子發布雙輸出電源芯片,簡化AFE與音頻設計
- 一機適配萬端:金升陽推出1200W可編程電源,賦能高端裝備製造
技術文章更多>>
- 算力爆發遇上電源革新,大聯大世平集團攜手晶豐明源線上研討會解鎖應用落地
- 築基AI4S:摩爾線程全功能GPU加速中國生命科學自主生態
- 一秒檢測,成本降至萬分之一,光引科技把幾十萬的台式光譜儀“搬”到了手腕上
- AI服務器電源機櫃Power Rack HVDC MW級測試方案
- 突破工藝邊界,奎芯科技LPDDR5X IP矽驗證通過,速率達9600Mbps
技術白皮書下載更多>>
- 車規與基於V2X的車輛協同主動避撞技術展望
- 數字隔離助力新能源汽車安全隔離的新挑戰
- 汽車模塊拋負載的解決方案
- 車用連接器的安全創新應用
- Melexis Actuators Business Unit
- Position / Current Sensors - Triaxis Hall
熱門搜索





