探討總線隔離後的接地方法
發布時間:2019-08-01 責任編輯:xueqi
【導讀】CAN與485都dou是shi工gong業ye通tong信xin中zhong常chang用yong的de現xian場chang總zong線xian,各ge位wei工gong程cheng師shi對dui於yu總zong線xian隔ge離li方fang案an想xiang必bi都dou極ji為wei熟shu悉xi,但dan可ke能neng會hui遇yu到dao總zong線xian采cai用yong了le隔ge離li方fang案an依yi舊jiu通tong訊xun異yi常chang的de情qing況kuang,本ben文wen將jiang帶dai您nin一yi起qi探tan討tao總zong線xian隔ge離li後hou該gai如ru何he接jie地di?
前言
為保證總線網絡的通訊穩定性,通訊接口通常會做隔離,隔離的主要目的:
安規考慮:保護設備及人身安全,隔開潛在的高壓危險;
提高通信的穩定性:消除地電勢差的影響;
提高器件的可靠性:消除地環路影響;
低耦合:提高係統間的兼容性。
目前實現總線隔離有兩種方案:采用分立元器件搭建或采用集成模塊。
隔離接地的原理
總線增加隔離固然可以保證總線穩定可靠地通信,但是帶隔離通信接口的設備,在複雜的環境或安裝狀態下,接口會表現出完全不同的ESD特性,了解ESD對接口的影響機理,才能有針對性地增加保護器件,提升隔離接口的ESD能力。下麵以帶有隔離CAN或RS-485通信接口為例,對常見的設備狀態下,ESD的作用機理進行分析,並提出相應的改善措施。
1、總線側懸空
此狀態下,設備控製側有接入保護地(PE),總線側參考地懸空,與PE無任何連接,如下圖1。

接下來進行分析:
假設控製側均做了足夠的保護措施,當控製側接口受到靜電放電時,能量通過控製側保護器泄放至PE,對隔離通信接口基本無影響,如下麵圖2。
當總線接口受到靜電放電時,由於總線側懸空,能量隻能通過隔離柵的等效電容Ciso進行泄放,由於Ciso非常小,僅有幾皮法至十幾皮法,Ciso被迅速充電,兩端電壓Viso會hui非fei常chang高gao,幾ji乎hu等deng同tong於yu放fang電dian電dian壓ya,電dian壓ya全quan部bu施shi加jia在zai隔ge離li接jie口kou模mo塊kuai的de隔ge離li柵zha,若ruo電dian壓ya超chao出chu了le隔ge離li柵zha的de電dian壓ya承cheng受shou範fan圍wei,則ze會hui導dao致zhi內nei部bu隔ge離li柵zha損sun壞huai,如ru下xia麵mian圖tu3。
注意:對於一般的隔離接口模塊,隔離柵可承受的靜電放電電壓隻有4kV,對於更高等級的6kV或8kV的靜電來說是非常脆弱的,極易出現損壞情況。


2、設備控製測懸空
此狀態下,設備控製側參考地懸空,與PE無任何連接,總線側有接入保護地(PE),如下圖4。

接下來進行分析:
當總線側接口受到靜電放電時,靜電能量通過隔離接口模塊內部總線側器件泄放至PE,但若ESD能量超出了接口模塊內部總線側器件的ESD抗擾能力,總線接口則可能損壞,如下麵圖5。
當控製側接口受到靜電放電時,由於控製側懸空,能量隻能通過隔離柵的等效電容Ciso進行泄放,由於Ciso非常小,兩端電壓Viso會非常高,電壓全部施加在隔離接口模塊的隔離柵,若電壓超出了隔離柵的電壓承受範圍,則會導致內部隔離柵損壞,如下麵圖6。


3、改善措施
針對上述兩種情況,隔離接口模塊需要得到有效的靜電保護,建議進行隔離接口設計時,增加Cp、Rp以及TVS,提高隔離接口的ESD抗擾能力。
電容Cp的作用:減輕隔離柵的壓力,為靜電能量提供一個低阻抗的路徑,靜電能量大部分通過此電容泄放,為達到良好效果,Cp容值應遠大於Ciso,建議取100pF~1000pF之間。
TVS管的作用:對於總線側的靜電,靜電能量會通過防護器件泄放,注意:其導通電壓必須小於隔離接口可承受的最大電壓,同時大於信號電壓;在通信速率高、或節點數較多時,也需要注意盡量選取等效電容小的器件,以免影響總線正常通信。

注意:若產品無安規要求,可與Cp並聯一個大阻值泄放電阻,如1M,以防靜電積累;若有安規要求,一般需要去除泄放電阻,同時選擇安規電容。
完善的總線接口保護電路
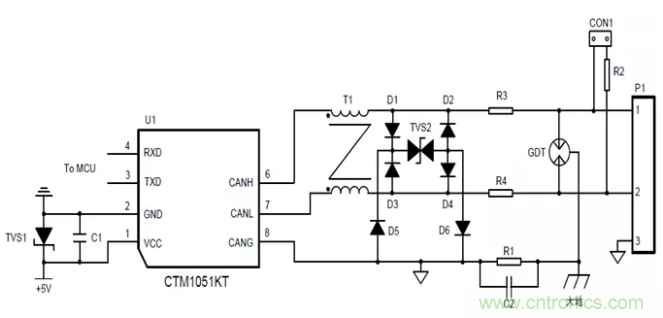
前麵隻是對ESD的作用機理進行了分析,但隨著工業產品對通信接口的EMC等級要求越來越高。許多應用要求滿足IEC61000-4-2靜電放電4級,IEC61000-4-5浪湧抗擾4級要求。一般的收發器ESD、浪湧的防護等級均比較低,如CTM1051M隔離CAN收發器的隔離耐壓為2500VDC,裸機情況下,ESD、浪湧等級均較低。所以有必要增加外圍電路,提高通信端口的EMC等級。

以CAN總線為例,上圖為完善的外圍推薦電路。其中GDT置於最前端,提供一級防護,當雷擊、浪湧產生時,GDT瞬間達到低阻狀態,為瞬時大電流提供泄放通道,將CAN_H、CAN_L間電壓鉗製在二十幾伏範圍內。實際取值可根據防護等級及器件成本綜合考慮進行調整,R3 與 R4 建議選用 PTC,D1~D6 建議選用快恢複二極管,參數表如下。

表1 推薦參數表
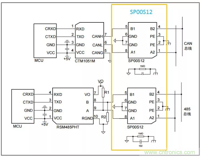
另一種方案則是采用ZLG的SP00S12浪湧保護模塊,可用於各種信號傳輸係統,抑製雷擊、浪湧、過壓等有害信號,對設備信號端口進行保護。搭配ZLG的全隔離CTM或SC係列的隔離CAN收發器,如下圖。可極大程度的提升產品的集成度,於此同時極大程度的縮小開發周期。

阻容回路接地的必要性
前qian麵mian講jiang述shu了le總zong線xian隔ge離li之zhi後hou接jie地di的de原yuan理li以yi及ji推tui薦jian電dian路lu,想xiang必bi大da家jia已yi經jing很hen清qing楚chu了le,在zai現xian場chang,很hen多duo客ke戶hu會hui提ti到dao總zong線xian隔ge離li之zhi後hou為wei什shen麼me需xu要yao阻zu容rong接jie地di呢ne?這zhe裏li給gei大da家jia簡jian單dan描miao述shu一yi下xia:
1、電容:從EMS(電磁抗擾度)角度說,這個電容是在假設PE良好連接大地的前提下,降低可能存在的影響(以大地電平為參考的高頻幹擾信號對電路的影響),是為了抑製電路和幹擾源之間瞬態共模壓差的。其實GND直連PE是最好的,但是,直連可能不可操作或者不安全。從EMI(電磁幹擾)角度說,如果有與PE相連的金屬外殼,有這個高頻路徑,也能夠避免高頻信號輻射出來。
2、1M電阻:這是對付ESD(靜電放電)測試用的。因為這種用電容連接PE和GND的係統(浮地係統),在做ESD測試的時候,打入被測電路的電荷無處釋放,會逐漸累積,抬升或降低GND相對PE的電平,累積到一定程度,超過了PE和電路之間的絕緣最薄弱處所能耐受的電壓範圍,GND和PE之間就會放電,幾個納秒間,在PCB上的產生數十到數百安培的電流,這足以讓任何電路因EMP(電磁脈衝)宕機,或者是讓PE與電路之間絕緣最薄弱處所在信號連接的器件損壞。但是有時候又不能直接連接PE和GND,那麼就用一個1~2M的電阻去慢慢釋放這個電荷,以消除二者間的壓差。當然1~2M這個數值是根據ESD測試標準選擇的,因為IEC61000裏麵規定最高的重複次數隻有10次/秒,如果你搞個1000次/秒的非標ESD放電,那麼1~2M的電阻我覺得是不能釋放掉累積的電荷的。
文章轉載自公眾號:ZLG立功科技一致遠電子, 作者:AE
特別推薦
- 噪聲中提取真值!瑞盟科技推出MSA2240電流檢測芯片賦能多元高端測量場景
- 10MHz高頻運行!氮矽科技發布集成驅動GaN芯片,助力電源能效再攀新高
- 失真度僅0.002%!力芯微推出超低內阻、超低失真4PST模擬開關
- 一“芯”雙電!聖邦微電子發布雙輸出電源芯片,簡化AFE與音頻設計
- 一機適配萬端:金升陽推出1200W可編程電源,賦能高端裝備製造
技術文章更多>>
- 一秒檢測,成本降至萬分之一,光引科技把幾十萬的台式光譜儀“搬”到了手腕上
- AI服務器電源機櫃Power Rack HVDC MW級測試方案
- 突破工藝邊界,奎芯科技LPDDR5X IP矽驗證通過,速率達9600Mbps
- 通過直接、準確、自動測量超低範圍的氯殘留來推動反滲透膜保護
- 從技術研發到規模量產:恩智浦第三代成像雷達平台,賦能下一代自動駕駛!
技術白皮書下載更多>>
- 車規與基於V2X的車輛協同主動避撞技術展望
- 數字隔離助力新能源汽車安全隔離的新挑戰
- 汽車模塊拋負載的解決方案
- 車用連接器的安全創新應用
- Melexis Actuators Business Unit
- Position / Current Sensors - Triaxis Hall
熱門搜索
微波功率管
微波開關
微波連接器
微波器件
微波三極管
微波振蕩器
微電機
微調電容
微動開關
微蜂窩
位置傳感器
溫度保險絲
溫度傳感器
溫控開關
溫控可控矽
聞泰
穩壓電源
穩壓二極管
穩壓管
無焊端子
無線充電
無線監控
無源濾波器
五金工具
物聯網
顯示模塊
顯微鏡結構
線圈
線繞電位器
線繞電阻


