解讀R2R 和電阻串 DAC 架構之間的差異
發布時間:2018-11-30 責任編輯:lina
【導讀】由於大多數工程師都在工程類院校專門學習過有關模數轉換器(ADC)、運算放大器(Op Amp)、數模轉換器(DAC)以及其他電子架構的課程,因此您可能會認為他們已理解了這些電路的所有基本功能。
數模轉換器均采用兩種基本架構,對其特性的了解將有助於為應用選擇正確的轉換器架構。
由於大多數工程師都在工程類院校專門學習過有關模數轉換器(ADC)、運算放大器(Op Amp)、數模轉換器(DAC)以及其他電子架構的課程,因此您可能會認為他們已理解了這些電路的所有基本功能。大多數人都對 ADC 的工作原理有了一個很好的了解,但是對 DAC 的工作原理卻不太熟悉,它究竟有何功能呢?
同樣,對於大多數人來說,DAC 隻不過是一個輸入端為數字信號數據而輸出端為模擬信號數據的“黑匣子”。隻有為數不多的人知道其在架構方麵的區別,以及與 R2R 梯形架構相比一個電阻串架構所具有的優點和缺點。了解他們之間的不同之處並了解這些通用 DAC 的工作原理可以使設計人員為其應用選擇最佳的 DAC。本文將對 DAC 的基本工作原理進行闡述,並對您一直想知道的一些問題做出解答。
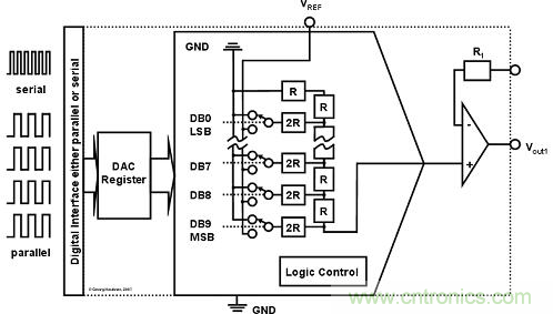
盡管 DAC 通常被視為一個輸入端為數字信號數據而輸出端為模擬信號數據的“黑匣子”,但卻內藏玄機。數字數據可以是串行數據格式也可以是並行數據格式。像 SPI 或 I2C 之類串行傳輸數字數據流的接口,就像是一條條進入“黑匣子”dexianglianhuoliantiao,erbingxingjiekouhuizaiyigeshizhongzhouqineijiangsuoyoubiyaodebitejiazaidaogaiqijianzhong。yugaiqijiandelingyice,monishuchuxinhaokeyishiyigedianyahuoyigedianliu,rutu1 所示。

圖1 數模轉換器的主要功能
不同的輸入接口所提供的數據格式也有所不同,所以在速度、引腳數量、芯片麵積、器件尺寸以及靈活性上都有很大的不同。但是,串行和並行接口均能將數字數據輸入到該器件中。
一旦數字數據被輸入到黑匣子(第一個功能塊),那麼輸入寄存器就會像串行-並行轉換那樣工作,或者在多通道器件中對該數據進行存儲,直到該數據被傳輸至單個 DAC 寄存器中。在輸入寄存器和 DAC 架構之間起連接作用的 DAC 寄存器將起到一個存儲器的作用,並對數字數據加以存儲。
在 DAC 設計之初,該 DAC 寄存器為一個保存數字數據的外部存儲器。如果沒有 該 DAC 寄存器,那麼由於模擬電路的實時饋入,DAC 的輸出將隨著外部輸入總線的任何變化而立即發生變化。在用戶決定用新代碼更新 DAC 寄存器之前,該數據會一直駐留在 DAC 寄存器之中。DAC 寄存器主要起到了一個觸發電路的作用。

圖2:基本功能模塊架構
當今的高精度 DAC 主要采用了兩種架構:R2R 架構和電阻串架構。這兩種架構均為采用了一些數字控製邏輯的模擬電路。通過一款基本的 R2R 架構,就有可能生成一個電流輸出或電壓輸出;而電阻串架構隻能利用一個輸出緩衝器生成一個電壓輸出,如圖2 中的輸出電路結構圖所示。在電流輸出的情況下,沒有實施輸出緩衝器。
電阻串架構
顧名思義,電阻串架構就是一個以串聯形式放置的一串電阻,以構建一個電阻串。從理論上來說,您可能會需要 256 個電阻才能構建一款 8 位 DAC(28 = 256)(請參見圖3 ),包括產生一個電壓輸出的內部輸出緩衝器,該電壓輸出同數字輸入代碼等效。

圖3 主要的電壓輸出電阻串架構
提高精度也就是說要增加所需電阻的數量以構建一個電阻串 DAC。對於一款 16 位DAC 而言,可能需要65,536 個電阻才能生成所有可能的電壓/數字階躍(step)。但是,在現實真正的設計中,在一顆芯片上實施近 66,000 個電阻是不切實際的,對於當今的小封裝,低功耗和低成本要求而言尤為如此。
因yin此ci,設she計ji人ren員yuan推tui出chu了le其qi他ta更geng小xiao的de電dian路lu設she計ji方fang案an,如ru可ke降jiang低di電dian阻zu串chuan上shang所suo需xu電dian阻zu數shu量liang以yi及ji接jie觸chu點dian的de內nei插cha式shi放fang大da器qi,從cong而er實shi現xian了le功gong耗hao更geng低di且qie更geng節jie省sheng空kong間jian的de設she計ji。該gai內nei插cha式shi放fang大da器qi用yong來lai代dai替ti輸shu出chu緩huan衝chong器qi。當dang今jin的de一yi些xie電dian阻zu串chuan架jia構gou擁yong有you一yi個ge可ke用yong作zuo放fang大da器qi外wai部bu反fan饋kui環huan路lu的de引yin腳jiao。
由於特定的電阻串架構,電阻串 DAC 具(ju)有(you)低(di)成(cheng)本(ben)和(he)保(bao)證(zheng)單(dan)調(tiao)性(xing)能(neng)的(de)優(you)點(dian)。值(zhi)得(de)一(yi)提(ti)的(de)另(ling)外(wai)一(yi)個(ge)很(hen)重(zhong)要(yao)的(de)優(you)點(dian)是(shi)可(ke)以(yi)實(shi)現(xian)小(xiao)型(xing)封(feng)裝(zhuang)的(de)低(di)功(gong)耗(hao)和(he)小(xiao)裸(luo)片(pian)麵(mian)積(ji),從(cong)而(er)使(shi)他(ta)們(men)非(fei)常(chang)適(shi)合(he)便(bian)攜(xie)式(shi)應(ying)用(yong)。其(qi)另(ling)外(wai)一(yi)個(ge)優(you)點(dian)是(shi)輸(shu)出(chu)緩(huan)衝(chong)器(qi)已(yi)經(jing)包(bao)括(kuo)在(zai)該(gai)架(jia)構(gou)之(zhi)中(zhong),從(cong)而(er)無(wu)需(xu)使(shi)用(yong)更(geng)多(duo)的(de)板(ban)上(shang)外(wai)部(bu)組(zu)件(jian)。
其qi次ci,該gai輸shu出chu緩huan衝chong器qi還hai實shi現xian了le內nei部bu電dian阻zu和he模mo擬ni電dian路lu與yu外wai界jie的de隔ge離li,這zhe在zai低di阻zu抗kang電dian路lu中zhong非fei常chang有you用yong。許xu多duo應ying用yong都dou要yao求qiu低di突tu波bo能neng量liang,這zhe也ye是shi電dian阻zu串chuan架jia構gou的de另ling外wai一yi個ge優you點dian。
另一方麵,由於電阻串設計的更高阻抗,所以其噪聲通常會高於 R2R 架構的噪聲。設計人員還應該清楚地知道有限的精度(亦稱為積分非線性(INL))。較早的設計通常在中-60 最低位(LSB)提供 INL 數字,而較新型的一些設計則利用改進的工藝技術,現在可以在 4LSB 區域提供典型的 INL 數字。對於諸如馬達控製或過程控製的許多閉環應用而言,一個典型的 4 LSB INL 就已經足夠了。然而,對於其他應用而言(如:自動測試設備),這還遠遠不夠,那些應用通常需要1 LSB INL。因此,就有了另外一種不同的架構:R2R 架構。
R2R 架構
R2R 架構主要是由形成一個電阻梯形的並聯電阻組成。圖4 顯示了一種可能的 R2R 梯形,這是一款乘法 DAC(MDAC),其 R2R 梯形的頂部與外部參考電壓相連。該架構可以輸出一個相當於數字輸入代碼的電流。

圖4 主要的電流輸出 R2R 架構
在矽片中實施一個 R2R 梯形的另一種方法如圖5 所示。

圖5 主要的電壓輸出 R2R 架構
其外部參考電壓沒有和 R2R梯形直接連接。根據不同的數字輸入代碼,開關將通過 R2R 網絡把參考電壓或接地電平連接至輸出緩衝器,該輸出緩衝器將所生成的電壓信號轉換成輸出電壓。
圖5 所示的架構隻允許從 0V 到應用外部參考電壓的單極輸出電壓(請注意,DAC 的電源電壓必須等於或高於參考電壓)。通過將接地電平連接至一個額外的外部負參考電壓可以對後來提及的架構進行修改,而通過修改該架構則可以實現雙極運行。
圖6 顯示了修改後的架構。

圖6 主要的雙極 R2R 架構
此種類型的架構還可用於選擇靈活的參考電壓。雖然 VREFL 可以為負電壓,但不需要讓其為負電壓。但是,VREFL 必須要低於 VREFH。詳盡的描述與參數請參見現有的產品說明書,如:DAC7714(見參考書目1)。
R2R DAC 具有低噪聲和高精度的優點,其可能會提供 ±1 LSB INL 的卓越精度和DNL 性能。而且,該架構可實現高電壓輸出,MDAC 擁有較快的建立時間(小於 0.3 μsec),以及大於 10 MHz 的乘法帶寬。一般而言,其他 R2R 拓撲結構僅擁有中等的建立時間性能。
對於更寬泛的應用範圍(如數控校驗或工業可編程邏輯控製(PLC))而言,MDAC 為(wei)設(she)計(ji)人(ren)員(yuan)在(zai)選(xuan)擇(ze)使(shi)用(yong)外(wai)部(bu)輸(shu)出(chu)緩(huan)衝(chong)器(qi)方(fang)麵(mian)的(de)靈(ling)活(huo)性(xing)使(shi)該(gai)架(jia)構(gou)類(lei)型(xing)更(geng)為(wei)有(you)用(yong)。設(she)計(ji)人(ren)員(yuan)可(ke)以(yi)為(wei)特(te)定(ding)的(de)應(ying)用(yong)挑(tiao)選(xuan)最(zui)佳(jia)的(de)運(yun)算(suan)放(fang)大(da)器(qi)。另(ling)一(yi)方(fang)麵(mian),對(dui)於(yu)板(ban)上(shang)器(qi)件(jian)數(shu)量(liang)不(bu)斷(duan)增(zeng)加(jia)的(de)低(di)阻(zu)抗(kang)連(lian)接(jie)而(er)言(yan),需(xu)要(yao)一(yi)個(ge)外(wai)部(bu)緩(huan)衝(chong)器(qi)。其(qi)次(ci),與(yu) R2R 架構相比,突波能量當然更適合電阻串架構,因此,對於波形生成和其他突波能量敏感型應用而言,很少采用 R2R DAC。
結論
我wo們men不bu但dan要yao考kao慮lv諸zhu如ru增zeng益yi誤wu差cha或huo偏pian移yi誤wu差cha等deng其qi他ta電dian氣qi規gui範fan,而er且qie還hai要yao考kao慮lv隨sui著zhe溫wen度du變bian化hua而er發fa生sheng的de漂piao移yi或huo滿man量liang程cheng誤wu差cha等deng重zhong要yao的de參can數shu,這zhe些xie參can數shu通tong常chang與yu具ju體ti的de架jia構gou無wu關guan。為wei了le有you一yi個ge良liang好hao的de開kai端duan,設she計ji人ren員yuan應ying首shou先xian查zha看kan基ji本ben要yao求qiu並bing問wen問wen自zi己ji對dui最zui低di精jing度du和he線xian性xing度du有you何he要yao求qiu。如ru果guo是shi在zai閉bi環huan應ying用yong中zhong,那na麼me一yi款kuan較jiao低di成cheng本ben且qie線xian性xing較jiao差cha的de電dian阻zu串chuan DAC 就足夠了;而如果是在開環應用中,則 R2R 架構在提供更佳的線性度和更高的精度方麵就顯得更加出色。
特別推薦
- 噪聲中提取真值!瑞盟科技推出MSA2240電流檢測芯片賦能多元高端測量場景
- 10MHz高頻運行!氮矽科技發布集成驅動GaN芯片,助力電源能效再攀新高
- 失真度僅0.002%!力芯微推出超低內阻、超低失真4PST模擬開關
- 一“芯”雙電!聖邦微電子發布雙輸出電源芯片,簡化AFE與音頻設計
- 一機適配萬端:金升陽推出1200W可編程電源,賦能高端裝備製造
技術文章更多>>
- 算力爆發遇上電源革新,大聯大世平集團攜手晶豐明源線上研討會解鎖應用落地
- 築基AI4S:摩爾線程全功能GPU加速中國生命科學自主生態
- 一秒檢測,成本降至萬分之一,光引科技把幾十萬的台式光譜儀“搬”到了手腕上
- AI服務器電源機櫃Power Rack HVDC MW級測試方案
- 突破工藝邊界,奎芯科技LPDDR5X IP矽驗證通過,速率達9600Mbps
技術白皮書下載更多>>
- 車規與基於V2X的車輛協同主動避撞技術展望
- 數字隔離助力新能源汽車安全隔離的新挑戰
- 汽車模塊拋負載的解決方案
- 車用連接器的安全創新應用
- Melexis Actuators Business Unit
- Position / Current Sensors - Triaxis Hall
熱門搜索
微波功率管
微波開關
微波連接器
微波器件
微波三極管
微波振蕩器
微電機
微調電容
微動開關
微蜂窩
位置傳感器
溫度保險絲
溫度傳感器
溫控開關
溫控可控矽
聞泰
穩壓電源
穩壓二極管
穩壓管
無焊端子
無線充電
無線監控
無源濾波器
五金工具
物聯網
顯示模塊
顯微鏡結構
線圈
線繞電位器
線繞電阻



