高頻電容測試方法以及在SI/PI仿真中的應用
發布時間:2018-11-15 責任編輯:lina
【導讀】很(hen)多(duo)工(gong)程(cheng)師(shi)都(dou)以(yi)為(wei)隻(zhi)有(you)電(dian)源(yuan)才(cai)會(hui)使(shi)用(yong)電(dian)容(rong),其(qi)實(shi)電(dian)容(rong)的(de)應(ying)用(yong)範(fan)圍(wei)特(te)別(bie)廣(guang)泛(fan),不(bu)僅(jin)僅(jin)為(wei)了(le)保(bao)證(zheng)電(dian)源(yuan)係(xi)統(tong)有(you)一(yi)個(ge)好(hao)的(de)電(dian)源(yuan)完(wan)整(zheng)性(xing)需(xu)要(yao)使(shi)用(yong)大(da)量(liang)的(de)電(dian)容(rong),信(xin)號(hao)完(wan)整(zheng)性(xing)工(gong)程(cheng)師(shi)為(wei)了(le)保(bao)證(zheng)信(xin)號(hao)完(wan)整(zheng)性(xing),EMC工程師為了使產品更順利的通過電磁兼容性的測試也是對電容“絞盡腦汁”。
很(hen)多(duo)工(gong)程(cheng)師(shi)都(dou)以(yi)為(wei)隻(zhi)有(you)電(dian)源(yuan)才(cai)會(hui)使(shi)用(yong)電(dian)容(rong),其(qi)實(shi)電(dian)容(rong)的(de)應(ying)用(yong)範(fan)圍(wei)特(te)別(bie)廣(guang)泛(fan),不(bu)僅(jin)僅(jin)為(wei)了(le)保(bao)證(zheng)電(dian)源(yuan)係(xi)統(tong)有(you)一(yi)個(ge)好(hao)的(de)電(dian)源(yuan)完(wan)整(zheng)性(xing)需(xu)要(yao)使(shi)用(yong)大(da)量(liang)的(de)電(dian)容(rong),信(xin)號(hao)完(wan)整(zheng)性(xing)工(gong)程(cheng)師(shi)為(wei)了(le)保(bao)證(zheng)信(xin)號(hao)完(wan)整(zheng)性(xing),EMC工程師為了使產品更順利的通過電磁兼容性的測試也是對電容“絞盡腦汁”。
電dian容rong是shi非fei常chang每mei一yi個ge電dian路lu上shang都dou會hui使shi用yong的de器qi件jian,電dian容rong會hui應ying用yong在zai電dian源yuan係xi統tong中zhong,也ye會hui應ying用yong於yu信xin號hao線xian上shang。在zai低di速su電dian路lu中zhong,我wo姑gu且qie把ba電dian容rong稱cheng之zhi為wei電dian容rong,但dan是shi在zai高gao速su電dian路lu上shang或huo者zhe電dian源yuan係xi統tong中zhong,電dian容rong以yi及ji不bu僅jin僅jin是shi電dian容rong,是shi一yi個ge由you等deng效xiao電dian容rong、等效電阻和等效電感組成的一個電路,簡單的結構如下圖所示:

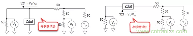
所以電容的參數的測量就不能再使用簡單的萬用表來測量啦!而需要使用網絡分析儀進行測量,使用網絡分析測試時,最重要的方式有並聯測試法和串聯測試法,示意圖如下圖所示:

並聯測試方法簡化裝置如下圖所示:

從上麵的示意圖和簡化裝置可以看到,不論是並聯測試方法還是串聯測試方法都采用的2端口網分(當然,也可以考慮用4端口測試方法,有興趣的可以去Google下),這樣測試獲得的參數就是2端口的S參數,即*.s2p的文件,如下圖所示為一顆電容的S參數文件:

通過S參數,工程師可以了解到其阻抗特性、損耗等等,也就是電容的濾波特性,其阻抗特性曲線如下圖所示:

這種測試電容的步驟其實非常簡單,在測試的時候要按照電容的封裝大小設計一塊測試夾具板和校準板,然後把電容焊接上去,通過AFR或者TRL或者SOLT的校準方式進行校準後就可以直接測試電容啦(推薦使用AFR校準,這是最簡單的校準方式,設計的板子也簡單一些)。
電容的S參數模型可以應用於信號完整性和電源完整性仿真中。在使用SIPro/PIPro仿真時,可能有的工程師會有疑惑,為什麼在軟件中添加*.s2p的S參數時會強製變為*.s1p呢?這是否有問題?
首先答案是肯定不會有問題。對於電容或者磁珠這類器件,在測量的數據就是s2p,而不是s1p,這是因為在測量的時候使用的2端口的網分測試的。而在仿真的時候使用的是s1pdewenjian,zheyangyouyigeyoushi,jiushijianruoleqijianduijiajubandideyingxiang,zheyangjiuzengjialeqishejidexingneng。youxingqudeyekeyidajianyigefangzhendianluqufenxidianrongdes1p和s2p的效果是否一樣,原理圖如下圖所示:

S21使用的是s2p模型文件,連接的snp元件這是正常的仿真S參數的連接方式;S43使用的是s2p文件把Ground不連接;S65使用的是S1P的模型文件,Ground連接到TermG上,獲得的結果如下圖所示:

很顯然,三條曲線是重合的,說明s2p和s1p是等效的。
本文主要是簡單介紹了如何簡單的測試電容、磁珠等2端口無源器件的S參數模型,以及為什麼在SIPro和PIPro仿真時采用的是s1p的文件。當然,對於如何精確的測試這類無源器件的模型以及如何在ADS中建立相關的模型庫有興趣的,可以再進一步的交流。
2019中國國際3C自動化裝配與測試展覽會將於2019年7月10-12號上海國際博覽中心舉行
如何電源逆變器應用中選擇隔離架構、電路和元件?
使用超低噪聲LDO對電源的影響
使用微型模塊SIP中的集成無源器件
ADI電源產品幫助客戶向工業4.0過渡
特別推薦
- 噪聲中提取真值!瑞盟科技推出MSA2240電流檢測芯片賦能多元高端測量場景
- 10MHz高頻運行!氮矽科技發布集成驅動GaN芯片,助力電源能效再攀新高
- 失真度僅0.002%!力芯微推出超低內阻、超低失真4PST模擬開關
- 一“芯”雙電!聖邦微電子發布雙輸出電源芯片,簡化AFE與音頻設計
- 一機適配萬端:金升陽推出1200W可編程電源,賦能高端裝備製造
技術文章更多>>
- 算力爆發遇上電源革新,大聯大世平集團攜手晶豐明源線上研討會解鎖應用落地
- 築基AI4S:摩爾線程全功能GPU加速中國生命科學自主生態
- 一秒檢測,成本降至萬分之一,光引科技把幾十萬的台式光譜儀“搬”到了手腕上
- AI服務器電源機櫃Power Rack HVDC MW級測試方案
- 突破工藝邊界,奎芯科技LPDDR5X IP矽驗證通過,速率達9600Mbps
技術白皮書下載更多>>
- 車規與基於V2X的車輛協同主動避撞技術展望
- 數字隔離助力新能源汽車安全隔離的新挑戰
- 汽車模塊拋負載的解決方案
- 車用連接器的安全創新應用
- Melexis Actuators Business Unit
- Position / Current Sensors - Triaxis Hall
熱門搜索
微波功率管
微波開關
微波連接器
微波器件
微波三極管
微波振蕩器
微電機
微調電容
微動開關
微蜂窩
位置傳感器
溫度保險絲
溫度傳感器
溫控開關
溫控可控矽
聞泰
穩壓電源
穩壓二極管
穩壓管
無焊端子
無線充電
無線監控
無源濾波器
五金工具
物聯網
顯示模塊
顯微鏡結構
線圈
線繞電位器
線繞電阻



