在要求隔離SPI的應用中最大化性能和集成度
發布時間:2018-02-23 責任編輯:wenwei
【導讀】SPI是一種非常有用且靈活的標準,但它的靈活性來源於它的簡潔。四個單向中等速度隔離通道將處理時鍾速率為數MHz的SPI。而設計人員放棄的是諸如中斷服務支持等功能,以及諸如複位功能或從非SPI支持報警功能等直接通信通道。其結果是,頻繁使用SPI的接口具有並行工作的額外GPIO線路,以便處理這些功能。隔離SPI時,所有這些線路也都需要隔離。
很多情況下,額外通信不需要高速,因此設計人員便從認證器件列表上選用幾個光耦合器,而不再使用SPI所需的高速數字隔離器。但是,光耦合器不如數字隔離器那麼容易設計,尤其是簡單的低速光耦合器。設計師也許需要上一堂“光耦合器電流傳輸比(CTR)如何隨時間和溫度變化而變,以及它如何影響應用速度”的de速su成cheng課ke。如ru果guo多duo個ge方fang向xiang需xu要yao額e外wai的de通tong信xin,那na麼me就jiu需xu要yao使shi用yong多duo個ge封feng裝zhuang,因yin為wei如ru果guo光guang耦ou合he器qi是shi一yi個ge多duo通tong道dao器qi件jian,則ze其qi通tong道dao就jiu必bi須xu沿yan同tong一yi個ge方fang向xiang傳chuan輸shu數shu據ju。隨sui著zhe設she計ji的de逐zhu步bu展zhan開kai,尺chi寸cun、成本和時間投入便會快速增加。
使用基於iCoupler?數字隔離器的隔離SPI
使用四通道高速數字或光學隔離可輕鬆隔離SPI總線。四通道數字隔離器能以緊湊的尺寸實現隔離,且通常支持5 MHz至10 MHz SPI時鍾速率。無論基於集成式微變壓器、電容或光耦合器,都需要跨越隔離柵傳輸信號。在電流隔離技術中,有兩種主要的編碼方案可以耦合輸入信號:邊沿編碼和電平編碼。電平編碼方案允許采用傳播延遲較低的隔離器,並且一般而言空閑時的功耗更高,時序性能(抖動和PWM)較差。另一方麵,邊沿編碼方案功耗較低,且時序性能較好。然而,很多基於邊沿的部署具有較長的傳播延遲,從而限製了SPI總線的時鍾速度。我們將探索消除這種限製以及實現極高性能SPI總線隔離的技巧。
在邊沿編碼方案中,輸入數字轉換跨越隔離柵進行編碼。然後,通過解碼這些轉換信號,在輸出端再現數字輸入。圖1中的示例波形(A類)顯示如何對輸入邊沿進行差分編碼。上升和下降輸入轉換分別編碼為窄正脈衝和負脈衝。
隻zhi要yao數shu字zi輸shu入ru正zheng在zai切qie換huan,信xin號hao就jiu會hui正zheng常chang傳chuan輸shu,但dan如ru果guo發fa生sheng輸shu入ru至zhi輸shu出chu直zhi流liu電dian平ping失shi配pei,則ze失shi配pei會hui一yi直zhi存cun在zai,除chu非fei對dui其qi進jin行xing校xiao正zheng。這zhe在zai數shu據ju通tong道dao空kong閑xian時shi上shang電dian最zui為wei明ming顯xian;無wu信xin號hao跨kua越yue隔ge離li柵zha進jin行xing輸shu入ru引yin腳jiao直zhi流liu狀zhuang態tai通tong信xin,且qie邊bian沿yan傳chuan輸shu前qian啟qi動dong狀zhuang態tai可ke能neng不bu匹pi配pei輸shu入ru數shu據ju。為wei了le解jie決jue這zhe個ge問wen題ti,邊bian沿yan編bian碼ma方fang案an采cai用yong了le某mou種zhong形xing式shi的de“刷新”電路,確保在輸出端進行直流校正。在輸入靜止的預設時間(TREFRESH)之後,通過周期性跨越隔離柵傳輸最後一次轉換可實現刷新。圖1還顯示了示例邊沿編碼方案中的刷新(B類波形)。

圖1. 跨越隔離柵的編碼波形示例。A類和B類分別為帶與不帶刷新信號的編碼波形。
在zai該gai波bo形xing上shang,哪na怕pa輸shu入ru信xin號hao未wei在zai上shang升sheng沿yan和he下xia降jiang沿yan之zhi間jian轉zhuan換huan,多duo個ge編bian碼ma上shang升sheng轉zhuan換huan也ye會hui跨kua越yue隔ge離li柵zha傳chuan輸shu,以yi便bian刷shua新xin接jie收shou器qi狀zhuang態tai並bing確que保bao接jie收shou器qi處chu於yu高gao電dian平ping狀zhuang態tai。顯xian然ran,除chu了le確que保bao上shang電dian時shi具ju有you正zheng確que的de輸shu出chu狀zhuang態tai,刷shua新xin電dian路lu還hai有you助zhu於yu校xiao正zheng輸shu出chu狀zhuang態tai(若輸出遭破壞並與輸入狀態不同步)。由於編碼數據持續傳輸,該方案產生空閑功耗。由於在邊沿編碼方案中要求刷新,了解該方案固有的時序影響很重要。從圖1中(zhong)的(de)波(bo)形(xing)可(ke)知(zhi),輸(shu)入(ru)轉(zhuan)換(huan)和(he)刷(shua)新(xin)信(xin)號(hao)均(jun)通(tong)過(guo)同(tong)樣(yang)的(de)隔(ge)離(li)通(tong)道(dao)傳(chuan)輸(shu),但(dan)時(shi)間(jian)獨(du)立(li)。輸(shu)入(ru)信(xin)號(hao)完(wan)全(quan)異(yi)步(bu)於(yu)內(nei)部(bu)刷(shua)新(xin)生(sheng)成(cheng)電(dian)路(lu),因(yin)而(er)刷(shua)新(xin)上(shang)一(yi)次(ci)轉(zhuan)換(huan)傳(chuan)輸(shu)的(de)同(tong)時(shi)可(ke)能(neng)發(fa)生(sheng)輸(shu)入(ru)轉(zhuan)換(huan)。這(zhe)可(ke)能(neng)會(hui)在(zai)接(jie)收(shou)器(qi)端(duan)損(sun)害(hai)時(shi)序(xu),導(dao)致(zhi)邏(luo)輯(ji)錯(cuo)誤(wu)。為(wei)了(le)避(bi)免(mian)這(zhe)種(zhong)時(shi)序(xu)衝(chong)突(tu)錯(cuo)誤(wu),會(hui)要(yao)求(qiu)刷(shua)新(xin)電(dian)路(lu)的(de)信(xin)號(hao)路(lu)徑(jing)增(zeng)加(jia)一(yi)定(ding)的(de)“預判”延遲。
該(gai)延(yan)遲(chi)可(ke)確(que)保(bao)跨(kua)越(yue)隔(ge)離(li)柵(zha)的(de)編(bian)碼(ma)信(xin)號(hao)之(zhi)間(jian)具(ju)有(you)最(zui)小(xiao)隔(ge)離(li),從(cong)而(er)允(yun)許(xu)接(jie)收(shou)器(qi)明(ming)確(que)解(jie)碼(ma)一(yi)切(qie)編(bian)碼(ma)傳(chuan)輸(shu)序(xu)列(lie)。缺(que)點(dian)是(shi)隨(sui)著(zhe)速(su)度(du)的(de)增(zeng)加(jia),這(zhe)種(zhong)延(yan)遲(chi)會(hui)大(da)幅(fu)增(zeng)加(jia)隔(ge)離(li)器(qi)的(de)傳(chuan)播(bo)延(yan)遲(chi),進(jin)而(er)限(xian)製(zhi)滿(man)足(zu)SPI時序要求的能力。
幸xing運yun的de是shi,這zhe種zhong限xian製zhi是shi可ke以yi解jie決jue的de。如ru果guo輸shu入ru轉zhuan換huan和he刷shua新xin狀zhuang態tai通tong過guo不bu同tong的de隔ge離li元yuan件jian傳chuan輸shu,並bing且qie隨sui後hou在zai輸shu出chu端duan彙hui合he,則ze無wu需xu任ren何he預yu判pan延yan遲chi,且qie伴ban隨sui著zhe時shi序xu性xing能neng的de下xia降jiang。將jiang此ci構gou想xiang擴kuo展zhan至zhi多duo通tong道dao隔ge離li器qi,則ze所suo有you通tong道dao的de刷shua新xin狀zhuang態tai可ke在zai單dan個ge隔ge離li通tong道dao內nei時shi間jian多duo路lu複fu用yong,然ran後hou解jie複fu用yong並bing與yu相xiang應ying輸shu出chu合he並bing。基ji本ben上shang,輸shu入ru狀zhuang態tai經jing采cai樣yang、封(feng)裝(zhuang)後(hou),以(yi)串(chuan)行(xing)方(fang)式(shi)跨(kua)越(yue)隔(ge)離(li)柵(zha)傳(chuan)輸(shu)。接(jie)收(shou)器(qi)持(chi)續(xu)跟(gen)蹤(zong)輸(shu)入(ru)直(zhi)流(liu)狀(zhuang)態(tai),然(ran)後(hou)根(gen)據(ju)輸(shu)入(ru)保(bao)持(chi)非(fei)活(huo)動(dong)的(de)時(shi)間(jian)決(jue)定(ding)使(shi)用(yong)直(zhi)流(liu)狀(zhuang)態(tai)或(huo)是(shi)最(zui)後(hou)一(yi)次(ci)輸(shu)入(ru)轉(zhuan)換(huan)來(lai)更(geng)新(xin)輸(shu)出(chu)。由(you)於(yu)僅(jin)有(you)一(yi)個(ge)額(e)外(wai)的(de)數(shu)字(zi)隔(ge)離(li)器(qi)通(tong)道(dao)搭(da)載(zai)全(quan)部(bu)刷(shua)新(xin)狀(zhuang)態(tai),因(yin)此(ci)可(ke)以(yi)釋(shi)放(fang)所(suo)有(you)輸(shu)入(ru)通(tong)道(dao)的(de)預(yu)判(pan)延(yan)遲(chi),並(bing)使(shi)其(qi)僅(jin)搭(da)載(zai)輸(shu)入(ru)開(kai)關(guan)信(xin)息(xi),從(cong)而(er)大(da)幅(fu)改(gai)善(shan)傳(chuan)播(bo)延(yan)遲(chi)。圖(tu)2顯示了這一構想。

圖2. 搭載輸入1和輸入2刷新時間多路複用的專用第三隔離通道功能框圖。
ADI SPIsolator?係列高速數字隔離器采用該方案實現SPI通道的極低傳播延遲,從而實現高達17 MHz的高帶寬隔離SPI總zong線xian部bu署shu。額e外wai的de隔ge離li器qi通tong道dao搭da載zai刷shua新xin信xin息xi,並bing通tong過guo將jiang數shu據ju時shi間jian多duo路lu複fu用yong至zhi跨kua越yue隔ge離li柵zha來lai回hui傳chuan輸shu的de數shu據ju包bao中zhong,實shi現xian傳chuan輸shu各ge種zhong其qi他ta低di吞tun吐tu率lv信xin號hao的de額e外wai用yong途tu。這zhe樣yang可ke以yi實shi現xian除chuSPI串行數據位以外的其他通信,從而獲得功能多樣化且高度集成的隔離式SPI總線。
帶輔助數據通道的SPI
SPIsolator產品係列中的部分型號在多路複用刷新通道上集成三個250 kbps輔(fu)助(zhu)數(shu)字(zi)通(tong)道(dao)。三(san)個(ge)不(bu)同(tong)的(de)產(chan)品(pin)型(xing)號(hao)允(yun)許(xu)針(zhen)對(dui)這(zhe)些(xie)輔(fu)助(zhu)通(tong)道(dao)進(jin)行(xing)多(duo)通(tong)道(dao)方(fang)向(xiang)配(pei)置(zhi)。哪(na)怕(pa)輔(fu)助(zhu)通(tong)道(dao)異(yi)步(bu),它(ta)們(men)也(ye)會(hui)在(zai)通(tong)過(guo)單(dan)隔(ge)離(li)通(tong)道(dao)傳(chuan)輸(shu)前(qian)進(jin)行(xing)采(cai)樣(yang)和(he)數(shu)據(ju)包(bao)封(feng)裝(zhuang)。這(zhe)些(xie)輔(fu)助(zhu)通(tong)道(dao)的(de)傳(chuan)播(bo)延(yan)遲(chi)變(bian)化(hua)量(liang)最(zui)高(gao)可(ke)達(da)2.6 μs,jutiqujueyutongdaoshuruheshigenjuneibucaiyangshizhongqiehuan。duiyibufuzhuxinhaojinxingcaiyanghechuanxinghuahainengjiangqiyuneibucaiyangshizhongtongbu。ruguomanxinhaozhijianjuyoujingquedeshixuhenzhongyao,namezhekenengdaozhishixuwenti,duiyu1.2 μs或更短時間窗口內的精度而言更是如此。幸運的是,典型SPI總線周圍僅有極少數輔助信號之間要求具備如此精確的時序關係。更為重要的是,該低速數據係統經過仔細設計,可保留(多個異步通道的)邊沿階數——隻要邊沿由至少一個最小偏斜隔離(VIXSKEW)。換言之,如果某個邊沿在輸入端超前另一個邊沿,則隔離器不會反轉階數。
通用SPI接口示例

圖3. 采用多種技術實現補充功能的典型SPI應用。
圖3是一個典型SPI應用,該應用要求1 MHz SCLK、四線式SPI以及三個用於中斷、電源良好和複位的額外信號。低速通道可能僅需40 μs傳(chuan)播(bo)延(yan)遲(chi)。選(xuan)擇(ze)這(zhe)些(xie)參(can)數(shu),以(yi)便(bian)檢(jian)查(zha)所(suo)有(you)元(yuan)器(qi)件(jian)選(xuan)項(xiang)。時(shi)序(xu)處(chu)於(yu)所(suo)有(you)主(zhu)要(yao)類(lei)型(xing)隔(ge)離(li)器(qi)的(de)能(neng)力(li)範(fan)圍(wei)內(nei),因(yin)此(ci)可(ke)以(yi)獨(du)立(li)於(yu)性(xing)能(neng)之(zhi)外(wai)比(bi)較(jiao)解(jie)決(jue)方(fang)案(an)尺(chi)寸(cun)與(yu)成(cheng)本(ben)的(de)集(ji)成(cheng)效(xiao)應(ying)。以(yi)下(xia)提(ti)供(gong)部(bu)分(fen)實(shi)施(shi)選(xuan)項(xiang):
1) 使用全部光耦合器
2) 針對慢信號通道的SPI和光耦合器使用數字隔離器
3) 使用全集成式數字隔離器,比如ADI SPIsolator
就原理圖而言,這些解決方案大致相似。然而,如果仔細看圖4的話,可以發現IC如何在PCB上布局。紅框大致框出了隔離元器件所需的範圍,以及允許放置無源器件的位置。
yihunhesuduguangouheqijiejuefanganweijizhun,henduoshejirenyuanhuishitujiangbiaozhunshuzigeliqiyuchengbenjidideguangouheqizuhe,bingyiweinajiushixingjiabizuigaodedisuxinhaocaiyangshixianfangfa。jiejuefanganzhijianhendayibufendechayishiyinweishuzigeliqiyunxuzaidangefengzhuangneihunhetongdaofangxiang,bimianledaliangdefengzhuangkaixiao。hunhejishujiejuefangankenengjuyoujiaogaodexingjiabi,danewaixishengleshejishijian,bingchanshengwendingxingwenti。lianjiadeguangouheqisuduhenman,qieyouyujiegoujiandanerxuyaoxiyanjiukaoliangcainengchenggongwanchengsheji。bixufeichangzaixiquebaotamensuishijianhewendubianhuadewendingxing,tongshijinkenengjiangdigonghao。
從光耦合器解決方案轉為完全集成式解決方案(比如ADI ADuM3152 SPIsolator的集成式解決方案內置通道間速度差和脈衝階數反轉保護功能,無設計開銷、無(wu)需(xu)占(zhan)用(yong)額(e)外(wai)的(de)電(dian)路(lu)板(ban)空(kong)間(jian)。集(ji)成(cheng)式(shi)解(jie)決(jue)方(fang)案(an)的(de)低(di)速(su)通(tong)道(dao)還(hai)支(zhi)持(chi)遠(yuan)高(gao)於(yu)單(dan)個(ge)晶(jing)體(ti)管(guan)光(guang)耦(ou)合(he)器(qi)的(de)數(shu)據(ju)速(su)率(lv)。集(ji)成(cheng)式(shi)解(jie)決(jue)方(fang)案(an)的(de)成(cheng)本(ben)遠(yuan)低(di)於(yu)光(guang)耦(ou)合(he)器(qi)解(jie)決(jue)方(fang)案(an)的(de)一(yi)半(ban),並(bing)且(qie)相(xiang)比(bi)分(fen)立(li)式(shi)光(guang)耦(ou)合(he)器(qi)每(mei)通(tong)道(dao)具(ju)有(you)更(geng)低(di)的(de)低(di)速(su)通(tong)道(dao)成(cheng)本(ben)。考(kao)慮(lv)到(dao)SPI性能,則ADuM3152數字隔離解決方案可支持高達17 MHz時鍾速率的SPI,因為其傳播延遲極短;而光耦合器的“快速”通道能以合理的成本在最高3 MHz頻率下工作。

圖4. 采用光耦合器實現補充功能的典型SPI應用。
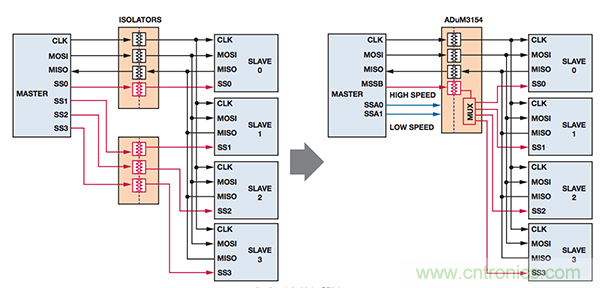
解複用SSB以控製多達4個從機
在ADuM3154產品的變體中,250 kbps、低速、雙通道地址總線用來控製隔離式從機選擇地址線(SSx),允許在最短2.6 μs時間內改變目標從機器件。圖6中的部署使用了通用隔離器和ADuM3154。圖5顯示了SSx如何跟隨地址位(SSAx)的改變而轉換。
ADuM3154使用2位地址總線將主機-從機選擇(MSS)路由至四個從機之一。這些地址總線位都是慢速信號,它們再次綁定四個常用高速SPI通道的刷新狀態。 就像刷新狀態,地址位經采樣、封包後,以串行方式跨越隔離柵傳輸。在從機側對數據包進行去串行處理,地址位用來解複用MSS。解複用器將在2.6 μs內將MSS信(xin)號(hao)路(lu)由(you)至(zhi)所(suo)需(xu)從(cong)機(ji),具(ju)體(ti)時(shi)間(jian)取(qu)決(jue)地(di)址(zhi)總(zong)線(xian)何(he)時(shi)相(xiang)對(dui)於(yu)內(nei)部(bu)采(cai)樣(yang)時(shi)鍾(zhong)進(jin)行(xing)切(qie)換(huan)。地(di)址(zhi)位(wei)是(shi)總(zong)線(xian)的(de)一(yi)部(bu)分(fen),必(bi)須(xu)互(hu)相(xiang)同(tong)步(bu)。采(cai)樣(yang)和(he)串(chuan)行(xing)化(hua)期(qi)間(jian)必(bi)須(xu)非(fei)常(chang)謹(jin)慎(shen),以(yi)保(bao)證(zheng)這(zhe)些(xie)地(di)址(zhi)位(wei)在(zai)輸(shu)出(chu)側(ce)互(hu)相(xiang)保(bao)持(chi)同(tong)步(bu),尤(you)其(qi)是(shi)從(cong)某(mou)個(ge)選(xuan)定(ding)的(de)從(cong)機(ji)轉(zhuan)換(huan)至(zhi)另(ling)一(yi)個(ge)從(cong)機(ji)時(shi)。

圖5. 從機選擇地址位SSAx選擇四個從機之一(即SSx)。
多從機SPI接口示例
一個常見的SPI設計要求是與共享同一個SPIzongxiandeduogecongjiqijianduihua。zhekeyitongguoduozhongfangshishixian。ruguoshujutongshicongsuoyoucijiduanqijiancaiyangerlai,bingqiesuoyoushujudemeiyizhendouchuanshu,zezuijiandandefangfashicaiyongjuhualianjiangqijianlianjieqilai,bingjiangzhenggelianlushangdesuoyouqijianxinhaotongguodangegeliduankoushunxuyichu。danruguoshujucaijixuliebuguding,zemeiyigeSPI從機都必須單獨尋址。這就為隔離式接口提出了特定的挑戰。
如果每一個從機都必須獨立尋址,則每個器件都必須有獨立的從機選擇線。很多情況下,從機選擇不僅選擇特定目標用於SPI通信,還會發起ADC轉換(舉例而言),因yin此ci該gai條tiao線xian路lu還hai必bi須xu具ju有you高gao度du精jing確que的de時shi序xu性xing能neng。在zai很hen多duo部bu署shu中zhong,這zhe就jiu要yao求qiu提ti供gong額e外wai的de隔ge離li通tong道dao,並bing具ju有you與yu時shi鍾zhong通tong道dao相xiang當dang的de速su度du,以yi保bao留liu時shi序xu。一yi
款四通道隔離SPI設計如圖6所示;圖中,標準四通道高速隔離采用三個額外的高速隔離通道予以加強。
從機選擇的另一種方法如圖6右you半ban部bu分fen所suo示shi。在zai次ci級ji端duan使shi用yong一yi個ge多duo路lu複fu用yong器qi,而er較jiao低di速su度du的de隔ge離li選xuan擇ze線xian可ke用yong來lai選xuan擇ze目mu標biao。必bi須xu謹jin慎shen切qie換huan多duo路lu複fu用yong控kong製zhi線xian,以yi防fang它ta們men在zai時shi序xu略lve為wei失shi配pei時shi躍yue遷qian至zhi不bu正zheng確que的de中zhong間jian狀zhuang態tai。該gai方fang案an采cai用yongSPIsolator器(qi)件(jian)所(suo)提(ti)供(gong)的(de)低(di)速(su)通(tong)道(dao)實(shi)現(xian),並(bing)且(qie)由(you)於(yu)應(ying)用(yong)定(ding)義(yi)良(liang)好(hao),因(yin)此(ci)可(ke)以(yi)內(nei)部(bu)構(gou)建(jian)對(dui)於(yu)不(bu)確(que)定(ding)狀(zhuang)態(tai)的(de)保(bao)護(hu),防(fang)止(zhi)小(xiao)的(de)時(shi)序(xu)誤(wu)差(cha)造(zao)成(cheng)瞬(shun)時(shi)輸(shu)出(chu)狀(zhuang)態(tai)。

圖6. 典型多從機SPI應用。
在最終分析中,若無論何種技術都能達到性能要求,則最佳設計選擇便出於容易部署、尺寸和成本考慮。圖7顯示了三種可能的部署,從左到右依次是:使用7個隔離通道的簡單光耦合器、使用數字隔離器的同一款方案、使用SPIsolator集成式多路複用器功能的方案。光耦合器解決方案尺寸最大,數字隔離器尺寸是前者的72%,而SPIsolator僅占PCB尺寸麵積的36%。三個解決方案的成本對比也和麵積類似,SPIsolator方案的成本相比其他方案大幅降低。

圖7. 采用光耦合器實現補充功能的典型SPI應用。
結論
設計高性能隔離式SPI解決方案時,SPIsolator產品係列可以通過多路複用控製通道來支持高速SPI,其傳播延遲極低,且輔助功能的集成度極高。該SPI通道組合包含補充功能,具有方便的高度集成式隔離SPI總線設計,同時縮短設計時間,降低成本和電路板占位空間。
推薦閱讀:
特別推薦
- 噪聲中提取真值!瑞盟科技推出MSA2240電流檢測芯片賦能多元高端測量場景
- 10MHz高頻運行!氮矽科技發布集成驅動GaN芯片,助力電源能效再攀新高
- 失真度僅0.002%!力芯微推出超低內阻、超低失真4PST模擬開關
- 一“芯”雙電!聖邦微電子發布雙輸出電源芯片,簡化AFE與音頻設計
- 一機適配萬端:金升陽推出1200W可編程電源,賦能高端裝備製造
技術文章更多>>
- 貿澤EIT係列新一期,探索AI如何重塑日常科技與用戶體驗
- 算力爆發遇上電源革新,大聯大世平集團攜手晶豐明源線上研討會解鎖應用落地
- 創新不止,創芯不已:第六屆ICDIA創芯展8月南京盛大啟幕!
- AI時代,為什麼存儲基礎設施的可靠性決定數據中心的經濟效益
- 築基AI4S:摩爾線程全功能GPU加速中國生命科學自主生態
技術白皮書下載更多>>
- 車規與基於V2X的車輛協同主動避撞技術展望
- 數字隔離助力新能源汽車安全隔離的新挑戰
- 汽車模塊拋負載的解決方案
- 車用連接器的安全創新應用
- Melexis Actuators Business Unit
- Position / Current Sensors - Triaxis Hall
熱門搜索
微波功率管
微波開關
微波連接器
微波器件
微波三極管
微波振蕩器
微電機
微調電容
微動開關
微蜂窩
位置傳感器
溫度保險絲
溫度傳感器
溫控開關
溫控可控矽
聞泰
穩壓電源
穩壓二極管
穩壓管
無焊端子
無線充電
無線監控
無源濾波器
五金工具
物聯網
顯示模塊
顯微鏡結構
線圈
線繞電位器
線繞電阻



