RS-485 數據速率獨立型半雙工中繼器設計
發布時間:2012-10-12 來源:電子元件技術網 責任編輯:admin
導讀:在(zai)遠(yuan)距(ju)離(li)傳(chuan)輸(shu)網(wang)絡(luo)中(zhong),數(shu)千(qian)個(ge)儀(yi)表(biao)都(dou)使(shi)用(yong)全(quan)雙(shuang)工(gong)線(xian)纜(lan)並(bing)不(bu)可(ke)取(qu),為(wei)了(le)實(shi)施(shi)一(yi)款(kuan)更(geng)遠(yuan)距(ju)離(li)的(de)半(ban)雙(shuang)工(gong)模(mo)式(shi)遠(yuan)距(ju)傳(chuan)輸(shu)網(wang)絡(luo),我(wo)們(men)必(bi)須(xu)安(an)裝(zhuang)一(yi)個(ge)半(ban)雙(shuang)工(gong)中繼器。本文詳細介紹RS-485 數據速率獨立型半雙工中繼器的設計方案。
在 RS-485 一(yi)般(ban)的(de)技(ji)術(shu)文(wen)獻(xian)中(zhong),為(wei)了(le)簡(jian)便(bian)起(qi)見(jian),收(shou)發(fa)器(qi)產(chan)品(pin)說(shuo)明(ming)書(shu)通(tong)常(chang)會(hui)介(jie)紹(shao)一(yi)種(zhong)全(quan)雙(shuang)工(gong)中(zhong)繼(ji)器(qi)設(she)計(ji)。但(dan)是(shi),在(zai)遠(yuan)距(ju)離(li)傳(chuan)輸(shu)網(wang)絡(luo)中(zhong),數(shu)千(qian)個(ge)儀(yi)表(biao)都(dou)使(shi)用(yong)全(quan)雙(shuang)工(gong)線(xian)纜(lan)並(bing)不(bu)可(ke)取(qu),因(yin)為(wei)線(xian)纜(lan)和(he)配(pei)線(xian)都(dou)非(fei)常(chang)的(de)昂(ang)貴(gui)。
為了實施一款更遠距離的半雙工模式遠距傳輸網絡,我們必須安裝一個半雙工中繼器。圖 1 顯(xian)示(shi)了(le)一(yi)個(ge)係(xi)統(tong)結(jie)構(gou)圖(tu)。由(you)於(yu)半(ban)雙(shuang)工(gong)中(zhong)繼(ji)器(qi)連(lian)接(jie)至(zhi)兩(liang)個(ge)總(zong)線(xian)段(duan),該(gai)中(zhong)繼(ji)器(qi)必(bi)須(xu)包(bao)含(han)兩(liang)個(ge)獨(du)立(li)的(de)收(shou)發(fa)器(qi),每(mei)個(ge)收(shou)發(fa)器(qi)都(dou)經(jing)由(you)信(xin)號(hao)隔(ge)離(li)器(qi)連(lian)接(jie)至(zhi)其(qi)各(ge)自(zi)總(zong)線(xian),並(bing)連(lian)接(jie)至(zhi)一(yi)個(ge)隔(ge)離(li)於(yu)兩(liang)個(ge)收(shou)發(fa)器(qi)部(bu)分(fen)的(de)控(kong)製(zhi)邏(luo)輯(ji)。該(gai)控(kong)製(zhi)邏(luo)輯(ji)及(ji)時(shi)關(guan)閉(bi)和(he)開(kai)啟(qi)中(zhong)繼(ji)器(qi)的(de)驅(qu)動(dong)器(qi)和(he)接(jie)收(shou)機(ji)部(bu)分(fen)。任(ren)意(yi)方(fang)向(xiang)的(de)發(fa)來(lai)數(shu)據(ju)信(xin)號(hao)都(dou)可(ke)對(dui)其(qi)初(chu)始(shi)化(hua)。

圖1 雙隔離半雙工中繼器總線擴展
兩種最為常用的時序控製方法是圖 3 所示單觸發電路和圖 4 所(suo)示(shi)時(shi)延(yan)反(fan)相(xiang)緩(huan)衝(chong)器(qi)電(dian)路(lu)。為(wei)了(le)確(que)保(bao)正(zheng)確(que)的(de)開(kai)關(guan)行(xing)為(wei),兩(liang)種(zhong)方(fang)法(fa)都(dou)要(yao)求(qiu)對(dui)上(shang)電(dian)和(he)總(zong)線(xian)閑(xian)置(zhi)以(yi)後(hou)的(de)啟(qi)動(dong)條(tiao)件(jian)進(jin)行(xing)定(ding)義(yi)。通(tong)過(guo)故(gu)障(zhang)保(bao)護(hu)偏(pian)壓(ya)電(dian)阻(zu)器(qi) RFS 可以完成這項工作,其在沒有收發器有效驅動總線時,產生一個大於接收機輸入敏感度 VFS > +200 mV 的故障保護電壓 VFS。

圖2 利用一個單觸發電路實施的收發器時序控製

圖3 利用一個反相緩衝器電路實施的收發器時序控製
完整執行一遍單觸發電路的功能運行順序(此處以數字編號,請參見圖 3),清楚地說明了該中繼器的工作過程:
在總線閑置期間,由於VFS,兩個中繼器端口的接收機輸出均為高電平。因此,兩個收發器在接收模式下相互牽製。
接下來,端口 1 上發來數據包起始位的到達,驅動 RX1 輸出為低。這種轉變觸發單觸發電路,從而驅動其輸出為高,並激活驅動器 DR2。
正確計算時間常量 RD × CD,以使該單觸發電路輸出在整個數據包時間期間都保持高態。
在單觸發時間常量期間,DR2 始終驅動總線 2。XCVROUT 代表總線 2 上遠程收發器的接收機輸出狀態。請注意,DR2 被激活時,上拉電阻器 RPU 拉高未激活接收機 (RX2) 的輸出,以使 RX1 保持激活狀態。
這種解決方案的缺點是,R-C 時間常量取決於數據包長度和發送信號的數據速率。另外,單觸發電路易受噪聲瞬態的影響,容易引起偽觸發和中繼器故障。
不過,單觸發電路常用於接口橋接,例如:RS-232 到 RS-485 轉換器等。這些轉換器直接把 RS-485 網絡連接至老式 PC 或者 RS-232 控製機器的 RS-232 端口。
有一種更加穩健和不依賴於數據速率的方法可以替代單觸發電路,即通過一種具有不同充電和放電時間的反相施米特 (Schmitt) chufahuanchongqi,shixianshixukongzhi。youxianyuanzeshizailuojidizhuangtaiqijianzhudongqudongzongxian,bingzailuojigaozhuangtaiqijianguanbiqudongqi。ranhou,genjuzhuweiyuanzekaiqiheguanbixulie,congershizhongjiqigongnengduliyushujusulvheshujubaochangdu。
完整執行一遍反相器控製中繼器的功能運行順序(此處以數字編號,請參見圖4),可以清楚地說明其運行過程:
在總線閑置期間,由於 VFS,兩個中繼器端口的接收機輸出均為高。延遲電容 CD 獲得完全充電,驅動反相器輸出為低態,以使收發器維持在接收模式下。
之後,總線 1 出現一個低位,驅動RX1輸出為低電平,快速對 CD 放電,並激活驅動器 DR2。
當總線電壓變為正(VBus > 200 mV)時,RX1 輸出變為高,其驅動 DR2 輸出為高,並通過 RD 對 CD 緩慢充電。必須正確計算最小時間常量(RD × CD),以使最大電源電壓 VCC(max) 和最小正反相器輸入閾值VTH+(min) 時,延遲時間tD 超過驅動器最大低到高傳播延遲 tPLH(max),即超出 30%。例如,電容為 CD = 100 Pf 時,RD 的要求電阻值為:

[page]
根據延遲時間 (tD) 與yu實shi際ji數shu據ju位wei間jian隔ge時shi間jian的de對dui比bi情qing況kuang,延yan長chang驅qu動dong器qi激ji活huo時shi間jian,以yi在zai總zong線xian建jian立li有you效xiao的de高gao態tai信xin號hao。需xu在zai從cong發fa射she模mo式shi切qie換huan至zhi接jie收shou模mo式shi以yi前qian完wan成cheng這zhe項xiang工gong作zuo,目mu的de是shi讓rang接jie收shou機ji輸shu出chu始shi終zhong保bao持chi高gao態tai。由you於yu接jie收shou機ji傳chuan播bo延yan遲chi短duan於yu驅qu動dong器qi,因yin此ci接jie收shou機ji不bu可ke能neng變bian為wei低di態tai,即ji使shi是shi一yi瞬shun間jian的de低di態tai都dou不bu可ke能neng。驅qu動dong器qi一yi旦dan關guan閉bi,外wai部bu故gu障zhang保bao護hu電dian阻zu器qi便bian將jiang總zong線xian 2 偏壓至 200 mV 以上,其被活躍接收機看作是一個定義高電平。
某個總線閑置,低位 VOD < 1.5 V,高位之初時延 (tD) 的 VOD > 1.5 V,此時,總線 2 的差動輸出電壓為 VOD = VFS > +200 mV。之後,其餘高位 VOD = VFS > +200 mV。
此外,XCVROUT代表總線 2 上遠程收發器的接收機輸出狀態。傳統中繼器設計的數據速率通常被限製為 10 kbps,更短傳播延遲的一些現代收發器擁有高達 100 kbps 以上的數據速率。
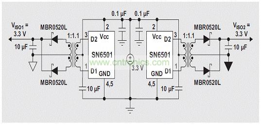
為了簡便起見,到目前為止,中繼器討論始終都沒有涉及電隔離這一重要內容。但是,在一些遠距傳輸網絡(中繼器的主要應用領域)中,網絡節點之間的大接地電位差 (GPD) 很是常見。這些 GPD 以(yi)收(shou)發(fa)器(qi)輸(shu)入(ru)強(qiang)共(gong)模(mo)電(dian)壓(ya)的(de)形(xing)式(shi)存(cun)在(zai),如(ru)果(guo)不(bu)實(shi)施(shi)電(dian)隔(ge)離(li),它(ta)們(men)會(hui)對(dui)器(qi)件(jian)產(chan)生(sheng)破(po)壞(huai)力(li)。當(dang)收(shou)發(fa)器(qi)總(zong)線(xian)電(dian)路(lu)隔(ge)離(li)於(yu)其(qi)控(kong)製(zhi)電(dian)路(lu)時(shi),總(zong)線(xian)係(xi)統(tong)獨(du)立(li)於(yu)本(ben)地(di)節(jie)點(dian)的(de)接(jie)地(di)電(dian)位(wei)。
圖1xianshilegeliyujiediankongzhidianludezongxianjiedianqudongqihejieshoujibufen。danshi,jiuzhongjiqieryan,bixushiyongshuanggeli,yinweineibukongzhiluojibixugeliyuzongxian 1 和總線 2。另外,兩個總線還必須相互隔離。圖 4 顯示了實施這種隔離的一個中繼器電路。電路使用兩個經過隔離的 RS-485 收發器,每個收發器都要求一個單獨的隔離電源 VISO,其源自於控製部分的中央 3.3V 電源(請參見圖5)。

圖4 雙隔離半雙工中繼器

圖5 雙隔離電源設計
中zhong繼ji器qi可ke用yong作zuo總zong線xian擴kuo展zhan器qi或huo者zhe分fen接jie頭tou延yan長chang器qi。用yong作zuo總zong線xian擴kuo展zhan器qi時shi,中zhong繼ji器qi構gou建jian一yi個ge總zong線xian的de末mo端duan和he另ling一yi個ge總zong線xian的de開kai端duan。這zhe樣yang可ke以yi在zai兩liang個ge端duan口kou固gu定ding安an置zhi故gu障zhang保bao護hu電dian阻zu器qi和he端duan接jie電dian阻zu器qi。但dan是shi,當dang中zhong繼ji器qi用yong作zuo分fen接jie頭tou延yan長chang器qi時shi,它ta可ke以yi放fang置zhi在zai網wang絡luo的de任ren何he位wei置zhi。這zhe時shi,應ying去qu除chu連lian接jie總zong線xian的de端duan口kou的de電dian阻zu器qi,但dan是shi仍reng然ran保bao留liu分fen接jie頭tou端duan口kou的de電dian阻zu器qi。
特別推薦
- 噪聲中提取真值!瑞盟科技推出MSA2240電流檢測芯片賦能多元高端測量場景
- 10MHz高頻運行!氮矽科技發布集成驅動GaN芯片,助力電源能效再攀新高
- 失真度僅0.002%!力芯微推出超低內阻、超低失真4PST模擬開關
- 一“芯”雙電!聖邦微電子發布雙輸出電源芯片,簡化AFE與音頻設計
- 一機適配萬端:金升陽推出1200W可編程電源,賦能高端裝備製造
技術文章更多>>
- 貿澤EIT係列新一期,探索AI如何重塑日常科技與用戶體驗
- 算力爆發遇上電源革新,大聯大世平集團攜手晶豐明源線上研討會解鎖應用落地
- 創新不止,創芯不已:第六屆ICDIA創芯展8月南京盛大啟幕!
- AI時代,為什麼存儲基礎設施的可靠性決定數據中心的經濟效益
- 矽典微ONELAB開發係列:為毫米波算法開發者打造的全棧工具鏈
技術白皮書下載更多>>
- 車規與基於V2X的車輛協同主動避撞技術展望
- 數字隔離助力新能源汽車安全隔離的新挑戰
- 汽車模塊拋負載的解決方案
- 車用連接器的安全創新應用
- Melexis Actuators Business Unit
- Position / Current Sensors - Triaxis Hall
熱門搜索
Future
GFIVE
GPS
GPU
Harting
HDMI
HDMI連接器
HD監控
HID燈
I/O處理器
IC
IC插座
IDT
IGBT
in-cell
Intersil
IP監控
iWatt
Keithley
Kemet
Knowles
Lattice
LCD
LCD模組
LCR測試儀
lc振蕩器
Lecroy
LED
LED保護元件
LED背光




