利用變壓器實現電子鎮流器的局部整流效應保護功能
發布時間:2012-01-11
中心議題:
- 電子鎮流器的局部整流效應產生機理及現狀
- 電子鎮流器的局部整流效應保護電路的工作原理
解決方案:
- 利用變壓器實現電子鎮流器的局部整流效應保護功能設計
1 引言
現有電子鎮流器的異常情況有下列五種狀態,分別為:燈不接入狀態;燈的一個陰極損壞使燈處於不能啟動的狀態;燈的陰極完好,但不能啟動狀態(去激活狀態);啟動器開關短路狀態;燈尚能工作,但燈的2個陰極中有一個已去激活或損壞。
zaixianjieduan,yibandianzizhenliuqidouyijuyouyichangzhuangtaibaohudianlu,congerbimianledenghezhenliuqigezhonganquanguzhangdechansheng。shangshuqiansizhongyichangzhuangtaidounenghenhaodejiejue。
而第五種異常狀態就是IEC61347-2-3標biao準zhun最zui新xin版ban的de內nei容rong,即ji所suo謂wei的de局ju部bu整zheng流liu效xiao應ying。電dian子zi鎮zhen流liu器qi因yin局ju部bu整zheng流liu效xiao應ying所suo造zao成cheng的de超chao功gong率lv輸shu出chu能neng量liang,有you很hen大da部bu分fen會hui使shi燈deng的de陰yin極ji燈deng絲si以yi及ji喇la叭ba狀zhuang玻bo璃li燒shao壞huai,燈deng頭tou溫wen升sheng上shang升sheng使shi燈deng座zuo軟ruan化hua變bian形xing,嚴yan重zhong時shi甚shen至zhi會hui發fa生sheng燈deng的de玻bo管guan壁bi因yin驟zhou熱re而er發fa生sheng開kai裂lie。上shang述shu兩liang種zhong現xian象xiang都dou可ke能neng使shi燈deng管guan跌die落luo發fa生sheng傷shang人ren的de現xian象xiang,解jie決jue局ju部bu整zheng流liu效xiao應ying尤you為wei急ji迫po。
2 局部整流效應的產生機理及現狀
局部整流效應的產生機理是:dangdengdeshoumingjiangzhongzhishi,wangwangmouyiyinjidedianzifasheliangbuzu,erlingyigeyinjizehaichuyuzhengchangzhuangtai,youyigedengdianliucongkaishichuxianbuduichengfazhandaozuihouzhiyoubanbodianliudefazhanguocheng。zhezhongjubuzhengliuxiaoyinganbiaozhundeyaoqiu,kegenjudianzizhenliuqibutongdedianyuanlituyijiyudengpeihesuobiaoxiandejubuzhengliuxiaoyingdexianxiang,yongxiashusanzhongfangfazhongshiyongdeyigefangfalaijianyanqihegexing。shiyanfangfaxiangjianIEC61347-2-3。
⑴不對稱脈衝試驗。模擬燈一會兒產生不對稱弧光放電,一會兒產生半波弧光放電和(或)半波輝光放電的現象。
⑵不對稱功率試驗。模擬連續放電緩慢地產生局部整流效應的現象。
⑶燈絲開路試驗。
解(jie)決(jue)局(ju)部(bu)整(zheng)流(liu)效(xiao)應(ying)的(de)難(nan)處(chu),就(jiu)是(shi)對(dui)局(ju)部(bu)整(zheng)流(liu)效(xiao)應(ying)故(gu)障(zhang)的(de)可(ke)靠(kao)檢(jian)測(ce)。在(zai)局(ju)部(bu)整(zheng)流(liu)效(xiao)應(ying)發(fa)展(zhan)過(guo)程(cheng)中(zhong),燈(deng)電(dian)流(liu)中(zhong)的(de)波(bo)動(dong)直(zhi)流(liu)分(fen)量(liang)所(suo)造(zao)成(cheng)的(de)電(dian)子(zi)鎮(zhen)流(liu)器(qi)超(chao)載(zai)現(xian)象(xiang),不(bu)足(zu)以(yi)使(shi)電(dian)子(zi)鎮(zhen)流(liu)器(qi)內(nei)的(de)保(bao)護(hu)電(dian)路(lu)動(dong)作(zuo)。電(dian)子(zi)鎮(zhen)流(liu)器(qi)內(nei)的(de)保(bao)護(hu)電(dian)路(lu)如(ru)果(guo)靈(ling)敏(min)度(du)太(tai)高(gao),一(yi)般(ban)會(hui)使(shi)燈(deng)在(zai)低(di)溫(wen)啟(qi)動(dong)時(shi)尚(shang)未(wei)能(neng)啟(qi)動(dong)就(jiu)轉(zhuan)入(ru)保(bao)護(hu)狀(zhuang)態(tai),使(shi)燈(deng)不(bu)能(neng)轉(zhuan)入(ru)正(zheng)常(chang)工(gong)作(zuo)。同(tong)時(shi),由(you)於(yu)電(dian)子(zi)鎮(zhen)流(liu)器(qi)設(she)計(ji)和(he)製(zhi)造(zao)技(ji)術(shu)的(de)進(jin)步(bu),要(yao)求(qiu)電(dian)子(zi)鎮(zhen)流(liu)器(qi)有(you)較(jiao)好(hao)超(chao)負(fu)載(zai)的(de)能(neng)力(li),這(zhe)就(jiu)讓(rang)局(ju)部(bu)整(zheng)流(liu)效(xiao)應(ying)解(jie)決(jue)起(qi)來(lai)很(hen)是(shi)困(kun)難(nan)。
現(xian)有(you)的(de)解(jie)決(jue)方(fang)案(an)無(wu)非(fei)是(shi)檢(jian)測(ce)輸(shu)出(chu)電(dian)壓(ya)峰(feng)值(zhi)的(de)變(bian)化(hua),或(huo)者(zhe)檢(jian)測(ce)輸(shu)出(chu)電(dian)感(gan)上(shang)電(dian)流(liu)的(de)變(bian)化(hua),進(jin)行(xing)控(kong)製(zhi)保(bao)護(hu)回(hui)路(lu)。這(zhe)樣(yang)設(she)計(ji)出(chu)來(lai)的(de)產(chan)品(pin)保(bao)護(hu)性(xing)能(neng)一(yi)致(zhi)性(xing)很(hen)差(cha),受(shou)不(bu)同(tong)型(xing)號(hao)燈(deng)管(guan)的(de)影(ying)響(xiang)也(ye)很(hen)大(da),無(wu)法(fa)可(ke)靠(kao)解(jie)決(jue)局(ju)部(bu)整(zheng)流(liu)效(xiao)應(ying)。
3 局部整流效應保護電路的工作原理
3.1 理論依據
圖1所示的是共模電感的濾波電路,Tr2a和Tr2b就是共模電感L的兩個線圈。這兩個線圈繞在同一磁芯上,匝數和相位都相同。這樣,當電路中流過電流ia和ib的大小相同、方向相反時,電流在同相位繞製的電感線圈中產生反向的磁場而相互抵消,磁芯中沒有交變的磁通量產生。

圖1共模濾波電路
[page]
基於此考慮,在共模電感上增加一個線圈Trc,形成一個采樣變壓器的次級(如圖2所示),初級為Tr2a和Tr2b,當流過初級Tr2a和Tr2b的電流ia和ib的大小相同、方向相反時,磁芯中沒有交變的磁通量產生,Tr2c上沒有感應電壓,換句話說,采樣線圈Tr2c檢測不到電信號。

圖2 采樣變壓器
3.2 局部整流效應保護電路
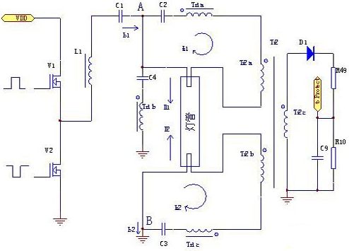
基於上述理論所設計的具有局部整流效應保護功能的電子鎮流器原理圖如圖3所示。變壓器Tr2實現對異常信號的檢測,共有三個繞組Tr2a、Tr2b和Tr2c。變壓器Tr1對燈管兩側的燈絲供電、起到燈絲預熱的效果,共有三個繞組Tr1a、Tr1b、Tr1c;Tr1b、Tr1c為匝數完全相同的兩個次級繞組。變壓器Tr2的兩個初級繞組Tr2b、Tr2c分別串聯在熒光燈燈管兩端的供電回路中,變壓器Tr2的次級繞組Tr2c的一端與整流電路的一端連接,另一端接地。所述整流電路的另一端與保護電路的啟動信號輸入端連接。
對於電路的節點A,可列方程式(1);對於電路的節點B,可列方程式(2)。
Io1=Is1+Il1 (1)
Io2=Is2+Il2 (2)
式中,Io1、Io2分別表示負載的輸入電流與輸出電流;Is1、Is2分別表示兩側燈絲電流;Il1、Il2表示燈兩側的燈電流。由戴維南定律可知:Io1=-Io2 。
當燈管正常工作時,燈管兩側的電路完全對稱,下列關係式成立。
Il1 =-Il2
由式(1)和式(2)可知:Is1=-Is2 。即流過Tr2a、Tr2b的電流大小相同、方向相反。兩者產生的磁通變化量互相抵消,從而繞組Tr2c上檢測不到電信號,保護電路不動作。
當燈管出現局部整流效應時,兩側燈電流不對稱,即Il1≠-Il2。由式(1)和式(2)可知:Is1≠-Is2 。即流過繞組Tr2a、Tr2b的電流不相等,兩者產生的磁通變化量無法相互抵消,從而變壓器Tr2中有交變的磁通量產生,繞組Tr2c就產生感應電壓。對這感應電壓進行整流濾波後送至保護控製回路,實現保護功能。

圖3 變壓器實現局部整流效應保護的原理圖
4 結論
在IEC61347-2-3標準的最新修訂本中,隻給出了T5和T4燈的局部整流效應要求,但實際的使用中T8燈也已發生了因為局部整流效應而發生燈管熔化、爆裂、燈座熔化及跌落現象。對T8燈(deng)用(yong)的(de)電(dian)子(zi)鎮(zhen)流(liu)器(qi)也(ye)進(jin)行(xing)考(kao)核(he)試(shi)驗(yan),以(yi)保(bao)證(zheng)當(dang)燈(deng)出(chu)現(xian)局(ju)部(bu)整(zheng)流(liu)效(xiao)應(ying)時(shi),不(bu)發(fa)生(sheng)上(shang)述(shu)危(wei)及(ji)使(shi)用(yong)安(an)全(quan)的(de)現(xian)象(xiang)。基(ji)於(yu)上(shang)述(shu)分(fen)析(xi)我(wo)們(men)清(qing)楚(chu)的(de)知(zhi)道(dao),該(gai)原(yuan)理(li)解(jie)決(jue)局(ju)部(bu)整(zheng)流(liu)效(xiao)應(ying)與(yu)燈(deng)管(guan)的(de)管(guan)徑(jing)粗(cu)細(xi)及(ji)燈(deng)管(guan)長(chang)短(duan)無(wu)關(guan),同(tong)時(shi)很(hen)好(hao)的(de)解(jie)決(jue)了(le)燈(deng)的(de)其(qi)它(ta)異(yi)常(chang)狀(zhuang)態(tai)的(de)保(bao)護(hu)功(gong)能(neng),如(ru):燈不接入狀態;一個陰極損壞使燈處於不能啟動的狀態;燈的陰極完好、但燈不能啟動的狀態(去激活狀態)等異常情形。
- 噪聲中提取真值!瑞盟科技推出MSA2240電流檢測芯片賦能多元高端測量場景
- 10MHz高頻運行!氮矽科技發布集成驅動GaN芯片,助力電源能效再攀新高
- 失真度僅0.002%!力芯微推出超低內阻、超低失真4PST模擬開關
- 一“芯”雙電!聖邦微電子發布雙輸出電源芯片,簡化AFE與音頻設計
- 一機適配萬端:金升陽推出1200W可編程電源,賦能高端裝備製造
- 築基AI4S:摩爾線程全功能GPU加速中國生命科學自主生態
- 一秒檢測,成本降至萬分之一,光引科技把幾十萬的台式光譜儀“搬”到了手腕上
- AI服務器電源機櫃Power Rack HVDC MW級測試方案
- 突破工藝邊界,奎芯科技LPDDR5X IP矽驗證通過,速率達9600Mbps
- 通過直接、準確、自動測量超低範圍的氯殘留來推動反滲透膜保護
- 車規與基於V2X的車輛協同主動避撞技術展望
- 數字隔離助力新能源汽車安全隔離的新挑戰
- 汽車模塊拋負載的解決方案
- 車用連接器的安全創新應用
- Melexis Actuators Business Unit
- Position / Current Sensors - Triaxis Hall



