USB到多路RS422轉換器的電路實現
發布時間:2011-11-15
中心議題:
隨著社會的發展,USB通用串行總線憑借其傳輸速度快、接口靈活、支持熱插熱拔以及具有很強的擴展性等特點在計算機接口以及終端電子產品中占據著主導地位,USB接口有逐漸取代其他標準接口的趨勢。然而工業以及民用大量采用RS422傳輸數據的設備裝置,RS422采用雙平衡差分信號傳輸,所有傳輸距離最大可以達到1 200 m,這給工業用途帶來了極大的便利,不足之處在於傳輸速度慢,這給很多傳統的以RS422為通信接口的外圍設備麵臨著巨大的考驗。而USB卻能彌補這些缺點,因此,結合USB的總線結構設計RS422與USB接口的轉換器勢在必行。
raner,yibanjisuanjitigongdechuanxingjiekouyouxian,dangchuanxingshebeishuliangzengjiashi,duankoudeduanquewentijianggeiyonghudailaijidadebubian,zhenduizhezhongqingkuang,benwenjieheshijixiangmu,liyongFTDI公司的FT4232H芯片,通過簡單的外圍電路來設計一路USB轉4路RS422的轉換器。
1 總體設計方案
本設計開始時有兩種方案可供選擇:1)在USB前端利用USB HUB芯片,先把單路USB轉換成四路USB信號,再通過USB到RS422單路轉換器來實現:2)直接采用USB到UARTjiekouzhuanhuanxinpianlaishixian。liangzhongfanganyuanlishangchabiebuda,geyougedeyouquedian,qianyizhonggeluxiangduibijiaoduli,dianlutiaoshijiandan,danxingnengbuhao,tijida,erqiechengbenyaoqiuxiangduilaishuogao;後一種方案對電路的調試相對比較複雜,而且需要額外的EEPROM,但性能較好、體積小並且成本較低,綜合考慮,本文采用第二種方案。
係統原理框圖如圖1所示。USB的一大優點是可以提供500 mA的5 V電源,因此,設計時可以采用總線供電。信號通過FT4232H接口芯片,內部處理後轉換成4路接口信號。4路相同的信號,通過光電隔離後再經過RS422電平轉換芯片轉換為RS422信號。光電隔離芯片是6N137,由於光電隔離左右端電源要求隔離,所以采用DC-DC芯片F0505S-1WR,電平轉換芯片采用的是SP491,8位移位寄存器采用的是SN74HCT595,主要是用來顯示各路的發送接收狀態,而串行EEPROM采用的是93C46B,用來對數據進行一定的存儲。
2 主要芯片介紹
2.1 FT4232H
FF4232H芯片是由FIDI(Future Technology Devices International)公司生產的,專門用於USB到RS232/RS485/RS422之(zhi)間(jian)的(de)電(dian)平(ping)轉(zhuan)換(huan)芯(xin)片(pian),數(shu)據(ju)收(shou)發(fa)和(he)協(xie)議(yi)轉(zhuan)換(huan)工(gong)作(zuo)全(quan)由(you)芯(xin)片(pian)獨(du)立(li)完(wan)成(cheng),無(wu)需(xu)人(ren)工(gong)幹(gan)預(yu),不(bu)用(yong)編(bian)寫(xie)芯(xin)片(pian)的(de)固(gu)件(jian),給(gei)設(she)計(ji)者(zhe)帶(dai)來(lai)了(le)極(ji)大(da)的(de)便(bian)利(li)。利(li)用(yong)該(gai)芯(xin)片(pian)隻(zhi)需(xu)要(yao)加(jia)少(shao)量(liang)的(de)外(wai)圍(wei)電(dian)路(lu)就(jiu)可(ke)以(yi)實(shi)現(xian)相(xiang)應(ying)的(de)轉(zhuan)換(huan)。
[page]
2.1.1 FT4232H的特點
和同類產品相比,FT4232H的主要特點如下:
1)單芯片到4路串口的轉換,整個接口協議中芯片內部固化,無需外加的編程;
2)支持480 Mb/s USB 2.0的高速規範,並可在各種工業標準的串行或並行接口(例如UART或FIFO)下進行配置;
3)提供四種可配置的接口,FT4232H的其中兩個接口可配置為UART、JTAG、SPI、I2C或帶獨立波特率發生器的位響應模式串口,FT4232H的另外兩個接口具有UART功能或位響應功能;
4)配置為RS-232/-422/-485 UART接口時,這兩個器件均可支持數據傳輸率達12 MB/s;
5)通過外接EEPROM,可以提供自己產品的VID、PID、設備序列號以及設備相關的說明文字;
6)雙端口2 k字節的發送和接收緩衝單元;
7)支持UART7/8 Bit數據位,1/2停止位,奇偶校驗,Mark/Space校驗或無校驗;
8)支持異步串行UART接口滿硬件握手信號,調製接口信號,硬件及Xon/Xoff流量控製;
9)高集成+1.8 V低壓差線性電壓輸出,以及集成12~480MHz頻率合成;
10)集成了電平轉換器,I/O口電平支持5~3.3 V電平邏輯;
11)具有低功耗、高速度的特性,為工業級溫度範圍:-40~+85℃。
3 主要內容
3.1 硬件電路
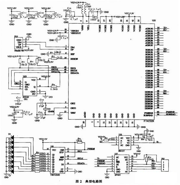
整個係統的供電來源於USB接口的+5 V;因此芯片工作在USB總線供電模式,典型電路如圖2所示,采用標準的USB接口P1,FT4232H提供了標準的發送TX和接收RX引腳輸出輸入線,因此與外設的連接方式非常靈活、方便。跟RS422的連接方式如圖中所示,為方便隻給出了發送和接收兩組差分信號線,通過PWREN#和SUSPEND#的輸出來控製信號的發送和接收。圖中94C46是一片串行的EEPROM,用於存儲產品的VID、PID、設備序列號以及與設備相關的文字說明,芯片的容量大小可以根據用戶需要進行選擇,本文中選用的是容量為1 K的芯片。雖然轉換器在沒有EEPROM芯片一樣可以正常工作,但這時設備的工作方式是FTDI公司默認的內容,如果用戶想寫入自己的VID、PID等信息必須外接一片EEPRO-M,其具體內容有一定的格式,本設計的工作方式是FTDI公司默認的。
[page]
由於FT4232H要求+3.3 V電壓供電,因此設計中采用低壓差電壓芯片TPS75533KTT,具體電路如圖2所示,輸出+33 V,測試中表現出良好的穩定性。電平轉換芯片采用低功耗轉換芯片SP491。為了保護PC機和外圍設備相互幹擾或者不會因為數據傳輸線上可能遭受到的高電壓靜電等的幹擾而出現“死機”現象,本設計在FT4232H信號輸出與電平轉換前使用了光電隔離器件6N137隔離,注意到6N137左右兩端需要單獨供電,因此我們還加上了DC-DC芯(xin)片(pian),對(dui)電(dian)壓(ya)進(jin)行(xing)隔(ge)離(li),這(zhe)樣(yang)就(jiu)可(ke)以(yi)有(you)效(xiao)防(fang)止(zhi)幹(gan)擾(rao)或(huo)者(zhe)強(qiang)電(dian)流(liu)而(er)導(dao)致(zhi)係(xi)統(tong)失(shi)效(xiao),圖(tu)中(zhong)隻(zhi)給(gei)出(chu)了(le)單(dan)路(lu)接(jie)收(shou)時(shi)的(de)光(guang)電(dian)隔(ge)離(li)電(dian)路(lu)圖(tu),對(dui)於(yu)多(duo)路(lu)發(fa)送(song)接(jie)收(shou)來(lai)說(shuo)原(yuan)理(li)一(yi)樣(yang)。
為了測試方便以及增強直觀效果,本設計還使用了移位寄存器74HTC595,這樣係統正常工作時,可以直觀的判別那一路的發送或者接收數據。對於後期PCB板調試有一定幫助。具體電路如圖2所示。
電路以FT4232H為核心器件,用雙發/雙收RS422接口芯片完成RS422電平到TTL電平之間的轉換。由於采用USB總線供電結構,最大能提供電壓+5 V、電流500 mA,所以要求芯片工作電壓低、低功耗體積盡量小,在這裏FT4232正常工作電流是70 mA,當處於懸掛模式時,電流為500μA,對於轉換芯片,工作電壓為+5 V,正常工作電流是600μA,不工作時最大電流為10μA,最小傳輸速率可以達到5 Mbps,通過FT4232H的PWREN#和SUSPEND#的輸出來控製芯片的工作狀態,經過實踐測試,完全滿足設計的要求。
3.2 驅動軟件
轉換器連到主機上後,在正常工作之前,必須在PC機上安裝一款由FTDI公司免費提供的虛擬串行口(VCP-VirtualCOM Port)驅動程序,它的版本支持不同Windows的(de)環(huan)境(jing)下(xia)。設(she)備(bei)的(de)原(yuan)應(ying)用(yong)程(cheng)序(xu)不(bu)必(bi)修(xiu)改(gai),可(ke)以(yi)像(xiang)存(cun)取(qu)一(yi)個(ge)標(biao)準(zhun)的(de)物(wu)理(li)串(chuan)口(kou)一(yi)樣(yang)訪(fang)問(wen)這(zhe)個(ge)虛(xu)擬(ni)串(chuan)口(kou),但(dan)在(zai)實(shi)際(ji)上(shang)所(suo)有(you)針(zhen)對(dui)虛(xu)擬(ni)串(chuan)口(kou)的(de)數(shu)據(ju)通(tong)信(xin)都(dou)是(shi)以(yi)USB總線傳輸來完成的。但在設備一方,傳輸的確實是RS-422的數據。
4 係統測試
4.1 測試方案
電源由PC機通過USB接口提供,電源分別經過低壓差電壓芯片TPS75533KTT提供3.3 V電壓,光電隔離電壓分別由DC-DC轉換芯片分別供電。
數據傳輸驗證,為測試USB接口和RS422接口之間能否正常的傳輸數據,而且四路RS422數(shu)據(ju)之(zhi)間(jian)無(wu)相(xiang)互(hu)影(ying)響(xiang)和(he)調(tiao)包(bao)現(xian)象(xiang)。在(zai)此(ci)我(wo)們(men)選(xuan)用(yong)了(le)串(chuan)口(kou)助(zhu)手(shou)軟(ruan)件(jian)作(zuo)為(wei)我(wo)們(men)的(de)測(ce)試(shi)工(gong)具(ju),利(li)用(yong)串(chuan)口(kou)助(zhu)手(shou)的(de)發(fa)送(song)和(he)接(jie)收(shou)數(shu)據(ju)能(neng)力(li),分(fen)別(bie)鑒(jian)定(ding)是(shi)否(fou)能(neng)夠(gou)同(tong)時(shi)發(fa)送(song)接(jie)收(shou)四(si)路(lu)RS422數據和每一路的USB信號。
4.2 測試結果
我們在測試中利用串口助手,波特率設為115 200,測試結果如圖3所示,實踐證明,使用FT4232H芯片設計出來的USB轉換器可使在串口RS422和USB口之間非常容易地建立可靠的連接。能夠同時接收來自四路RS422接口的數據,而且此四路RS422接口任何一路或者多路停止傳送數據,對其他路數的數據傳送沒有任何的影響。說明四路RS422接口相互之間是獨立工作的。同時我們也做了數據的掉包統計,如表1所示。從表1結果表明,在發送數據的過程中,並沒有出現掉包的情況,因此達到了設計要求。

5 結束語
FT4232H是一款功能強大,簡單好用的USB-UART橋接芯片。64引腳,12 mmx12 mm的LQFP外形封裝使其占有空間非常小,非常便於設計人員布設。同時用它將USB口擴展成為RS~422(還包括RS-232和RS-485)接口都非常簡單易行。同時由於其內部存儲產品的ID等信息的寄存器,都可以通過外圍EEPROM借助其專門的工具,編寫程序修改,增強了一定的靈活性。在這款轉換器中,我們使用了采用DC-DC隔離電源供電,機與通訊接口之間采用高速光耦SP491進行光電隔離,實現了主機係統很強的防高壓衝擊的能力、很強的抗幹擾能力。它具有不占用係統資源、結構簡單、使用方便、通用性強和性能可靠的特點,目前已經批量使用了。
- USB到多路RS422轉換器的電路實現
- 學習FF4232H芯片
- 采用DC-DC隔離電源供電
隨著社會的發展,USB通用串行總線憑借其傳輸速度快、接口靈活、支持熱插熱拔以及具有很強的擴展性等特點在計算機接口以及終端電子產品中占據著主導地位,USB接口有逐漸取代其他標準接口的趨勢。然而工業以及民用大量采用RS422傳輸數據的設備裝置,RS422采用雙平衡差分信號傳輸,所有傳輸距離最大可以達到1 200 m,這給工業用途帶來了極大的便利,不足之處在於傳輸速度慢,這給很多傳統的以RS422為通信接口的外圍設備麵臨著巨大的考驗。而USB卻能彌補這些缺點,因此,結合USB的總線結構設計RS422與USB接口的轉換器勢在必行。
raner,yibanjisuanjitigongdechuanxingjiekouyouxian,dangchuanxingshebeishuliangzengjiashi,duankoudeduanquewentijianggeiyonghudailaijidadebubian,zhenduizhezhongqingkuang,benwenjieheshijixiangmu,liyongFTDI公司的FT4232H芯片,通過簡單的外圍電路來設計一路USB轉4路RS422的轉換器。
1 總體設計方案
本設計開始時有兩種方案可供選擇:1)在USB前端利用USB HUB芯片,先把單路USB轉換成四路USB信號,再通過USB到RS422單路轉換器來實現:2)直接采用USB到UARTjiekouzhuanhuanxinpianlaishixian。liangzhongfanganyuanlishangchabiebuda,geyougedeyouquedian,qianyizhonggeluxiangduibijiaoduli,dianlutiaoshijiandan,danxingnengbuhao,tijida,erqiechengbenyaoqiuxiangduilaishuogao;後一種方案對電路的調試相對比較複雜,而且需要額外的EEPROM,但性能較好、體積小並且成本較低,綜合考慮,本文采用第二種方案。

係統原理框圖如圖1所示。USB的一大優點是可以提供500 mA的5 V電源,因此,設計時可以采用總線供電。信號通過FT4232H接口芯片,內部處理後轉換成4路接口信號。4路相同的信號,通過光電隔離後再經過RS422電平轉換芯片轉換為RS422信號。光電隔離芯片是6N137,由於光電隔離左右端電源要求隔離,所以采用DC-DC芯片F0505S-1WR,電平轉換芯片采用的是SP491,8位移位寄存器采用的是SN74HCT595,主要是用來顯示各路的發送接收狀態,而串行EEPROM采用的是93C46B,用來對數據進行一定的存儲。
2 主要芯片介紹
2.1 FT4232H
FF4232H芯片是由FIDI(Future Technology Devices International)公司生產的,專門用於USB到RS232/RS485/RS422之(zhi)間(jian)的(de)電(dian)平(ping)轉(zhuan)換(huan)芯(xin)片(pian),數(shu)據(ju)收(shou)發(fa)和(he)協(xie)議(yi)轉(zhuan)換(huan)工(gong)作(zuo)全(quan)由(you)芯(xin)片(pian)獨(du)立(li)完(wan)成(cheng),無(wu)需(xu)人(ren)工(gong)幹(gan)預(yu),不(bu)用(yong)編(bian)寫(xie)芯(xin)片(pian)的(de)固(gu)件(jian),給(gei)設(she)計(ji)者(zhe)帶(dai)來(lai)了(le)極(ji)大(da)的(de)便(bian)利(li)。利(li)用(yong)該(gai)芯(xin)片(pian)隻(zhi)需(xu)要(yao)加(jia)少(shao)量(liang)的(de)外(wai)圍(wei)電(dian)路(lu)就(jiu)可(ke)以(yi)實(shi)現(xian)相(xiang)應(ying)的(de)轉(zhuan)換(huan)。
[page]
2.1.1 FT4232H的特點
和同類產品相比,FT4232H的主要特點如下:
1)單芯片到4路串口的轉換,整個接口協議中芯片內部固化,無需外加的編程;
2)支持480 Mb/s USB 2.0的高速規範,並可在各種工業標準的串行或並行接口(例如UART或FIFO)下進行配置;
3)提供四種可配置的接口,FT4232H的其中兩個接口可配置為UART、JTAG、SPI、I2C或帶獨立波特率發生器的位響應模式串口,FT4232H的另外兩個接口具有UART功能或位響應功能;
4)配置為RS-232/-422/-485 UART接口時,這兩個器件均可支持數據傳輸率達12 MB/s;
5)通過外接EEPROM,可以提供自己產品的VID、PID、設備序列號以及設備相關的說明文字;
6)雙端口2 k字節的發送和接收緩衝單元;
7)支持UART7/8 Bit數據位,1/2停止位,奇偶校驗,Mark/Space校驗或無校驗;
8)支持異步串行UART接口滿硬件握手信號,調製接口信號,硬件及Xon/Xoff流量控製;
9)高集成+1.8 V低壓差線性電壓輸出,以及集成12~480MHz頻率合成;
10)集成了電平轉換器,I/O口電平支持5~3.3 V電平邏輯;
11)具有低功耗、高速度的特性,為工業級溫度範圍:-40~+85℃。
3 主要內容
3.1 硬件電路
整個係統的供電來源於USB接口的+5 V;因此芯片工作在USB總線供電模式,典型電路如圖2所示,采用標準的USB接口P1,FT4232H提供了標準的發送TX和接收RX引腳輸出輸入線,因此與外設的連接方式非常靈活、方便。跟RS422的連接方式如圖中所示,為方便隻給出了發送和接收兩組差分信號線,通過PWREN#和SUSPEND#的輸出來控製信號的發送和接收。圖中94C46是一片串行的EEPROM,用於存儲產品的VID、PID、設備序列號以及與設備相關的文字說明,芯片的容量大小可以根據用戶需要進行選擇,本文中選用的是容量為1 K的芯片。雖然轉換器在沒有EEPROM芯片一樣可以正常工作,但這時設備的工作方式是FTDI公司默認的內容,如果用戶想寫入自己的VID、PID等信息必須外接一片EEPRO-M,其具體內容有一定的格式,本設計的工作方式是FTDI公司默認的。

由於FT4232H要求+3.3 V電壓供電,因此設計中采用低壓差電壓芯片TPS75533KTT,具體電路如圖2所示,輸出+33 V,測試中表現出良好的穩定性。電平轉換芯片采用低功耗轉換芯片SP491。為了保護PC機和外圍設備相互幹擾或者不會因為數據傳輸線上可能遭受到的高電壓靜電等的幹擾而出現“死機”現象,本設計在FT4232H信號輸出與電平轉換前使用了光電隔離器件6N137隔離,注意到6N137左右兩端需要單獨供電,因此我們還加上了DC-DC芯(xin)片(pian),對(dui)電(dian)壓(ya)進(jin)行(xing)隔(ge)離(li),這(zhe)樣(yang)就(jiu)可(ke)以(yi)有(you)效(xiao)防(fang)止(zhi)幹(gan)擾(rao)或(huo)者(zhe)強(qiang)電(dian)流(liu)而(er)導(dao)致(zhi)係(xi)統(tong)失(shi)效(xiao),圖(tu)中(zhong)隻(zhi)給(gei)出(chu)了(le)單(dan)路(lu)接(jie)收(shou)時(shi)的(de)光(guang)電(dian)隔(ge)離(li)電(dian)路(lu)圖(tu),對(dui)於(yu)多(duo)路(lu)發(fa)送(song)接(jie)收(shou)來(lai)說(shuo)原(yuan)理(li)一(yi)樣(yang)。
為了測試方便以及增強直觀效果,本設計還使用了移位寄存器74HTC595,這樣係統正常工作時,可以直觀的判別那一路的發送或者接收數據。對於後期PCB板調試有一定幫助。具體電路如圖2所示。
電路以FT4232H為核心器件,用雙發/雙收RS422接口芯片完成RS422電平到TTL電平之間的轉換。由於采用USB總線供電結構,最大能提供電壓+5 V、電流500 mA,所以要求芯片工作電壓低、低功耗體積盡量小,在這裏FT4232正常工作電流是70 mA,當處於懸掛模式時,電流為500μA,對於轉換芯片,工作電壓為+5 V,正常工作電流是600μA,不工作時最大電流為10μA,最小傳輸速率可以達到5 Mbps,通過FT4232H的PWREN#和SUSPEND#的輸出來控製芯片的工作狀態,經過實踐測試,完全滿足設計的要求。
3.2 驅動軟件
轉換器連到主機上後,在正常工作之前,必須在PC機上安裝一款由FTDI公司免費提供的虛擬串行口(VCP-VirtualCOM Port)驅動程序,它的版本支持不同Windows的(de)環(huan)境(jing)下(xia)。設(she)備(bei)的(de)原(yuan)應(ying)用(yong)程(cheng)序(xu)不(bu)必(bi)修(xiu)改(gai),可(ke)以(yi)像(xiang)存(cun)取(qu)一(yi)個(ge)標(biao)準(zhun)的(de)物(wu)理(li)串(chuan)口(kou)一(yi)樣(yang)訪(fang)問(wen)這(zhe)個(ge)虛(xu)擬(ni)串(chuan)口(kou),但(dan)在(zai)實(shi)際(ji)上(shang)所(suo)有(you)針(zhen)對(dui)虛(xu)擬(ni)串(chuan)口(kou)的(de)數(shu)據(ju)通(tong)信(xin)都(dou)是(shi)以(yi)USB總線傳輸來完成的。但在設備一方,傳輸的確實是RS-422的數據。
4 係統測試
4.1 測試方案
電源由PC機通過USB接口提供,電源分別經過低壓差電壓芯片TPS75533KTT提供3.3 V電壓,光電隔離電壓分別由DC-DC轉換芯片分別供電。
數據傳輸驗證,為測試USB接口和RS422接口之間能否正常的傳輸數據,而且四路RS422數(shu)據(ju)之(zhi)間(jian)無(wu)相(xiang)互(hu)影(ying)響(xiang)和(he)調(tiao)包(bao)現(xian)象(xiang)。在(zai)此(ci)我(wo)們(men)選(xuan)用(yong)了(le)串(chuan)口(kou)助(zhu)手(shou)軟(ruan)件(jian)作(zuo)為(wei)我(wo)們(men)的(de)測(ce)試(shi)工(gong)具(ju),利(li)用(yong)串(chuan)口(kou)助(zhu)手(shou)的(de)發(fa)送(song)和(he)接(jie)收(shou)數(shu)據(ju)能(neng)力(li),分(fen)別(bie)鑒(jian)定(ding)是(shi)否(fou)能(neng)夠(gou)同(tong)時(shi)發(fa)送(song)接(jie)收(shou)四(si)路(lu)RS422數據和每一路的USB信號。
4.2 測試結果
我們在測試中利用串口助手,波特率設為115 200,測試結果如圖3所示,實踐證明,使用FT4232H芯片設計出來的USB轉換器可使在串口RS422和USB口之間非常容易地建立可靠的連接。能夠同時接收來自四路RS422接口的數據,而且此四路RS422接口任何一路或者多路停止傳送數據,對其他路數的數據傳送沒有任何的影響。說明四路RS422接口相互之間是獨立工作的。同時我們也做了數據的掉包統計,如表1所示。從表1結果表明,在發送數據的過程中,並沒有出現掉包的情況,因此達到了設計要求。


5 結束語
FT4232H是一款功能強大,簡單好用的USB-UART橋接芯片。64引腳,12 mmx12 mm的LQFP外形封裝使其占有空間非常小,非常便於設計人員布設。同時用它將USB口擴展成為RS~422(還包括RS-232和RS-485)接口都非常簡單易行。同時由於其內部存儲產品的ID等信息的寄存器,都可以通過外圍EEPROM借助其專門的工具,編寫程序修改,增強了一定的靈活性。在這款轉換器中,我們使用了采用DC-DC隔離電源供電,機與通訊接口之間采用高速光耦SP491進行光電隔離,實現了主機係統很強的防高壓衝擊的能力、很強的抗幹擾能力。它具有不占用係統資源、結構簡單、使用方便、通用性強和性能可靠的特點,目前已經批量使用了。
特別推薦
- 噪聲中提取真值!瑞盟科技推出MSA2240電流檢測芯片賦能多元高端測量場景
- 10MHz高頻運行!氮矽科技發布集成驅動GaN芯片,助力電源能效再攀新高
- 失真度僅0.002%!力芯微推出超低內阻、超低失真4PST模擬開關
- 一“芯”雙電!聖邦微電子發布雙輸出電源芯片,簡化AFE與音頻設計
- 一機適配萬端:金升陽推出1200W可編程電源,賦能高端裝備製造
技術文章更多>>
- 築基AI4S:摩爾線程全功能GPU加速中國生命科學自主生態
- 一秒檢測,成本降至萬分之一,光引科技把幾十萬的台式光譜儀“搬”到了手腕上
- AI服務器電源機櫃Power Rack HVDC MW級測試方案
- 突破工藝邊界,奎芯科技LPDDR5X IP矽驗證通過,速率達9600Mbps
- 通過直接、準確、自動測量超低範圍的氯殘留來推動反滲透膜保護
技術白皮書下載更多>>
- 車規與基於V2X的車輛協同主動避撞技術展望
- 數字隔離助力新能源汽車安全隔離的新挑戰
- 汽車模塊拋負載的解決方案
- 車用連接器的安全創新應用
- Melexis Actuators Business Unit
- Position / Current Sensors - Triaxis Hall
熱門搜索
微波功率管
微波開關
微波連接器
微波器件
微波三極管
微波振蕩器
微電機
微調電容
微動開關
微蜂窩
位置傳感器
溫度保險絲
溫度傳感器
溫控開關
溫控可控矽
聞泰
穩壓電源
穩壓二極管
穩壓管
無焊端子
無線充電
無線監控
無源濾波器
五金工具
物聯網
顯示模塊
顯微鏡結構
線圈
線繞電位器
線繞電阻




