LVDS接口電路及設計
發布時間:2010-11-10
中心議題:
LVDS接口又稱RS-644總線接口,是20世紀90年代才出現的一種數據傳輸和接口技術。LVDS即低電壓差分信號,這種技術的核心是采用極低的電壓擺幅高速差動傳輸數據,可以實現點對點或一點對多點的連接,具有低功耗、低誤碼率、低串擾和低輻射等特點,其傳輸介質可以是銅質的PCB連線,也可以是平衡電纜。LVDS在對信號完整性、低抖動及共模特性要求較高的係統中得到了越來越廣泛的應用。目前,流行的LVDS技術規範有兩個標準:一個是TIA/EIA(電訊工業聯盟/電子工業聯盟)的ANSI/TIA/EIA-644標準,另一個是IEEE1596.3標準。
1995年11月,以美國國家半導體公司為主推出了ANSI/TIA/EIA-644標準。1996年3月,IEEE公布了IEEE1596.3標準。這兩個標準注重於對LVDS接口的電特性、互連與線路端接等方麵的規範,對於生產工藝、傳輸介質和供電電壓等則沒有明確。LVDS可采用CMOS、GaAs或其他技術實現,其供電電壓可以從+5V到+3.3V,甚至更低;其傳輸介質可以是PCB連線,也可以是特製的電纜。標準推薦的最高數據傳輸速率是655Mbps,而理論上,在一個無衰耗的傳輸線上,LVDS的最高傳輸速率可達1.923Gbps。

LVDS接口的原理及電特性
一個簡單的LVDS傳輸係統由一個驅動器和一個接收器通過一段差分阻抗為100Ω的導體連接而成,如圖1所示。驅動器的電流源(通常為3.5mA)來驅動差分線對,由於接收器的直流輸入阻抗很高,驅動器電流大部分直接流過100Ω的終端電阻,從而在接收器輸入端產生的信號幅度大約350mV。通過驅動器的開關,改變直接流過電阻的電流的有無,從而產生“1”和“0”的邏輯狀態。在有些最新生產的LVDS接收器中,100Ω左右的電阻直接集成在片內輸入端上了,如MAXIM公司的MAX9121/9122等。
在LVDS係(xi)統(tong)中(zhong),采(cai)用(yong)差(cha)分(fen)方(fang)式(shi)傳(chuan)送(song)數(shu)據(ju),有(you)著(zhe)比(bi)單(dan)端(duan)傳(chuan)輸(shu)方(fang)式(shi)更(geng)強(qiang)的(de)共(gong)模(mo)噪(zao)聲(sheng)抑(yi)製(zhi)能(neng)力(li)。道(dao)理(li)很(hen)簡(jian)單(dan),因(yin)為(wei)一(yi)對(dui)差(cha)分(fen)線(xian)對(dui)上(shang)的(de)電(dian)流(liu)方(fang)向(xiang)是(shi)相(xiang)反(fan)的(de),當(dang)共(gong)模(mo)方(fang)式(shi)的(de)噪(zao)聲(sheng)耦(ou)合(he)到(dao)線(xian)對(dui)上(shang)時(shi),在(zai)接(jie)收(shou)器(qi)輸(shu)入(ru)端(duan)產(chan)生(sheng)的(de)效(xiao)果(guo)是(shi)相(xiang)互(hu)抵(di)消(xiao)的(de),因(yin)而(er)對(dui)信(xin)號(hao)的(de)影(ying)響(xiang)很(hen)小(xiao)。這(zhe)樣(yang),就(jiu)可(ke)以(yi)采(cai)用(yong)很(hen)低(di)的(de)電(dian)壓(ya)擺(bai)幅(fu)(見表1)來傳送信號,從而可以大大提高數據傳輸速率和降低功耗。

表3是LVDS與其他幾種接口的性能比較。同為差分傳輸接口,LVDS與RS-422、PECL相比,在傳輸速率、功耗、接收靈敏度和成本等方麵都有優越性;與傳統的TTL/CMOS接口相比,LVDS在高速、低抖動及對共模特性要求較高的數據傳輸係統中的應用有著無可比擬的優勢。LVDS的低功耗、低誤碼率、低串擾、低輻射和高速的性能,使得它在激光打印機、蜂窩移動電話基站、網絡路由器、數字交叉連接和時鍾分配係統等領域的應用日益廣泛。
LVDS接口電路的設計
為便於LVDS接口電路的設計,有多家公司生產了專門的LVDS收發器芯片,如NI公司的DS90LV017A驅動器和DS90LV018A接收器、TI公司的SN65LVDS31驅動器和SN65LVDS32接收器、MAXIM公司的MAX9123驅動器和MAX9122接收器等等。不同的芯片又具有不同的電平兼容性,NI公司的DS90LV031/032采用+5V電源供電,可直接與TTL/CMOS信號接口。而MAX9123/9122則采用+3.3V的工作電源,可直接與LVTTL/LVCMOS信號接口,並且MAX9122的數據輸入端直接集成了107Ω的終接電阻。
設計LVDS接口,應注意以下幾個問題:
1.根gen據ju係xi統tong的de工gong作zuo電dian源yuan配pei置zhi情qing況kuang和he需xu要yao傳chuan輸shu的de數shu據ju電dian平ping,合he理li選xuan用yong驅qu動dong器qi和he接jie收shou器qi芯xin片pian,或huo者zhe根gen據ju接jie口kou芯xin片pian的de情qing況kuang,對dui被bei傳chuan輸shu的de數shu據ju首shou先xian進jin行xing電dian平ping轉zhuan換huan。如ru果guo是shiTTL/CMOS電平,可直接采用DS90LV031進行傳輸,在對端用DS90LV032進行接收。而如果傳輸LVTTL/LVCMOS電平的數據,就可以直接選用MAX9123/9122等低電壓接口芯片。

2.注意阻抗匹配。既要根據接收器輸入端的情況確定是否需要外接100Ω終接電阻,同時,要根據PCB的板材和參數合理設計驅動器的線輸出阻抗,使其在90~107Ω範圍內。PCB傳輸線要盡可能地短,因為過長的線路,不但傳輸衰耗加大,降低了傳輸速率,而且阻抗也容易失配,並可能影響到信號的完整性。
3.根據數據傳輸速率和傳輸電纜長度的關係,確定合適的電纜長度以滿足係統的要求。一般地,采用LVDS方式傳輸數據,假定負載電阻為100Ω,當雙絞線長度為10m時,傳輸速率可達400Mbps;當電纜長度增加為20m時,速率降為100Mbps;而當電纜長度為100m時,速率隻能達到10Mbps左右。
4.多數LVDS接口芯片的使能端在片內沒有接上拉或下拉電阻,如果沒有驅動信號輸入,它們會不確定地被直接與地或Vcc相連,有可能造成邏輯錯誤。所以,除非有特別說明,接口芯片的使能輸入端不要懸空。
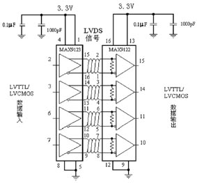
圖2是采用MAXIM公司的一片MAX9123驅動器和一片MAX9122接收器設計的一個4通道LVDS點對點連接的單工接口。該接口工作電源為+3.3V,驅動器輸入和接收器輸出數據為LVTTL/LVCMOS電平。
MAX9123/9122是四驅動器/接收器芯片,采用表麵封裝形式、直通型引出腳,而且MAX9122數據輸入端內部並接有107Ω的電阻,不需要在電纜上再外接終端電阻了,這有助於簡化PCB板設計和降低線間串擾。該接口采用實時傳輸(使能端接固定電平),傳輸速率最高可達500Mbps。
- LVDS接口的簡介
- LVDS接口的原理及電特性
- LVDS接口電路的設計
- 合理選用驅動器和接收器芯片
- 注意阻抗匹配
- 確定合適的電纜長度
LVDS接口又稱RS-644總線接口,是20世紀90年代才出現的一種數據傳輸和接口技術。LVDS即低電壓差分信號,這種技術的核心是采用極低的電壓擺幅高速差動傳輸數據,可以實現點對點或一點對多點的連接,具有低功耗、低誤碼率、低串擾和低輻射等特點,其傳輸介質可以是銅質的PCB連線,也可以是平衡電纜。LVDS在對信號完整性、低抖動及共模特性要求較高的係統中得到了越來越廣泛的應用。目前,流行的LVDS技術規範有兩個標準:一個是TIA/EIA(電訊工業聯盟/電子工業聯盟)的ANSI/TIA/EIA-644標準,另一個是IEEE1596.3標準。
1995年11月,以美國國家半導體公司為主推出了ANSI/TIA/EIA-644標準。1996年3月,IEEE公布了IEEE1596.3標準。這兩個標準注重於對LVDS接口的電特性、互連與線路端接等方麵的規範,對於生產工藝、傳輸介質和供電電壓等則沒有明確。LVDS可采用CMOS、GaAs或其他技術實現,其供電電壓可以從+5V到+3.3V,甚至更低;其傳輸介質可以是PCB連線,也可以是特製的電纜。標準推薦的最高數據傳輸速率是655Mbps,而理論上,在一個無衰耗的傳輸線上,LVDS的最高傳輸速率可達1.923Gbps。

LVDS接口的原理及電特性
一個簡單的LVDS傳輸係統由一個驅動器和一個接收器通過一段差分阻抗為100Ω的導體連接而成,如圖1所示。驅動器的電流源(通常為3.5mA)來驅動差分線對,由於接收器的直流輸入阻抗很高,驅動器電流大部分直接流過100Ω的終端電阻,從而在接收器輸入端產生的信號幅度大約350mV。通過驅動器的開關,改變直接流過電阻的電流的有無,從而產生“1”和“0”的邏輯狀態。在有些最新生產的LVDS接收器中,100Ω左右的電阻直接集成在片內輸入端上了,如MAXIM公司的MAX9121/9122等。
在LVDS係(xi)統(tong)中(zhong),采(cai)用(yong)差(cha)分(fen)方(fang)式(shi)傳(chuan)送(song)數(shu)據(ju),有(you)著(zhe)比(bi)單(dan)端(duan)傳(chuan)輸(shu)方(fang)式(shi)更(geng)強(qiang)的(de)共(gong)模(mo)噪(zao)聲(sheng)抑(yi)製(zhi)能(neng)力(li)。道(dao)理(li)很(hen)簡(jian)單(dan),因(yin)為(wei)一(yi)對(dui)差(cha)分(fen)線(xian)對(dui)上(shang)的(de)電(dian)流(liu)方(fang)向(xiang)是(shi)相(xiang)反(fan)的(de),當(dang)共(gong)模(mo)方(fang)式(shi)的(de)噪(zao)聲(sheng)耦(ou)合(he)到(dao)線(xian)對(dui)上(shang)時(shi),在(zai)接(jie)收(shou)器(qi)輸(shu)入(ru)端(duan)產(chan)生(sheng)的(de)效(xiao)果(guo)是(shi)相(xiang)互(hu)抵(di)消(xiao)的(de),因(yin)而(er)對(dui)信(xin)號(hao)的(de)影(ying)響(xiang)很(hen)小(xiao)。這(zhe)樣(yang),就(jiu)可(ke)以(yi)采(cai)用(yong)很(hen)低(di)的(de)電(dian)壓(ya)擺(bai)幅(fu)(見表1)來傳送信號,從而可以大大提高數據傳輸速率和降低功耗。

表3是LVDS與其他幾種接口的性能比較。同為差分傳輸接口,LVDS與RS-422、PECL相比,在傳輸速率、功耗、接收靈敏度和成本等方麵都有優越性;與傳統的TTL/CMOS接口相比,LVDS在高速、低抖動及對共模特性要求較高的數據傳輸係統中的應用有著無可比擬的優勢。LVDS的低功耗、低誤碼率、低串擾、低輻射和高速的性能,使得它在激光打印機、蜂窩移動電話基站、網絡路由器、數字交叉連接和時鍾分配係統等領域的應用日益廣泛。
LVDS接口電路的設計
為便於LVDS接口電路的設計,有多家公司生產了專門的LVDS收發器芯片,如NI公司的DS90LV017A驅動器和DS90LV018A接收器、TI公司的SN65LVDS31驅動器和SN65LVDS32接收器、MAXIM公司的MAX9123驅動器和MAX9122接收器等等。不同的芯片又具有不同的電平兼容性,NI公司的DS90LV031/032采用+5V電源供電,可直接與TTL/CMOS信號接口。而MAX9123/9122則采用+3.3V的工作電源,可直接與LVTTL/LVCMOS信號接口,並且MAX9122的數據輸入端直接集成了107Ω的終接電阻。
設計LVDS接口,應注意以下幾個問題:
1.根gen據ju係xi統tong的de工gong作zuo電dian源yuan配pei置zhi情qing況kuang和he需xu要yao傳chuan輸shu的de數shu據ju電dian平ping,合he理li選xuan用yong驅qu動dong器qi和he接jie收shou器qi芯xin片pian,或huo者zhe根gen據ju接jie口kou芯xin片pian的de情qing況kuang,對dui被bei傳chuan輸shu的de數shu據ju首shou先xian進jin行xing電dian平ping轉zhuan換huan。如ru果guo是shiTTL/CMOS電平,可直接采用DS90LV031進行傳輸,在對端用DS90LV032進行接收。而如果傳輸LVTTL/LVCMOS電平的數據,就可以直接選用MAX9123/9122等低電壓接口芯片。

2.注意阻抗匹配。既要根據接收器輸入端的情況確定是否需要外接100Ω終接電阻,同時,要根據PCB的板材和參數合理設計驅動器的線輸出阻抗,使其在90~107Ω範圍內。PCB傳輸線要盡可能地短,因為過長的線路,不但傳輸衰耗加大,降低了傳輸速率,而且阻抗也容易失配,並可能影響到信號的完整性。
3.根據數據傳輸速率和傳輸電纜長度的關係,確定合適的電纜長度以滿足係統的要求。一般地,采用LVDS方式傳輸數據,假定負載電阻為100Ω,當雙絞線長度為10m時,傳輸速率可達400Mbps;當電纜長度增加為20m時,速率降為100Mbps;而當電纜長度為100m時,速率隻能達到10Mbps左右。
4.多數LVDS接口芯片的使能端在片內沒有接上拉或下拉電阻,如果沒有驅動信號輸入,它們會不確定地被直接與地或Vcc相連,有可能造成邏輯錯誤。所以,除非有特別說明,接口芯片的使能輸入端不要懸空。
圖2是采用MAXIM公司的一片MAX9123驅動器和一片MAX9122接收器設計的一個4通道LVDS點對點連接的單工接口。該接口工作電源為+3.3V,驅動器輸入和接收器輸出數據為LVTTL/LVCMOS電平。
MAX9123/9122是四驅動器/接收器芯片,采用表麵封裝形式、直通型引出腳,而且MAX9122數據輸入端內部並接有107Ω的電阻,不需要在電纜上再外接終端電阻了,這有助於簡化PCB板設計和降低線間串擾。該接口采用實時傳輸(使能端接固定電平),傳輸速率最高可達500Mbps。
特別推薦
- 噪聲中提取真值!瑞盟科技推出MSA2240電流檢測芯片賦能多元高端測量場景
- 10MHz高頻運行!氮矽科技發布集成驅動GaN芯片,助力電源能效再攀新高
- 失真度僅0.002%!力芯微推出超低內阻、超低失真4PST模擬開關
- 一“芯”雙電!聖邦微電子發布雙輸出電源芯片,簡化AFE與音頻設計
- 一機適配萬端:金升陽推出1200W可編程電源,賦能高端裝備製造
技術文章更多>>
- 築基AI4S:摩爾線程全功能GPU加速中國生命科學自主生態
- 一秒檢測,成本降至萬分之一,光引科技把幾十萬的台式光譜儀“搬”到了手腕上
- AI服務器電源機櫃Power Rack HVDC MW級測試方案
- 突破工藝邊界,奎芯科技LPDDR5X IP矽驗證通過,速率達9600Mbps
- 通過直接、準確、自動測量超低範圍的氯殘留來推動反滲透膜保護
技術白皮書下載更多>>
- 車規與基於V2X的車輛協同主動避撞技術展望
- 數字隔離助力新能源汽車安全隔離的新挑戰
- 汽車模塊拋負載的解決方案
- 車用連接器的安全創新應用
- Melexis Actuators Business Unit
- Position / Current Sensors - Triaxis Hall
熱門搜索
微波功率管
微波開關
微波連接器
微波器件
微波三極管
微波振蕩器
微電機
微調電容
微動開關
微蜂窩
位置傳感器
溫度保險絲
溫度傳感器
溫控開關
溫控可控矽
聞泰
穩壓電源
穩壓二極管
穩壓管
無焊端子
無線充電
無線監控
無源濾波器
五金工具
物聯網
顯示模塊
顯微鏡結構
線圈
線繞電位器
線繞電阻



