開關變壓器第十一講 雙激式開關變壓器內部損耗分析彙總
發布時間:2009-07-27
在雙激式變壓器鐵芯中,磁滯損耗也是由流過變壓器初級線圈勵磁電流產生的磁場在鐵芯中產生的;但在單激式變壓器鐵芯中,有一部分勵磁電流存儲的能量要轉化成反激式電壓向負載輸出;而在雙激式變壓器鐵芯中,勵磁電流產生的能量基本上都是用於充磁與消磁。
雙激式變壓器鐵芯的磁滯損耗和渦流損耗在工作原理上與單激式變壓器鐵芯的磁滯損耗和渦流損耗是有區別的。
雙激式變壓器鐵芯的磁滯損耗和渦流損耗在工作原理上與單激式變壓器鐵芯的磁滯損耗和渦流損耗是有區別的。
首shou先xian雙shuang激ji式shi變bian壓ya器qi初chu級ji線xian圈quan輸shu入ru的de電dian壓ya是shi雙shuang極ji性xing脈mai衝chong,電dian源yuan在zai正zheng負fu半ban周zhou期qi間jian都dou向xiang它ta提ti供gong能neng量liang。其qi次ci,單dan激ji式shi變bian壓ya器qi鐵tie芯xin是shi靠kao變bian壓ya器qi初chu級ji線xian圈quan自zi身shen產chan生sheng的de反fan電dian動dong勢shi在zai電dian路lu中zhong產chan生sheng的de電dian流liu進jin行xing退tui磁ci的de,而er雙shuang激ji式shi變bian壓ya器qi鐵tie芯xin,除chu了le靠kao變bian壓ya器qi初chu級ji線xian圈quan自zi身shen產chan生sheng的de反fan電dian動dong勢shi在zai電dian路lu中zhong產chan生sheng的de電dian流liu進jin行xing退tui磁ci之zhi外wai,當dang另ling一yi反fan極ji性xing電dian壓ya脈mai衝chong加jia到dao變bian壓ya器qi初chu級ji線xian圈quan上shang時shi,原yuan勵li磁ci電dian流liu存cun儲chu的de能neng量liang還hai可ke以yi反fan饋kui給gei換huan相xiang輸shu入ru電dian壓ya進jin行xing充chong電dian。
在雙激式變壓器鐵芯中,磁滯損耗也是由流過變壓器初級線圈勵磁電流產生的磁場在鐵芯中產生的;但在單激式變壓器鐵芯中,有一部分勵磁電流存儲的能量要轉化成反激式電壓向負載輸出;而er在zai雙shuang激ji式shi變bian壓ya器qi鐵tie芯xin中zhong,勵li磁ci電dian流liu產chan生sheng的de能neng量liang基ji本ben上shang都dou是shi用yong於yu充chong磁ci與yu消xiao磁ci。因yin此ci,雙shuang激ji式shi變bian壓ya器qi鐵tie芯xin的de磁ci滯zhi回hui線xian的de麵mian積ji比bi單dan激ji式shi變bian壓ya器qi鐵tie芯xin磁ci滯zhi回hui線xian的de麵mian積ji大da很hen多duo,磁ci滯zhi損sun耗hao也ye大da很hen多duo。
shuangjishibianyaqitiexinwoliusunhaodejiliyudanjishibianyaqitiexinwoliusunhaodejilijibenshiyiyangde,danshuangjishibianyaqitiexindewoliusunhaoyaobidanjishibianyaqitiexindewoliusunhaodahenduo,yinwei,shuangjishibianyaqitiexindecitongmidubianhuafanweibidanjishibianyaqitiexindecitongmidubianhuafanweidahenduo。
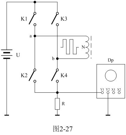
根據(2-65)式和(2-66)式以及圖2-19和圖2-20的分析結果,我們可以用圖2-27電路來測試雙激式開關變壓器的磁滯損耗和渦流損耗。與圖2-25的工作原理基本相同,圖2-27的主要工作原理是,在變壓器初級線圈兩端加一序列雙極性電壓方波,然後測試流過變壓器初級線圈的電流;

根據前麵分析,磁滯損耗主要由勵磁電流 產chan生sheng的de,但dan雙shuang激ji式shi開kai關guan變bian壓ya器qi初chu級ji線xian圈quan中zhong的de勵li磁ci電dian流liu與yu單dan激ji式shi開kai關guan變bian壓ya器qi初chu級ji線xian圈quan中zhong的de勵li磁ci電dian流liu產chan生sheng的de作zuo用yong並bing不bu完wan全quan相xiang同tong。單dan激ji式shi開kai關guan變bian壓ya器qi初chu級ji線xian圈quan中zhong的de勵li磁ci電dian流liu產chan生sheng磁ci場chang對dui變bian壓ya器qi貼tie芯xin進jin行xing充chong磁ci和he退tui磁ci外wai,其qi存cun儲chu的de能neng量liang隻zhi能neng用yong來lai作zuo為wei反fan激ji式shi輸shu出chu給gei負fu載zai,因yin為wei變bian壓ya器qi初chu級ji線xian圈quan輸shu入ru的de電dian壓ya是shi單dan極ji性xing脈mai衝chong,變bian壓ya器qi初chu級ji線xian圈quan無wu法fa換huan相xiang。
而雙激式開關變壓器初級線圈中的勵磁電流除了用來消磁和充磁以外(即轉換成磁滯損耗),qicunchudenenglianghaikeyifankuigeihuanxiangshurudianyajinxingchongdian,yinweilicidianliucunchudenengliangchanshengfandiandongshidefangxiangzhenghaoyuhuanxiangshishurudianyadefangxiangxiangfan,liangzhezuoyonghuxiangduixiao,shiyuanlailiuguochujixianquanzhongdelicidianliuyouzuidazhixunsuxiajiangdao0,即:反電動勢的能量被迅速轉移到輸入電路中,相當於能量被重複利用。
圖2-27中,U是電源電壓,N為變壓器初級線圈,控製開關K1、K2、K3、K4組成橋式開關控製電路,K1和K4為一組,K2和K3為一組,兩組開關輪流接通與斷開,把電源電壓正反向加於變壓器初級線圈兩端;R為取樣電阻,通過測量R兩端的電壓,就可以知道流過變壓器初級線圈的電流;取樣電壓被送到示波器Dp進行顯示。
圖2-28是圖2-27電路中變壓器初級線圈兩端電壓、電流以及取樣電阻上的電壓波形圖。圖2-28-a是變壓器初級線圈兩端的電壓波形;圖2-28-b是流過變壓器初級線圈兩端的電流波形;圖2-28-c是取樣電阻兩端的電壓波形。
[page]





這裏順便指出,利用(2-88)和(2-89)式來分別測試變壓器鐵心的磁滯損耗和渦流損耗是非常困難的;一(yi)個(ge)是(shi)它(ta)們(men)的(de)係(xi)數(shu)很(hen)難(nan)決(jue)定(ding),另(ling)一(yi)個(ge)是(shi)兩(liang)者(zhe)很(hen)難(nan)分(fen)別(bie)進(jin)行(xing)測(ce)量(liang),或(huo)從(cong)測(ce)量(liang)結(jie)果(guo)中(zhong)進(jin)行(xing)分(fen)離(li)。對(dui)比(bi)兩(liang)式(shi)的(de)參(can)數(shu)就(jiu)可(ke)以(yi)知(zhi)道(dao),它(ta)們(men)之(zhi)間(jian)最(zui)大(da)的(de)區(qu)別(bie)是(shi)頻(pin)率(lv)對(dui)損(sun)耗(hao)的(de)影(ying)響(xiang)程(cheng)度(du);一個是與頻率成正比,另一個是與頻率的平方成正比。
理論上可以通過改變輸入電壓頻率的方法來進行測量,然後再對測試結果進行分離;但當輸入電壓的參數與變壓器的實際工作情況相差太遠時,測試結果將毫無意義。
特別推薦
- 噪聲中提取真值!瑞盟科技推出MSA2240電流檢測芯片賦能多元高端測量場景
- 10MHz高頻運行!氮矽科技發布集成驅動GaN芯片,助力電源能效再攀新高
- 失真度僅0.002%!力芯微推出超低內阻、超低失真4PST模擬開關
- 一“芯”雙電!聖邦微電子發布雙輸出電源芯片,簡化AFE與音頻設計
- 一機適配萬端:金升陽推出1200W可編程電源,賦能高端裝備製造
技術文章更多>>
- 一秒檢測,成本降至萬分之一,光引科技把幾十萬的台式光譜儀“搬”到了手腕上
- AI服務器電源機櫃Power Rack HVDC MW級測試方案
- 突破工藝邊界,奎芯科技LPDDR5X IP矽驗證通過,速率達9600Mbps
- 通過直接、準確、自動測量超低範圍的氯殘留來推動反滲透膜保護
- 從技術研發到規模量產:恩智浦第三代成像雷達平台,賦能下一代自動駕駛!
技術白皮書下載更多>>
- 車規與基於V2X的車輛協同主動避撞技術展望
- 數字隔離助力新能源汽車安全隔離的新挑戰
- 汽車模塊拋負載的解決方案
- 車用連接器的安全創新應用
- Melexis Actuators Business Unit
- Position / Current Sensors - Triaxis Hall
熱門搜索
按鈕開關
白色家電
保護器件
保險絲管
北鬥定位
北高智
貝能科技
背板連接器
背光器件
編碼器型號
便攜產品
便攜醫療
變容二極管
變壓器
檳城電子
並網
撥動開關
玻璃釉電容
剝線機
薄膜電容
薄膜電阻
薄膜開關
捕魚器
步進電機
測力傳感器
測試測量
測試設備
拆解
場效應管
超霸科技




