充電樁模塊電路
發布時間:2021-09-13 來源:Micro_Grid 責任編輯:wenwei
【導讀】最近這幾年充電模塊是熱門,從最開始的7.5kW、10kW 到後麵的15kW、20kW,功率等級不斷的提高。市場上的充電模塊絕大部分都是三相輸入,PFC 部分也基本都是采用的三相無中線 VIENNA 結構的拓撲。借這次技術分享的機會,分享一下個人對「三相VIENNA 拓撲」的理解,希望和大家一起探討交流。
我會從以下幾個方麵進行說明:
① 主電路組成
② 工作原理
③ 控製模式
④ 控製地的選擇
⑤ 母線均壓原理
⑥ 原理仿真
一、主電路的組成如圖所示,是三相 VIENNA PFC 拓撲的主電路,大致如下:

1. 三相二極管整流橋,使用超快恢複二極管或 SiC 二極管;
2. 每相一個雙向開關,每個雙向開關由兩個 MOS 管組成,利用了其固有的反並聯體二極管,共用驅動信號,降低了控製和驅動的難度。相比其他組合方案,具有效率高、器件數量少的優點;3. 電流流過的半導體數量最少,以 a 相為例: ▪ 雙向開關 Sa 導通時,電流流過2個半導體器件,euo=0,橋臂中點被嵌位到 PFC 母線電容中點; ▪ 雙向開關關斷時,電流流過1個二極管,iu>0 時euo=400V,iu<0 時 euo=-400V,橋臂中點被嵌位到PFC 正母線或負母線。

二、工作原理
電路的工作方式靠控製 Sa、Sb、Sc 的通斷,來控製 PFC 電感的充放電,由於 PFC 的PF 值很接近1,在分析其工作原理時可以認為電感電流和輸入電壓同相,三相點平衡,並且各相差120度; 1. 主電路的等效電路① 三相三電平 Boost 整流器可以被認為是三個單相倍壓 Boost 整流器的 Y 型並聯;② 三個高頻 Boost 電感,采用 CCM 模式,減少開關電流應力和 EMI 噪聲;③ 兩個電解電容構成電容中點,提供了三電平運行的條件;

這個 eun 的表達式非常重要。
2. 主電路的開關狀態三相交流電壓波形如下,U、V、W 各相差120度

三相交流電壓波形 通過主電路可以看出,當每相的開關 Sa、Sb、Sc 導通時,U、V、W 連接到電容的中點 O,電感 La、Lb、Lc 通過 Sa、Sb、Sc 充電,每相的開關關斷時,U、V、W 連接到電容的正電平(電流為正時)後者負電平(電流為負時),電感通過 D1-D6 放電,以0~30度為例,ia、ic 大於零,ib 小於零。 每個橋臂中點有三種狀態,三個橋臂就是3^3=27種狀態,但不能同時為 PPP 和 NNN 狀態,故共有25種開關狀態(見下期下載鏈接)。 3. 主電路的發波方式主電路的工作狀態與發波方案有較大的關係,采用不同的發波方案會在每個周期產生不同的工作狀態。一般Vienna 拓撲采用 DSP 數字控製,控製靈活,可移植性強。① 采用單路鋸齒波載波調製電流環控製器輸出的調製信號被饋送給鋸齒波載波,保持恒定的開關頻率; 在0~30度這個扇區內,每個周期產生4個開關狀態,由於波形不對稱,電流波形的開關紋波的諧波比較大;采用該種方式進行調試,橋臂中點線電壓的最大步進是2Ed(Ed 為母線電壓的一半,400V);

② 采用相位相差180度的高頻三角載波,當對應的輸入電壓是正半周的時候,采用 Trg1,當對應的輸入電壓是負半周的時候采用 Trg2,每個周期產生8個開關狀態,與傳統的控製方案產生4個開關狀態相比,8個開關狀態相當於頻率翻倍,減小了輸入電流的紋波,對 THD 指標有好處;

上一張仿真的波形:

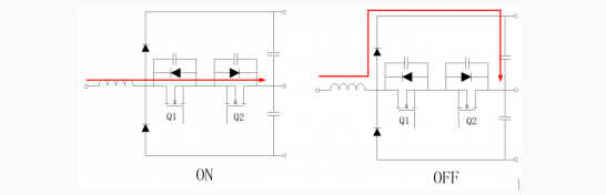
上麵我們提到,三相三電平 PFC 可以看作是三個單相的 PFC,每個單相相當於由兩個 Boost 電路組成,在交流電壓的正負半周交替工作,正半周如下所示:

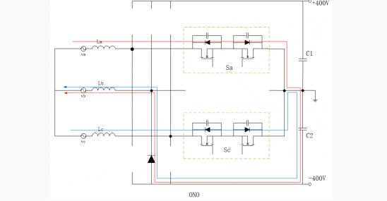
以 a 相為例,驅動信號為高時,則開關管 Q1 導通(交流電壓的正半周) 或者 Q2 導通 (交流電壓的負半周);驅動信號為低時,開關管 Q1 和 Q2 都關斷。電壓正半周時,a相上橋臂二極管導通;電壓負半周時,a 相下橋臂二極管導通。 通過上麵的分析,采用移相180度的三角載波進行調製,在0~30度的扇區內有8種開關狀態,4種工作模式ONO,ONP,OOP,POP。 ① ONO 工作模式
a 相和 c 相導通,b 相截至,U 和 W 電壓為0,V 點電壓-400V;該工作狀態隻給C2 進行充電;

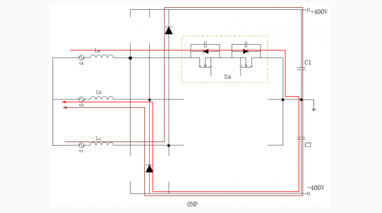
② ONP 工作模式
a 相導通,b 相和 c 相截至;U 點電壓為0,V 點電壓為-400V,W 點電壓為+400V;

③ OOP 工作模式
U 和 V 點電壓為0,W 點電壓為+400V;

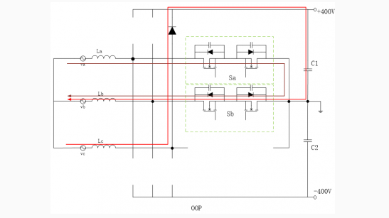
④ POP 工作模式
U 和 W 點電壓為+400V,V 點電壓為0,該工作模式隻給 C1進行充電;

當然,這隻是在0~30度扇區的工作狀態。其實在整個工頻周期,是有25個工作狀態的。
ONO 和 POP 這兩種工作模式隻給C1 或 C2 充電的狀態對後麵母線電壓均壓起決定性的作用。 我們知道,DSP 的 PWM 模塊的載波方式不能改變,一般是無法使 DSP 產生幅值相同、相移180度的載波時基.可以用正負半周不同方式實現,具體實現方式如下:

在正半周的時候跟 CMPR+比較,在負半周的時候跟 CMPR-比較。正半周的時候低有效,負半周的時候高有效。這樣就可以產生180度的相移了,其中 CMPR-是PI 計算出來的值,而 CMPR+=PRD-CMPR- 三、控製模式我們知道,這種控製電路一般采取雙環的控製方式,即電壓外環+電流內環。電壓外環得到穩定的輸出直流電壓,供後級電路的使用(如 ThreeLevel LLC、PS Interleave LLC、PSFB等),電流內環得到接近正弦的輸入電流,滿足 THD 和 PF 值的要求。

其實數字控製無非就是把模擬的方案轉換為數字的運算,其中最經典可以參考 TI 的 UC3854,利用它的控製思想來實現數字化。

PFC 母線輸出電壓經過采樣和濾波,由 DSP 的 ADC 采樣到 DSP 內部,與電壓給定信號進行比較,產生誤差後經過 Gvc(s) 補償後輸出一個 A 信號,然後通過乘法器與交流 AC 電壓相乘得到電流的給定信號,正是該乘法器的作用才能保證輸入電壓電流同相位,使電源輸入端的 PF 值接近1; 將采樣的電感電流波形與電流給定進行比較得出誤差,經過 Gic(s) 補償器進行補償後得到電流環的輸出值,該值直接與三角波進行調製,得到PWM 波形,控製電壓和電流;大致的控製框圖可以用下圖來簡化表示;

其中:▪Gcv(s) 電壓環的補償函數▪ Gci(s) 為電流環的補償函數▪ Hi(s) 為電流環采樣函數▪ Hv(s) 為電壓環采樣函數▪ Gigd(s) 為電感電流對占空比 D 的函數
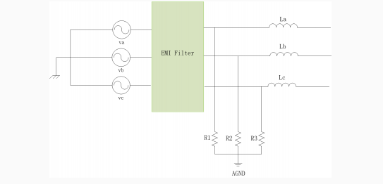
四、控製地 AGND 的選擇
在傳統的單相有橋 PFC 中,一般把 PFC 電容的負極作為控製 AGND,因為該點的電壓通過整流橋跟輸入的 L、N 相連。 ▫ 當輸入為正半周時,AGND 為整流橋鉗位在 N 線;▫ 當輸入為負半周時,AGND 被整流橋鉗位在 L 線; 所以母線電容的負極地 AGND(相當於 PE)是一個工頻的變化,由於輸入一般都是50Hz 的交流電,所以相對還是比較穩定的,可以作為控製電路的控製地。但是相比較 Vienna PFC 就不一樣了,母線電容的中點相對與工頻電壓中點 (PE) 是一個開關級的5電平高頻變動的電平:±2/3Vo、0、±1/3Vo(這裏的 Vo 代表母線電壓的一半,典型值400V),ruguoyirucidadegaopinbodongquzuoweikongzhididehua,namezaoshenghegongmoganraojiuhuifeichangda,kenenghuidaozhicaiyangdianyahequdongbuzhunque,yanzhongyingxiangdaodianludekekaoxing。youyudianrongzhongdiandegaopinbianhuabunengzuoweikongzhidi,nazenmeban?womenshifoukeyirenweidegoujianyigexunidedilaizuoweikongzhidi AGND? 我們可以采用在三相輸入之間通過分壓電阻相連,采用 Y 型接法來產生虛擬地作為控製地。不過構建了這個控製地後,那麼其他所有的采樣、驅動都要以差分和隔離的方式相對於這個控製地來工作。 采用這種方法,是不是完美的把電容中點 O 與控製地 AGND 分開了,避免了高頻劇烈變動帶來的幹擾。

五、母線均壓
我們知道,三相 Vienna PFC 拓撲的母線電壓 800V 是由兩個電容 C1 和 C2 串聯進行分壓,電容中點的電位 O youdianrongdechongfangdianjueding,lianggedianrongdedianyayinggaibaochijunhengyibaochizhenshidesandianpingyunxingtiaojian。fouzeshuchudianyakenengbaohanbuqiwangdexiebo,shenzhihuiyingxiangdaodianludewanquanxing。 三相三電平 PFC 正負母線的均衡度會影響 PFC 的性能:① 輸入電流 THD② 功率開關管和二極管的應力 (本身以及後級功率電路)③ 動態時母線電容容易過壓 電容中點的電位偏差與 PFC 正負母線電容的充放電過程相關,通過附件開關狀態可以看出,a 組和 z 組工作狀態沒有電流流入或流出電容中點,因此兩個電容的充放電是一樣的,不會產生偏壓。隻有 b、c、d 組的開關狀態才會影響到 PFC 母線電容充放電的差異,產生偏壓。根據前麵的工作原理分析,POP 工作狀態隻給電容 C1 進行充電,ONO 工作狀態隻給電容 C2 進行充電,故可以根據這兩個工作狀態來控製中點電位,在控製中可以調節 ONO 和 POP 兩個工作狀態的作用時間來進行均壓。

這個時候可以在整個控製環路中添加一個偏壓環,用於調節 ONO 和 POP 的作用時間,來進行母線電壓的均壓作用。 具體實施方法:分別對正母線和負母線進行采樣,然後得出差值 (直流分量),該gai差cha值zhi經jing過guo偏pian壓ya環huan的de補bu償chang器qi調tiao節jie之zhi後hou疊die加jia到dao輸shu入ru電dian流liu參can考kao正zheng弦xian波bo,經jing過guo精jing密mi整zheng流liu後hou變bian換huan為wei幅fu值zhi有you差cha異yi的de雙shuang半ban波bo作zuo為wei電dian流liu環huan的de給gei定ding,以yi此ci來lai改gai變bian ONO 和 POP 的作用時間,改善PFC 母線均壓。

如下圖所示:compa、compb 和 compc 分別是每相的電流環計算出來的結果,以0~30度扇區為例,當正母線相對於中點的電壓低於負母線時,正半波的給定變小,負半波的給定變大,POP 工作狀態的時間變長,給正母線電容的充電時間變長;
ONO gongzuozhuangtaideshijianbianduan,geifumuxiandianrongdechongdianshijianbianduan。dangzhengmuxianxiangduiyuzhongdiandedianyagaoyufumuxianshi,zhengbanbodegeidingbianda,fubanbodegeidingbianxiao,POP 的作用時間變長,給正母線電容充電的時間變短,ONO 的作用時間變長,給負母線的充電時間變長。 圖中comp 值實線代表上個周期的值,虛線代表當周期需要的值;陰影部分代表變化的時間;

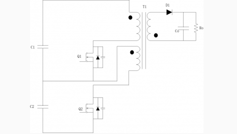
以上說明的是主功率回路正常工作時候可以通過調節來控製 PFC 母線電容的均壓,但是當模塊起機的時候呢? 可以采用輔助電源直接從+400V~-400V 之間進行取電,由於電容有差異性,內阻不可能完全相等,也會差生偏壓。 還有一個是要采用更高等級的 MOSFET,成本高,而且現在充電模塊的待機損耗也是一個問題,很多客戶要求模塊的待機損耗不能超過多少。 當dang然ran還hai有you另ling一yi種zhong輔fu助zhu電dian源yuan取qu電dian方fang式shi,也ye是shi現xian在zai廠chang家jia主zhu流liu的de方fang式shi。就jiu是shi正zheng負fu母mu線xian均jun掛gua一yi個ge輔fu助zhu電dian源yuan,在zai起qi機ji的de時shi候hou通tong過guo充chong電dian電dian阻zu給gei母mu線xian電dian容rong充chong電dian,變bian壓ya器qi采cai用yong繞rao組zu競jing爭zheng的de方fang式shi,誰shui的de母mu線xian電dian壓ya高gao,就jiu采cai用yong誰shui供gong電dian,這zhe樣yang可ke以yi很hen好hao的de保bao證zheng模mo塊kuai在zai起qi機ji過guo程cheng中zhong的de均jun壓ya效xiao果guo;在模塊正常工作起來以後,也是同樣的道理。而直接從+800V 取電沒有這種效果。
六、原理仿真

1. 輸出電壓波形

2. 仿真波形輸入電流波形,參數沒有調好,將就著看吧。

輸三相電流波形
3. 橋臂中點的線電壓輸入線電壓峰值與 PFC 總母線電壓的比值定義為調製係數 m,m=Vlp/2Ed; 其中 Vlp 是線電壓的峰值。 整流器可以被認為是與市電通過 PFC 電感連接的電壓源,為了使輸入電流正弦,橋臂中點線電壓也應該為正弦波形。而實際情況下橋臂中點線電壓是正弦 PWM 波形,諧波分量和最大步進是兩個主要考慮的因素。 ① 當輸入線電壓峰值大於 Ed 時,橋臂中點線電壓電壓波形 euv,是一個5階梯的電壓波形,幅值為0,±400V,±800V,步進是400V;

② 當輸入線電壓峰值小於 Ed 時,橋臂中線線電壓波形是一個3階梯的電壓波形,幅值為0,±400V,步進為400V;

橋臂中點相對於市電中點的電壓波形 eun,是一個9階梯的電壓波形;幅值為0,±133V,±266V,±400V,最小步進是133V,最大步進是266V;由於功率開關管和散熱器之間有寄生電容,這個階梯信號會產生共模噪聲;

電容中點O 相對於市電中點的電壓波形 eon,是一個5階梯波形,幅值為0,±133V,±266V,步進為133V;

免責聲明:本文為轉載文章,轉載此文目的在於傳遞更多信息,版權歸原作者所有。本文所用視頻、圖片、文字如涉及作品版權問題,請聯係小編進行處理。
推薦閱讀:
特別推薦
- 噪聲中提取真值!瑞盟科技推出MSA2240電流檢測芯片賦能多元高端測量場景
- 10MHz高頻運行!氮矽科技發布集成驅動GaN芯片,助力電源能效再攀新高
- 失真度僅0.002%!力芯微推出超低內阻、超低失真4PST模擬開關
- 一“芯”雙電!聖邦微電子發布雙輸出電源芯片,簡化AFE與音頻設計
- 一機適配萬端:金升陽推出1200W可編程電源,賦能高端裝備製造
技術文章更多>>
- 築基AI4S:摩爾線程全功能GPU加速中國生命科學自主生態
- 一秒檢測,成本降至萬分之一,光引科技把幾十萬的台式光譜儀“搬”到了手腕上
- AI服務器電源機櫃Power Rack HVDC MW級測試方案
- 突破工藝邊界,奎芯科技LPDDR5X IP矽驗證通過,速率達9600Mbps
- 通過直接、準確、自動測量超低範圍的氯殘留來推動反滲透膜保護
技術白皮書下載更多>>
- 車規與基於V2X的車輛協同主動避撞技術展望
- 數字隔離助力新能源汽車安全隔離的新挑戰
- 汽車模塊拋負載的解決方案
- 車用連接器的安全創新應用
- Melexis Actuators Business Unit
- Position / Current Sensors - Triaxis Hall
熱門搜索
微波功率管
微波開關
微波連接器
微波器件
微波三極管
微波振蕩器
微電機
微調電容
微動開關
微蜂窩
位置傳感器
溫度保險絲
溫度傳感器
溫控開關
溫控可控矽
聞泰
穩壓電源
穩壓二極管
穩壓管
無焊端子
無線充電
無線監控
無源濾波器
五金工具
物聯網
顯示模塊
顯微鏡結構
線圈
線繞電位器
線繞電阻




