基於UCC25800-Q1開環LLC驅動器的隔離電源方案設計
發布時間:2021-08-09 來源:Jiawei Bao, Aki Li, Bing Lu 責任編輯:wenwei
【導讀】隔(ge)離(li)驅(qu)動(dong)被(bei)廣(guang)泛(fan)的(de)應(ying)用(yong)在(zai)工(gong)業(ye)產(chan)品(pin)中(zhong),其(qi)供(gong)電(dian)隔(ge)離(li)電(dian)源(yuan)的(de)設(she)計(ji)是(shi)隔(ge)離(li)驅(qu)動(dong)設(she)計(ji)的(de)關(guan)鍵(jian)一(yi)環(huan)。傳(chuan)統(tong)的(de)隔(ge)離(li)驅(qu)動(dong)供(gong)電(dian)方(fang)案(an)多(duo)數(shu)采(cai)用(yong)反(fan)激(ji)或(huo)推(tui)挽(wan)結(jie)構(gou),而(er)與(yu)這(zhe)兩(liang)種(zhong)方(fang)案(an)進(jin)行(xing)對(dui)比(bi),LLC諧振變換器有著自己獨有的優勢,高功率密度,低噪聲,低成本。
由於係統的可靠性、冗餘性等問題,集中式控製的供電架構逐漸向分布式開環方法發展。開環控製,如50%占空比的推挽結構被廣泛的使用在提供隔離供電的場景中。然而副邊的高dv/dt會(hui)通(tong)過(guo)變(bian)壓(ya)器(qi)原(yuan)副(fu)邊(bian)的(de)寄(ji)生(sheng)電(dian)容(rong)耦(ou)合(he)到(dao)原(yuan)邊(bian),產(chan)生(sheng)噪(zao)聲(sheng),甚(shen)至(zhi)影(ying)響(xiang)原(yuan)邊(bian)控(kong)製(zhi)器(qi)的(de)工(gong)作(zuo)。若(ruo)想(xiang)減(jian)小(xiao)變(bian)壓(ya)器(qi)原(yuan)副(fu)邊(bian)的(de)寄(ji)生(sheng)電(dian)容(rong),可(ke)采(cai)用(yong)增(zeng)大(da)變(bian)壓(ya)器(qi)原(yuan)副(fu)邊(bian)的(de)距(ju)離(li)或(huo)使(shi)用(yong)變(bian)壓(ya)器(qi)槽(cao)式(shi)結(jie)構(gou)的(de)方(fang)法(fa)。然(ran)而(er)這(zhe)會(hui)使(shi)得(de)變(bian)壓(ya)器(qi)的(de)漏(lou)感(gan)變(bian)大(da)。漏(lou)感(gan)的(de)增(zeng)加(jia)會(hui)產(chan)生(sheng)電(dian)壓(ya)尖(jian)峰(feng)使(shi)得(de)開(kai)關(guan)管(guan)的(de)應(ying)力(li)增(zeng)大(da),同(tong)時(shi)漏(lou)感(gan)的(de)能(neng)量(liang)會(hui)造(zao)成(cheng)較(jiao)大(da)的(de)功(gong)率(lv)損(sun)耗(hao),影(ying)響(xiang)電(dian)源(yuan)的(de)效(xiao)率(lv)。為(wei)了(le)在(zai)不(bu)降(jiang)低(di)係(xi)統(tong)性(xing)能(neng)的(de)情(qing)況(kuang)下(xia),使(shi)用(yong)更(geng)小(xiao)寄(ji)生(sheng)電(dian)容(rong),更(geng)大(da)漏(lou)感(gan)的(de)變(bian)壓(ya)器(qi),可(ke)以(yi)利(li)用(yong)LLC諧振變換器。在這種隔離拓撲中,當變壓器的漏感較大,諧振電容可以對其進行補償。
TI最新發布的UCC25800-Q1開環LLC變壓器驅動控製芯片集成了半橋功率電路、控製電路、保護電路以簡化隔離電源的設計。上文所敘述的LLC諧振變換器相對其他隔離電源方案的優點可以通過該控製器來實現,可以最大程度的減小由高速開關器件所產生的EMI噪聲。並且由於LLC拓撲本身所獨有的軟開關特性,也會使得整個變換器的噪聲減小、效率提高。
1 UCC25800-Q1簡要介紹
UCC25800-Q1是一款開環LLC驅動器,內部整合了半橋功率電路(含MOS驅動),控kong製zhi電dian路lu,保bao護hu電dian路lu等deng。除chu了le上shang文wen所suo述shu對dui變bian壓ya器qi漏lou感gan進jin行xing補bu償chang及ji變bian壓ya器qi原yuan副fu邊bian傳chuan導dao噪zao聲sheng減jian小xiao之zhi外wai,這zhe款kuan控kong製zhi芯xin片pian中zhong的de軟ruan起qi動dong功gong能neng也ye顯xian著zhu減jian小xiao了le變bian換huan器qi開kai機ji時shi的de衝chong擊ji電dian流liu。除chu此ci之zhi外wai,UCC25800-Q1的特點如下:
● 9~34V的輸入電壓範圍
● 極低的EMI
● 24V輸入時最大6W的輸出功率
● 通過外部電阻可設置100kHz~1.2MHz開關頻率,也可通過外部同步
● 可設置最大死區時間
● 輸入過壓、欠壓保護,輸出過流保護(保護閾值可調整),芯片過溫保護
● 控製IC可被外部關斷
● 係統智能故障代碼輸出功能
● 8引腳DGN封裝
UCC25800-Q1的引腳功能及簡要介紹如下:

2 基於UCC25800-Q1的典型設計參考
在這一部分中,為了方便進行具體的講解,本節以基於UCC25800-Q1的一款隔離電源設計為例,對芯片外圍元器件參數和係統參數選取進行詳細說明。本電源設計的參數指標如下:
● 開關頻率1MHz;
● 輸入電壓+15V,單路輸入,三路隔離輸出;
● 輸出電壓+15V/-5V;
● 單路輸出功率2W;
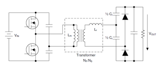
電路副邊使用的是倍壓整流方式,這種整流方式常見於高電壓低電流的應用場景中。整個電路的拓撲如圖2所示,其中Lm是變壓器的勵磁電感,Lr為變壓器的等效漏感,利用倍壓整流的電容對漏感進行諧振。半橋電路的輸出電壓幅值為0.5*VIN,經過倍壓後電壓幅值翻倍。當考慮整流二極管的導通壓降(VF)之後,整個變換器的直流增益可以用以下公式來計算:

圖2 LLC諧振變換器
2.1頻率的設置(SYNC引腳和RT引腳)
跟據LLC諧振變換器的直流增益特性可以將其分為三個工作區域,如圖3所示。在這張圖中,橫軸是以諧振頻率為基準的開關頻率的標幺值,豎軸時電路的電壓增益。

圖3 LLC的直流特性曲線
當LLC諧振變換器的開關頻率fsw設置在不同數值時,變換器的工作狀態也不同(圖中的fr為變換器中Cr與Lr串聯諧振的諧振頻率,frp為Cr與Lr、Lm三者共同串聯諧振時的諧振頻率):
● 當工作在區域1和區域2時,變換器的輸入阻抗為感性,半橋電路的MOSFET工作在ZVS(零電壓開關)區域。當變換器的開關頻率大於fr時,副邊的二極管工作在電流連續模式,不能實現ZCS (零電流開關),會產生反向恢複損耗。
● 當工作在區域3時,變換器的輸入阻抗為容性,半橋電路的MOSFET工作在ZCS區域。當MOSFET實現ZCS時,損耗會比ZVS要大一些。
當利用UCC25800-Q1進行變換器的設計時,無論是采用外部同步信號還是RT引腳電阻在芯片內部設置頻率,開關頻率應設計為諧振頻率的90%。
開關頻率的設置有兩種情況,有外部同步信號(SYNC引腳)和無外部同步信號兩種。
當無外部同步信號時,變換器的開關頻率通過RT引腳的電阻進行設置。開關頻率為fsw=RRT*10Hz/Ω。如果該引腳開路或者電阻值超過100kΩ,係統會在默認的1.2MHz下工作。
當有外部同步信號時,在1.5ms的軟啟動進程中,外部的同步信號被忽略。當軟啟動結束之後,如果該滿足一定的頻率範圍(RT管腳電阻所設置頻率的2.3倍到2.6倍),變換器則應用該信號進行工作。若同步信號的頻率不在範圍之內,則使用RT引腳的設置的開關頻率來進行工作。
若要製作一固定輸出的LLC諧振變換器,可直接通過RT引腳設置一固定開關頻率。再針對變壓器的漏感值選取相應參數的諧振電容。若想通過SYNC引腳的外部輸入方波同步信號進行同步,則外部輸入的頻率應在RT引腳配置的頻率範圍。,若在設計、調試的過程中需要進行有效的調頻調壓,應選用勵磁電感與漏感的比值Lp/Ls較小的變壓器,使獲得相同增益的頻率變化範圍變窄。
設計示例:
所設計的隔離電源的開關頻率是1MHz,通過RT引腳實現對變換器的頻率進行配置。此時則可將SYNC引腳開路。理論上RRT應為100kΩ,實際應用中我們使用97.6kΩ。電路原理圖見圖5。
2.2 變換器最大死區時間、過流保護點設置(OC/DT引腳)
變換器最大死區時間設置:
半橋電路同一橋臂的兩開關管之間應設置一死區時間,避免電路直通過流。同時,LLC諧振變換器中開關管的漏源極間的寄生電容在死區時間內被充分放電,實現有效的ZVS,減小損耗和EMI噪聲。
該引腳對最大死區時間進行設置是通過設置該點的電壓進行的。通常我們可以選擇開關周期的5%~10%作為最大死區時間。
在一定範圍內的最大死區時間可以按照如下公式進行配置:

公式(3)根據所需死區時間來配置外圍電路。
其餘情況下對應的引腳電壓和最大死區時間如下:

變換器的過流保護機製:
UCC25800-Q1提供兩種保護機製:OCP1隻對半橋電路下管采樣。如果在2ms期間內,下管電流在每個開關周期內都超過過流保護點(IOCP),OCP1保護會被觸發;OCP2對上下管均采樣,當上下管電流超過5倍IOCP過流保護點,長於100ns時,OCP2 保護被觸發。
除此之外,軟啟動期間,OCP1被禁止,OCP2的門限被固定在5*IOCPMAX(5A)。軟啟動之後,OCP1開始啟用,門限為IOCP。OCP2的門限變為為5*IOCP。這裏的IOCP可以由用戶自行配置。當OCP1或OCP2被觸發後,控製芯片的關斷時間等機製詳見手冊圖12-9、圖12-10。
變換器的過流保護點配置:
UCC25800-Q1 OC/DT引腳內部有一50µA直流源。該直流源用於設置IOCP的大小,通過配置OC/DT引腳外的戴維南等效電阻來完成。具體配置關係見下表所示:

根據表1設置Rth(該電阻為引腳上/下分壓電阻的並聯,即上文所述的戴維南等效電阻)。再根據最大死區時間(引腳複用),可計算出具體的上/下分壓電阻值。
設計示例:
本設計中,變換器開關周期為1000ns,最大死區時間為開關周期的5%~10%,則該引腳電壓應為3.9V左右。其次,三路輸出均為20V/1.2W,則輸出電流為3*1.2W/20V=180mA,要設置電路的過流保護,需計算 UCC25800-Q1的SW引腳的輸出電流,計算過程如下:
倍壓整流副邊電流的有效值為Irms-s=π*IOC/1.414=399.92mA;
原邊電流的有效值為Irms-p=Irms-s*1.5=599.88mA;
原邊電流的峰值為IpKp=599.88mA*1.414=848.36mA;
將原邊電流峰值預留30%~50%的裕量,電流保護門限為1102.4mA~1272mA,超過1A,故OCP setting為OCP1_6,Rth應介於2.45kΩ到2.55kΩ之間。最終經過計算,選取上分壓電阻為3.24 kΩ,下分壓電阻為12.4kΩ,原理圖見圖5。
2.3 主電路設計參考:
2.3.1變壓器的選型
● 根據輸入輸出電壓確定匝比
● 根據功率等級、原副邊電流額定電流選取變壓器
● 根據頻率選取磁材料
● 根據變壓器的伏微秒乘積選取磁芯
在(zai)變(bian)壓(ya)器(qi)的(de)選(xuan)型(xing)中(zhong)盡(jin)量(liang)選(xuan)取(qu)原(yuan)副(fu)邊(bian)之(zhi)間(jian)的(de)耦(ou)合(he)電(dian)容(rong)較(jiao)小(xiao)的(de)槽(cao)式(shi)變(bian)壓(ya)器(qi),可(ke)盡(jin)量(liang)減(jian)小(xiao)噪(zao)聲(sheng)的(de)傳(chuan)導(dao)。其(qi)他(ta)電(dian)路(lu)元(yuan)件(jian)選(xuan)型(xing)將(jiang)同(tong)變(bian)壓(ya)器(qi)一(yi)起(qi)在(zai)參(can)考(kao)設(she)計(ji)中(zhong)講(jiang)述(shu)。
變壓器選型參考:
本例中,變壓器匝比為15V/(20V+1V),其中1V約為兩個肖特基二極管的壓降,理論匝比為1:1.4。原副邊電流峰值分別為848mA、565mA,變壓器原邊的伏微秒乘積為1.875V· s最終選取的變壓器為Wuerth Elektronik公司的760301107,其匝比為1:1.5,伏微秒乘積為40.8V· s,變壓器的具體參數詳見手冊。
2.3.2諧振電容的選取
LLC諧振變換器應工作在欠諧振狀態,故諧振頻率可設定為1.1~1.15倍的開關頻率,再根據Cr和Lr的串聯諧振去計算Cr的值。可參考下式進行:
開關頻率1MHz,諧振頻率應在1.1MHz~1.15MHz之間。變壓器的漏感為2.9uH,最終計算得Cr應在6.6nF~7.22nF。倍壓整流中兩電容分別為3.3nF~3.61nF, 為諧振電容的一半。最終選取的電容為GRM216R71H332KA01D,3.3nF。
2.3.3平衡電阻的添加
半橋逆變電路的電容兩端應並聯平衡電阻,使得變換器工作時電容的均壓能力變強,也避免芯片在有VCC供電,而長時間關斷之後啟動時出現暫態電流衝擊觸發過流保護。本例中在串聯的兩電容兩端均並聯100kΩ的電阻。
2.3.4整流二極管的選取
整流二極管除了考慮耐壓等級、通流能力外,還應針對開關頻率選取肖特基二極管。本例中選取的為PMEG6010CEGWJ。
2.3.5負壓的產生
在設計背景下,需要15V/-5V兩路輸出,將電壓分為兩路有如下幾種方式供參考:

圖4 分離單路輸出為兩路方案
本例中采用第一種方式對輸出進行分離,選取一5.1V的穩壓管產生負壓。若需要高穩壓精度,可以采用2或3方式。方式2在負壓端添加一電壓基準可實現負壓穩壓。方式3中在負壓端采用電壓基準的情況下,在正壓端添加一線性穩壓電路實現對正端的穩壓。
3 參考設計原理圖及測試結果
3.1 參考設計原理圖
參考設計的原理圖見圖5所示:

圖5 參考設計原理圖
3.2 設計結果及分析
1) 輸出電壓調整率及效率

負載調整率曲線:

+15V輸出電壓負載調整率

-5V輸出電壓負載調整率
2)變換器的開機輸出電壓波形

空載開機波形
(Ch1:+15V輸出電壓開機波形;Ch2:-5V輸出電壓開機波形)

滿載開機波形
(Ch1:+15V輸出電壓開機波形;Ch2:-5V輸出電壓開機波形)
3)SW引腳的電壓電流波形:

圖6 SW引腳電壓電流波形
通過測試結果和實驗波形可以看到,變換器工作在欠諧振狀態,在輸入源穩定、輸出功率3.6W的情況下,保持高效率和電壓精度工作。
4 補充-開關管驅動功率的計算
隔離電源的輸出功率取決於開關管驅動電路所需的功率大小。這一部分對開關管所需的驅動功率計算進行簡要補充介紹。
開關管的驅動是通過驅動電壓信號對開關管的柵極(門極)結電容充放電進行的。對於驅動功率的計算,可以采用下公式進行:
其中, 為負載開關產生的動態損耗; 為隔離電源在驅動芯片輸出級的靜態損耗。 Qg為開關管的柵極(門極)電荷,可在規格書中獲得; Vg為驅動電壓的壓差,若以+15V/-5V作為開關管的驅動電壓,那麼Vg為20V;fsw為開關管的工作頻率。
以一款IGBT(F3L300R12MT4_B22)為例:

從數據手冊中得知Qg為2.25 µC,且該IGBT工作在10kHz。針對驅動芯片輸出級的靜態損耗,以 單通道隔離驅動UCC5350為例,規格書ICC為1.1mA,最終算得所需的驅動功率為:
若該IGBT應用在三相六開關逆變器中,設計一組三路輸出的隔離電源對上管的隔離驅動進行供電,則所設計的隔離電源總輸出功率應大於1.416W(0.472W*3)。
免責聲明:本文為轉載文章,轉載此文目的在於傳遞更多信息,版權歸原作者所有。本文所用視頻、圖片、文字如涉及作品版權問題,請聯係小編進行處理。
推薦閱讀:
特別推薦
- 噪聲中提取真值!瑞盟科技推出MSA2240電流檢測芯片賦能多元高端測量場景
- 10MHz高頻運行!氮矽科技發布集成驅動GaN芯片,助力電源能效再攀新高
- 失真度僅0.002%!力芯微推出超低內阻、超低失真4PST模擬開關
- 一“芯”雙電!聖邦微電子發布雙輸出電源芯片,簡化AFE與音頻設計
- 一機適配萬端:金升陽推出1200W可編程電源,賦能高端裝備製造
技術文章更多>>
- 築基AI4S:摩爾線程全功能GPU加速中國生命科學自主生態
- 一秒檢測,成本降至萬分之一,光引科技把幾十萬的台式光譜儀“搬”到了手腕上
- AI服務器電源機櫃Power Rack HVDC MW級測試方案
- 突破工藝邊界,奎芯科技LPDDR5X IP矽驗證通過,速率達9600Mbps
- 通過直接、準確、自動測量超低範圍的氯殘留來推動反滲透膜保護
技術白皮書下載更多>>
- 車規與基於V2X的車輛協同主動避撞技術展望
- 數字隔離助力新能源汽車安全隔離的新挑戰
- 汽車模塊拋負載的解決方案
- 車用連接器的安全創新應用
- Melexis Actuators Business Unit
- Position / Current Sensors - Triaxis Hall
熱門搜索




