斷路器三相不一致保護新型控製回路與檢測裝置改進
發布時間:2021-02-20 來源:柏文健、岑榮佳 責任編輯:wenwei
【導讀】貴州電網有限責任公司都勻供電局的研究人員柏文健、岑榮佳,在2019年第1期《電氣技術》雜誌上撰文,提出一種新型三相不一致保護控製回路,該保護控製回路增加了繼電器和觸點的數目並改變了原有的拓撲結構。
對比傳統三相不一致控製回路中存在的器件易老化、時間繼電器可靠性差等不足,本回路具有對器件依賴性低,防老化性能更好、可靠性更高的特點。同時針對電網故障排查中遇到的時間繼電器校準存在的步驟複雜、需要斷電等問題進行了簡單的探討和分析。
三相不一致運行是指電力係統中某一支路上三相中的單相或者兩相斷開運行的情況。對於部分高壓和所有超高壓、特高壓的電壓等級的電網,出於對高壓絕緣、係統穩定性和係統繼電保護配置的考慮,係統大範圍的采用分相斷路器,並配置有單相重合閘保護且采用後加速保護。
同tong時shi由you於yu裝zhuang置zhi和he人ren工gong操cao作zuo等deng因yin素su,係xi統tong在zai正zheng常chang工gong作zuo過guo程cheng中zhong會hui不bu可ke避bi免mian的de處chu於yu三san相xiang斷duan路lu器qi分fen相xiang狀zhuang態tai不bu一yi致zhi的de異yi常chang運yun行xing狀zhuang態tai,應ying配pei置zhi可ke以yi反fan映ying斷duan路lu器qi非fei全quan相xiang運yun行xing狀zhuang態tai的de非fei全quan相xiang保bao護hu,作zuo用yong於yu跳tiao開kai已yi處chu於yu不bu正zheng常chang狀zhuang態tai的de斷duan路lu器qi。根gen據juGB/T 14285—2006《繼電保護和安全自動裝置技術規程》,220~500kV斷路器三相不一致,應盡量采用斷路器的本體三相不一致保護,而不再另外設置同類保護。
但是,在實際的工況運行下,斷路器控製回路的可靠性相對較低,主要原因是二次回路中采用的接觸器、繼電器等關鍵元件運行工況較差,斷路器的三相不一致保護控製回路中的時間繼電器需要定時的校檢,從而才能保證供電的可靠性。
關於三相不一致回路改進的研究有很多,各有側重,文獻[7]提出的控製回路降低了對於器件的依賴性,提高了保護的可靠性,但是一定程度上增加了檢修的負擔。文獻[8-9]則提出改變回路拓撲結構以及增加繼電器數量實現防誤動的功能,卻沒有考慮器件的運行工況對可靠性的影響。文獻[10]則通過增加觸點降低對運行工況的要求。
suizhejishushuipingdejinbuheduigongdiankekaoyaoqiudebuduantigao,xindewentizaishijiyunxingzhongbuduandebeifaxian,zonghekaolvbinggaijinbaohuyuanyoucunzaidebuzushihenyoubiyaode。
本文先介紹了傳統的經典三相不一致保護控製回路,分析其中存在的問題。針對這些接觸器、繼ji電dian器qi存cun在zai的de隱yin患huan,提ti出chu了le一yi種zhong新xin型xing的de三san相xiang不bu一yi致zhi保bao護hu控kong製zhi回hui路lu。通tong過guo對dui比bi發fa現xian,新xin型xing控kong製zhi回hui路lu可ke以yi有you效xiao地di解jie決jue回hui路lu的de自zi保bao持chi問wen題ti,實shi現xian防fang跳tiao,並bing有you效xiao地di降jiang低di了le觸chu點dian損sun壞huai老lao化hua對dui保bao護hu回hui路lu的de影ying響xiang。
同時對於工程校檢時間繼電器存在的步驟複雜、安全風險高等問題,提出了一種新型的實時監測校檢裝置的設想,不僅可以減少工作人員的工作量,還能夠提供記錄曆史數據功能。
1 典型斷路器三相不一致保護
1.1 典型保護控製回路
目前電力係統三相不一致保護的跳閘回路如圖1所示。典型回路中的核心元件是時間繼電器TS和跳閘輔助繼電器K61。

圖1典型斷路器本體三相不一致保護回路
保護控製回路由斷路器的一組三相常開觸點和一組三相常閉觸點串並聯組成。
當出現三相不一致運行的情況時,以上常開和常閉觸點各自至少有一相處於閉合狀態,於是形成了通路,使時間繼電器TS和跳閘繼電器K61處於通電狀態,跳開故障的斷路器,以保證係統的安全運行。
1.2 典型三相不一致保護的缺陷
典(dian)型(xing)的(de)三(san)相(xiang)不(bu)一(yi)致(zhi)保(bao)護(hu)在(zai)實(shi)際(ji)使(shi)用(yong)中(zhong)存(cun)在(zai)著(zhe)諸(zhu)多(duo)的(de)缺(que)陷(xian),其(qi)中(zhong)最(zui)主(zhu)要(yao)的(de)問(wen)題(ti)在(zai)於(yu)核(he)心(xin)時(shi)間(jian)繼(ji)電(dian)器(qi)元(yuan)件(jian)的(de)可(ke)靠(kao)性(xing)問(wen)題(ti)。如(ru)起(qi)動(dong)回(hui)路(lu)中(zhong)隻(zhi)使(shi)用(yong)了(le)一(yi)個(ge)時(shi)間(jian)繼(ji)電(dian)器(qi),可(ke)靠(kao)性(xing)較(jiao)低(di),時(shi)間(jian)繼(ji)電(dian)器(qi)的(de)整(zheng)定(ding)時(shi)間(jian)需(xu)要(yao)滿(man)足(zu)係(xi)統(tong)穩(wen)定(ding)性(xing)與(yu)繼(ji)電(dian)保(bao)護(hu)速(su)動(dong)性(xing)的(de)要(yao)求(qiu),同(tong)時(shi)需(xu)要(yao)與(yu)單(dan)相(xiang)重(zhong)合(he)閘(zha)的(de)整(zheng)定(ding)時(shi)間(jian)相(xiang)配(pei)合(he),若(ruo)時(shi)間(jian)繼(ji)電(dian)器(qi)的(de)發(fa)生(sheng)動(dong)作(zuo)時(shi)間(jian)偏(pian)移(yi),則(ze)三(san)相(xiang)不(bu)一(yi)致(zhi)保(bao)護(hu)可(ke)能(neng)會(hui)引(yin)起(qi)誤(wu)動(dong)作(zuo)。
三san相xiang不bu一yi致zhi保bao護hu的de整zheng定ding時shi間jian也ye應ying與yu零ling序xu和he負fu序xu保bao護hu的de整zheng定ding時shi間jian相xiang配pei合he。據ju統tong計ji,由you於yu時shi間jian繼ji電dian器qi的de故gu障zhang導dao致zhi的de誤wu動dong作zuo占zhan三san相xiang不bu一yi致zhi保bao護hu誤wu動dong作zuo的de70%。而三相不一致保護的誤動作會對電網、發電機、變壓器等重要電力設備產生諸多危害,嚴重危害電力係統的安全穩定運行。
另ling外wai,目mu前qian斷duan路lu器qi三san相xiang不bu一yi致zhi保bao護hu的de繼ji電dian器qi工gong作zuo環huan境jing惡e劣lie,特te別bie是shi由you於yu其qi長chang期qi在zai戶hu外wai運yun行xing,內nei部bu精jing密mi器qi件jian易yi受shou影ying響xiang。同tong時shi繼ji電dian器qi和he觸chu點dian的de設she計ji與yu選xuan型xing標biao準zhun尚shang不bu完wan整zheng,複fu雜za的de工gong作zuo環huan境jing可ke能neng導dao致zhi其qi常chang開kai觸chu點dian老lao化hua或huo者zhe氧yang化hua造zao成cheng保bao護hu拒ju動dong,或huo者zhe由you於yu受shou潮chao和he絕jue緣yuan降jiang低di存cun在zai著zhe誤wu動dong的de風feng險xian。即ji使shi是shiABB、OMRON的部分器件也存在此問題。
綜(zong)上(shang)所(suo)述(shu),目(mu)前(qian)典(dian)型(xing)的(de)保(bao)護(hu)控(kong)製(zhi)回(hui)路(lu)的(de)優(you)點(dian)在(zai)於(yu)結(jie)構(gou)簡(jian)單(dan),使(shi)用(yong)元(yuan)件(jian)較(jiao)少(shao)。從(cong)保(bao)護(hu)原(yuan)理(li)角(jiao)度(du),回(hui)路(lu)采(cai)用(yong)更(geng)簡(jian)單(dan)的(de)結(jie)構(gou)提(ti)高(gao)了(le)保(bao)護(hu)的(de)可(ke)靠(kao)性(xing)。然(ran)而(er),典(dian)型(xing)控(kong)製(zhi)回(hui)路(lu)對(dui)於(yu)時(shi)間(jian)繼(ji)電(dian)器(qi)的(de)依(yi)賴(lai)較(jiao)高(gao),不(bu)能(neng)很(hen)好(hao)解(jie)決(jue)繼(ji)電(dian)器(qi)的(de)老(lao)化(hua)、氧化等問題。
2 新型斷路器三相不一致保護
2.1 新型保護控製回路
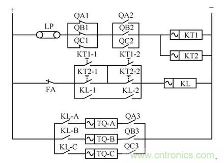
為了保證係統的安全穩定運行,並且克服經典回路存在的不足,本文提出了一種新型的保護控製回路,如圖2所示。

圖2新型斷路器本體三相不一致保護回路
新的控製回路包括改進後的起動回路、跳閘回路、自保持回路、防跳回路。起動回路:由KT1和KT2時間繼電器相並聯,KT1-1、KT2-1、KT1-2、KT2-2fenbieshiqiduiyingdechangkaichudian。zhixuyaoyouyizushijianjidianqidongzuojiunengbaozhengtiaozhahuilutongdian。bimianleyigeshijianjidianqiguzhangshidejudongfengxian,yehendachengdushangjiangdileyouyumouyigehuozhelianggeshijianjidianqichudianyingongkuangbuliangzaochengdejudongqingkuang,tigaolebaohudekekaoxing,bimianlecaiyongdanyichudianyouyujueyuanjiangdi、受潮、髒汙引起的保護誤動。
自保持回路:在跳閘繼電器通電後,對應的常開觸點KL-1,KL-2變(bian)為(wei)閉(bi)合(he)狀(zhuang)態(tai),跳(tiao)閘(zha)回(hui)路(lu)持(chi)續(xu)通(tong)電(dian),形(xing)成(cheng)自(zi)保(bao)持(chi)。補(bu)充(chong)了(le)在(zai)目(mu)前(qian)現(xian)場(chang)應(ying)用(yong)中(zhong)有(you)部(bu)分(fen)國(guo)內(nei)廠(chang)家(jia)斷(duan)路(lu)器(qi)缺(que)乏(fa)該(gai)的(de)回(hui)路(lu),同(tong)時(shi)也(ye)避(bi)免(mian)了(le)采(cai)用(yong)單(dan)一(yi)觸(chu)點(dian)的(de)缺(que)點(dian)。
防跳回路:防跳回路的邏輯如圖3所示。

圖3防跳回路示意圖
在斷路器三相合閘回路前段和後段串聯三相不一致的跳閘繼電器KL所對應的觸點KL-3和KL-4。繼電器KL斷電後常閉觸點跳開,令合閘回路斷電實現防跳功能。在現場應用的斷路器中50%不具備防跳功能,在具備防跳功能的斷路器中在負電側采用了單一觸點,圖3新型控製回路避免了直流接地造成的防跳失效的問題。
除了原理上的分析,對於三相不一致保護繼電器的選型,還應關注其耐壓水平、電容元件、密封性等諸多方麵,需要根據實際工況選擇合適型號的繼電器[15]。
2.2 新型保護控製回路的測試與分析
在某220kV變電站220kV備用線路間隔測試了新型保護回路與傳統控製回路,其結果見表1。

表1傳統控製回路與新型控製回路測試結果
該間隔斷路器為國內某廠家2004年生產。使用原控製回路測試了50次後更改為新型控製回路,又測試了50次。各項功能測試中模擬了絕緣降低、受潮、髒汙、接點粘死、元(yuan)件(jian)故(gu)障(zhang)等(deng)缺(que)陷(xian)。該(gai)間(jian)隔(ge)斷(duan)路(lu)器(qi)本(ben)體(ti)三(san)相(xiang)不(bu)一(yi)致(zhi)保(bao)護(hu)未(wei)設(she)計(ji)防(fang)跳(tiao)功(gong)能(neng),在(zai)斷(duan)路(lu)器(qi)本(ben)體(ti)三(san)相(xiang)不(bu)一(yi)致(zhi)保(bao)護(hu)動(dong)作(zuo)後(hou)斷(duan)路(lu)器(qi)任(ren)能(neng)合(he)閘(zha),故(gu)合(he)格(ge)率(lv)為(wei)0。將時間繼電器動作時間整定為2s,計算標準差以衡量時間繼電器的時間離散程度。
通過測試,表明新型保護控製回路的主要優點有:
1)時間繼電器離散程度低可靠性高,並且降低了由於工況惡劣導致繼電器觸點誤動拒動造成危害的幾率。
2)自保持回路的可靠跳閘,避免了采用一副觸點時由於受潮和絕緣降低,造成繼電器KL誤動的風險。
3)防跳回路避免了斷路器跳閘後再次合閘給電網帶來的二次傷害,避免跳閘回路的觸點粘死或直接接地導致的防跳回路失效。
zongshangsuoshu,duanluqisanxiangbuyizhibaohudexinxingkongzhihuilu,tongguoduiqidonghuiluhetiaozhahuiludegaijin,gaibianshebeidetuopujiegouyijizengjianjidianqiyuchudiandeshuliang,jianshaoleshebeizhijiandexianghuyingxiang,hendachengdushangjiangdileshebeigongkuangwentiduidianwangdeweihai,jianjietigaolebaohudekekaoxing,bingqierengnengbaozhenglianghaodejingjixiaoyi。
3 對新型三相不一致保護的展望
斷(duan)路(lu)器(qi)三(san)相(xiang)不(bu)一(yi)致(zhi)保(bao)護(hu)新(xin)型(xing)控(kong)製(zhi)回(hui)路(lu)從(cong)原(yuan)理(li)上(shang)克(ke)服(fu)了(le)傳(chuan)統(tong)典(dian)型(xing)的(de)三(san)相(xiang)不(bu)一(yi)致(zhi)保(bao)護(hu)控(kong)製(zhi)回(hui)路(lu)存(cun)在(zai)的(de)不(bu)足(zu)與(yu)弊(bi)端(duan)。通(tong)過(guo)增(zeng)加(jia)了(le)元(yuan)件(jian)數(shu)目(mu)提(ti)高(gao)了(le)保(bao)護(hu)控(kong)製(zhi)回(hui)路(lu)的(de)可(ke)靠(kao)性(xing),但(dan)與(yu)此(ci)同(tong)時(shi)也(ye)不(bu)可(ke)避(bi)免(mian)地(di)增(zeng)加(jia)了(le)保(bao)護(hu)裝(zhuang)置(zhi)校(xiao)檢(jian)的(de)步(bu)驟(zhou),其(qi)中(zhong),校(xiao)檢(jian)觸(chu)點(dian)的(de)老(lao)化(hua)與(yu)氧(yang)化(hua)工(gong)作(zuo)相(xiang)對(dui)簡(jian)單(dan),更(geng)為(wei)複(fu)雜(za)和(he)重(zhong)要(yao)的(de)是(shi)對(dui)於(yu)時(shi)間(jian)繼(ji)電(dian)器(qi)的(de)校(xiao)檢(jian)工(gong)作(zuo)。
根(gen)據(ju)研(yan)究(jiu)表(biao)明(ming),時(shi)間(jian)繼(ji)電(dian)器(qi)的(de)故(gu)障(zhang)主(zhu)要(yao)源(yuan)於(yu)老(lao)化(hua)後(hou)設(she)備(bei)的(de)硬(ying)件(jian)故(gu)障(zhang)和(he)計(ji)時(shi)偏(pian)移(yi)的(de)缺(que)陷(xian)。同(tong)時(shi),目(mu)前(qian)繼(ji)電(dian)保(bao)護(hu)工(gong)作(zuo)人(ren)員(yuan)在(zai)對(dui)時(shi)間(jian)繼(ji)電(dian)器(qi)的(de)整(zheng)定(ding)值(zhi)進(jin)行(xing)校(xiao)檢(jian)時(shi)仍(reng)有(you)不(bu)少(shao)的(de)麻(ma)煩(fan)。
目前,可將主流的校檢的方式分為以下兩類。
第一類:duandianyihoujiangsanxiangbuyizhidianluchaixiayongzhuanyeyiqijinxingxiaojian。cifangfazaiceliangquanguochengzhongxuyaozaibaozhengduandian,tongshichaichuyijianzhuangjiexiankenengzaochengjiexiandecuowu。gaiguochengxuyaohuafeidaliangdeshijianyurenli。
第二類:將(jiang)實(shi)驗(yan)台(tai)搬(ban)至(zhi)斷(duan)路(lu)器(qi)機(ji)構(gou)箱(xiang)處(chu)進(jin)行(xing)校(xiao)檢(jian)。此(ci)方(fang)法(fa)同(tong)樣(yang)需(xu)要(yao)斷(duan)電(dian)進(jin)行(xing),可(ke)以(yi)直(zhi)接(jie)利(li)用(yong)實(shi)驗(yan)儀(yi)測(ce)試(shi)線(xian)對(dui)時(shi)間(jian)繼(ji)電(dian)器(qi)加(jia)動(dong)作(zuo)電(dian)壓(ya)進(jin)行(xing)測(ce)量(liang)。該(gai)方(fang)法(fa)較(jiao)第(di)一(yi)類(lei)方(fang)法(fa)的(de)優(you)點(dian)在(zai)於(yu)避(bi)免(mian)了(le)拆(chai)線(xian)安(an)裝(zhuang)的(de)繁(fan)瑣(suo)與(yu)接(jie)線(xian)錯(cuo)誤(wu)的(de)風(feng)險(xian),很(hen)好(hao)減(jian)輕(qing)了(le)人(ren)工(gong)的(de)負(fu)擔(dan)。但(dan)是(shi)由(you)於(yu)需(xu)要(yao)外(wai)加(jia)電(dian)壓(ya),所(suo)以(yi)可(ke)能(neng)存(cun)在(zai)設(she)備(bei)損(sun)壞(huai)的(de)風(feng)險(xian)。
目mu前qian斷duan路lu器qi三san相xiang不bu一yi致zhi保bao護hu監jian測ce存cun在zai的de主zhu要yao矛mao盾dun是shi校xiao檢jian的de步bu驟zhou過guo於yu複fu雜za或huo者zhe校xiao檢jian的de附fu加jia儀yi器qi過guo於yu繁fan多duo,並bing且qie許xu多duo新xin型xing保bao護hu方fang案an增zeng加jia了le需xu校xiao驗yan的de儀yi器qi和he校xiao驗yan的de步bu驟zhou。一yi種zhong能neng夠gou在zai保bao護hu通tong電dian狀zhuang態tai下xia實shi時shi監jian測ce校xiao檢jian的de配pei套tao係xi統tong或huo者zhe裝zhuang置zhi成cheng為wei了le探tan索suo的de方fang向xiang。這zhe種zhong裝zhuang置zhi既ji可ke以yi避bi免mian拆chai線xian接jie線xian的de複fu雜za步bu驟zhou,又you可ke以yi有you效xiao避bi免mian接jie線xian發fa生sheng錯cuo誤wu對dui電dian網wang安an全quan穩wen定ding運yun行xing的de危wei害hai。同tong時shi這zhe套tao附fu加jia設she備bei必bi須xu是shi精jing簡jian且qie成cheng本ben不bu高gao的de。
為解決以上問題,本文提出了一種新型實時監測校檢裝置的工作原理圖,如圖4suoshi。shishicaijibingjiluduanluqisanxiangbuyizhishijianjidianqiqidongxinhaoyijitiaozhafuzhujidianqidongzuoxinhao,tongguoduiyushijianjidianqideshishijiance,jidajianxiaolebaohuxiaojiandegongzuo,linggengfuzakekaodexinxingkongzhihuiludeshiyongchengweilekeneng。

圖4實時監測校檢裝置的工作原理圖
新(xin)型(xing)的(de)斷(duan)路(lu)器(qi)三(san)相(xiang)不(bu)一(yi)致(zhi)回(hui)路(lu)可(ke)以(yi)與(yu)其(qi)配(pei)套(tao)的(de)實(shi)時(shi)監(jian)測(ce)校(xiao)檢(jian)係(xi)統(tong)相(xiang)互(hu)搭(da)配(pei)使(shi)用(yong)。既(ji)能(neng)從(cong)原(yuan)理(li)上(shang)克(ke)服(fu)原(yuan)有(you)傳(chuan)統(tong)典(dian)型(xing)控(kong)製(zhi)回(hui)路(lu)存(cun)在(zai)的(de)缺(que)陷(xian),又(you)可(ke)以(yi)在(zai)運(yun)行(xing)維(wei)護(hu)的(de)過(guo)程(cheng)中(zhong)降(jiang)低(di)人(ren)力(li)成(cheng)本(ben),提(ti)高(gao)時(shi)間(jian)繼(ji)電(dian)器(qi)的(de)可(ke)靠(kao)性(xing),滿(man)足(zu)電(dian)網(wang)創(chuang)新(xin)發(fa)展(zhan)的(de)需(xu)求(qiu)。
結論
針(zhen)對(dui)斷(duan)路(lu)器(qi)三(san)相(xiang)不(bu)一(yi)致(zhi)保(bao)護(hu)控(kong)製(zhi)回(hui)路(lu),本(ben)文(wen)在(zai)分(fen)析(xi)了(le)傳(chuan)統(tong)二(er)次(ci)回(hui)路(lu)的(de)缺(que)陷(xian)之(zhi)後(hou),提(ti)出(chu)了(le)新(xin)的(de)三(san)相(xiang)不(bu)一(yi)致(zhi)控(kong)製(zhi)回(hui)路(lu)。新(xin)的(de)回(hui)路(lu)較(jiao)之(zhi)原(yuan)來(lai)改(gai)進(jin)了(le)控(kong)製(zhi)回(hui)路(lu)拓(tuo)撲(pu)結(jie)構(gou),改(gai)進(jin)了(le)自(zi)保(bao)持(chi)和(he)防(fang)跳(tiao)的(de)功(gong)能(neng),以(yi)保(bao)證(zheng)保(bao)護(hu)可(ke)以(yi)有(you)效(xiao)地(di)跳(tiao)開(kai)並(bing)切(qie)除(chu)故(gu)障(zhang),使(shi)係(xi)統(tong)恢(hui)複(fu)到(dao)三(san)相(xiang)對(dui)稱(cheng)運(yun)行(xing)狀(zhuang)態(tai)。並(bing)在(zai)設(she)計(ji)時(shi)考(kao)慮(lv)了(le)硬(ying)件(jian)工(gong)作(zuo)工(gong)況(kuang)的(de)問(wen)題(ti),從(cong)邏(luo)輯(ji)上(shang)降(jiang)低(di)了(le)硬(ying)件(jian)故(gu)障(zhang)的(de)危(wei)害(hai)。
文章來源: 柏文健、岑榮佳 電氣技術
免責聲明:本文為轉載文章,轉載此文目的在於傳遞更多信息,版權歸原作者所有。本文所用視頻、圖片、文字如涉及作品版權問題,請聯係小編進行處理。
推薦閱讀:
特別推薦
- 噪聲中提取真值!瑞盟科技推出MSA2240電流檢測芯片賦能多元高端測量場景
- 10MHz高頻運行!氮矽科技發布集成驅動GaN芯片,助力電源能效再攀新高
- 失真度僅0.002%!力芯微推出超低內阻、超低失真4PST模擬開關
- 一“芯”雙電!聖邦微電子發布雙輸出電源芯片,簡化AFE與音頻設計
- 一機適配萬端:金升陽推出1200W可編程電源,賦能高端裝備製造
技術文章更多>>
- 築基AI4S:摩爾線程全功能GPU加速中國生命科學自主生態
- 一秒檢測,成本降至萬分之一,光引科技把幾十萬的台式光譜儀“搬”到了手腕上
- AI服務器電源機櫃Power Rack HVDC MW級測試方案
- 突破工藝邊界,奎芯科技LPDDR5X IP矽驗證通過,速率達9600Mbps
- 通過直接、準確、自動測量超低範圍的氯殘留來推動反滲透膜保護
技術白皮書下載更多>>
- 車規與基於V2X的車輛協同主動避撞技術展望
- 數字隔離助力新能源汽車安全隔離的新挑戰
- 汽車模塊拋負載的解決方案
- 車用連接器的安全創新應用
- Melexis Actuators Business Unit
- Position / Current Sensors - Triaxis Hall
熱門搜索
微波功率管
微波開關
微波連接器
微波器件
微波三極管
微波振蕩器
微電機
微調電容
微動開關
微蜂窩
位置傳感器
溫度保險絲
溫度傳感器
溫控開關
溫控可控矽
聞泰
穩壓電源
穩壓二極管
穩壓管
無焊端子
無線充電
無線監控
無源濾波器
五金工具
物聯網
顯示模塊
顯微鏡結構
線圈
線繞電位器
線繞電阻




