集成的門極驅動器實現電隔離的運行優勢
發布時間:2020-12-15 來源:Guy Rahamim 責任編輯:wenwei
【導讀】在zai電dian力li係xi統tong設she計ji中zhong,提ti供gong電dian氣qi隔ge離li通tong常chang是shi必bi要yao的de。保bao持chi高gao低di壓ya域yu電dian隔ge離li,防fang止zhi電dian流liu在zai它ta們men之zhi間jian流liu動dong,否fou則ze可ke能neng導dao致zhi嚴yan重zhong的de安an全quan問wen題ti。當dang然ran,隔ge離li的de域yu仍reng需xu要yao進jin行xing交jiao互hu,讓rang數shu據ju在zai它ta們men之zhi間jian傳chuan輸shu。
jinguangelihenpubian,danshiyouxiaodishixiangelirengrancunzaiwenti,youqishidangwomenxianggenggaodexitongjichengdufazhan。tadezhuyaomudeshianquan,dantayekeyitongguozuidahuagongmoshunbiankangraodu(CMTI)來lai提ti高gao性xing能neng,這zhe是shi在zai汽qi車che行xing業ye中zhong使shi用yong隔ge離li的de主zhu要yao原yuan因yin之zhi一yi。另ling一yi個ge原yuan因yin,尤you其qi是shi在zai電dian動dong汽qi車che中zhong,是shi支zhi持chi電dian壓ya域yu之zhi間jian的de電dian源yuan轉zhuan換huan和he電dian平ping轉zhuan換huan。
電源轉換係統通常使用功率MOSFET或IGBT。這些器件需要使用低壓信號由門極驅動器來開關。為(wei)保(bao)持(chi)不(bu)同(tong)的(de)電(dian)壓(ya)域(yu)獨(du)立(li)但(dan)相(xiang)互(hu)連(lian)接(jie),需(xu)要(yao)隔(ge)離(li),這(zhe)就(jiu)是(shi)個(ge)典(dian)型(xing)的(de)示(shi)例(li)。隔(ge)離(li)通(tong)常(chang)使(shi)用(yong)光(guang)耦(ou)合(he)器(qi)來(lai)實(shi)現(xian),這(zhe)至(zhi)少(shao)需(xu)要(yao)兩(liang)個(ge)分(fen)立(li)器(qi)件(jian)。發(fa)射(she)器(qi)是(shi)一(yi)個(ge)LED,接收器包括一個光電二極管。
盡管光耦合器可易於實現極高的5 kVrmshuogenggaodegeli,dantamentijidaqieyilaohua。zaimeiyouguangdeqingkuangxiashixiankuayuegelizhadetongxin,tongshirengbaoliusuoxudegelishuiping,zheshikenengde。guangouheqizaixuduoyingyongzhongkenengshilixiangdexuanze,dantidaijishudequshiyuelaiyuemingxian,jichengdegeliqijiantigonggengduobianli。yigeshilishiansenmeibandaotideNCD57001。它使用通過無芯變壓器的磁耦合在微型電感器之間創建數據路徑,從而提供5 kVrms的電氣隔離和至少100 kV / us的CMTI。

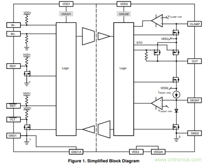
圖1:安森美半導體的先進的NCD57001門極驅動器IC
NCD57001delingyigexianzhutedianshitadeshuchuji,zhuanweijiejueyigechangjianwentierkaifa。tajuyouyigeneibuhuanchongji,weikefumilepingtaiersheji。zheshichuandiquxianquyu,zhengminglexuduomenjiqudongqidexiaowang。zaiciqijian,jishengmiledianrongshengxiao,congerjiangdilekai/關轉換速度。

為了補償米勒電容的遲滯效應,輸出緩衝器的作用是通過米勒平台(Miller Plateau)來lai增zeng加jia驅qu動dong電dian流liu。柵zha極ji端duan子zi上shang的de米mi勒le電dian容rong是shi開kai關guan損sun耗hao的de主zhu要yao原yuan因yin。當dang門men極ji電dian壓ya開kai始shi上shang升sheng且qie驅qu動dong器qi輸shu出chu電dian壓ya與yu門men極ji電dian壓ya之zhi差cha減jian小xiao時shi,提ti供gong大da電dian流liu輸shu出chu驅qu動dong,IGBT或MOSFET可以更快地通過米勒平台。這是利用輸出級的升壓效應來減少為寄生/米勒門極電容充電所需的時間來實現的。
NCD57001dewuxinbianyaqijishu,zaixinpianjimenjiqudongqizhongtigongleyouxiaodegeli。zhexiequanjichengdegelishimenjiqudongqijuyouzhenzhengdegongchengyoushi,bingqiezaixuyaoyixiaochicunshixiangaogelidudeyingyongzhongshiguanggeliqudongqidejuejiatidaipin。qiweikefumilepingtaiershejideshuchushengyajihaitigaolekaiguanxiaolv。suizheyuelaiyueduodeyingyongcaiyonggaozhiliudianya,duigaoxiaoheanquangelidexuqiuyezaizengchang。yinci,chuangxinfanganruNCD57001可真正為您的下一個功率開關應用帶來積極的改變。
推薦閱讀:
特別推薦
- 噪聲中提取真值!瑞盟科技推出MSA2240電流檢測芯片賦能多元高端測量場景
- 10MHz高頻運行!氮矽科技發布集成驅動GaN芯片,助力電源能效再攀新高
- 失真度僅0.002%!力芯微推出超低內阻、超低失真4PST模擬開關
- 一“芯”雙電!聖邦微電子發布雙輸出電源芯片,簡化AFE與音頻設計
- 一機適配萬端:金升陽推出1200W可編程電源,賦能高端裝備製造
技術文章更多>>
- 貿澤EIT係列新一期,探索AI如何重塑日常科技與用戶體驗
- 算力爆發遇上電源革新,大聯大世平集團攜手晶豐明源線上研討會解鎖應用落地
- 創新不止,創芯不已:第六屆ICDIA創芯展8月南京盛大啟幕!
- AI時代,為什麼存儲基礎設施的可靠性決定數據中心的經濟效益
- 矽典微ONELAB開發係列:為毫米波算法開發者打造的全棧工具鏈
技術白皮書下載更多>>
- 車規與基於V2X的車輛協同主動避撞技術展望
- 數字隔離助力新能源汽車安全隔離的新挑戰
- 汽車模塊拋負載的解決方案
- 車用連接器的安全創新應用
- Melexis Actuators Business Unit
- Position / Current Sensors - Triaxis Hall
熱門搜索




