增強模式NMOS晶體管用作電流鏡
發布時間:2020-12-02 來源:Antoniu Miclaus 和 Doug Mercer 責任編輯:wenwei
【導讀】理論上,N型N型金屬氧化物半導體(NMOS)電流鏡的工作原理與我們在2020年8月份學生專區文章中分析的雙極性結型晶體管(BJT)電流鏡相同。兩個具有相同柵源電壓(VGS)的相同晶體管將有相同的漏極電流ID。第二晶體管M2中的電流實際上是第一晶體管M1中電流的鏡像。
本實驗的目標是研究增強模式NMOS晶體管用作電流鏡的工作原理。
背景
理論上,N型N型金屬氧化物半導體(NMOS)電流鏡的工作原理與我們在2020年8月份學生專區文章中分析的雙極性結型晶體管(BJT)電流鏡相同。兩個具有相同柵源電壓(VGS)的相同晶體管將有相同的漏極電流ID。第二晶體管M2中的電流實際上是第一晶體管M1中電流的鏡像。記住MOS晶體管的漏極電流與柵源電壓具有如下關係:
其中,K = μnCox/2,λ可以認為是與工藝技術相關的常數。
根據定義,相同晶體管具有相同的W/L和工藝技術常數。在簡單電流鏡中,兩個晶體管具有相同的VGS。因此,兩個晶體管將有相同的ID。由於沒有電流流入,FET的柵極端子IIN = IOUT。
材料
● ADALM2000 主動學習模塊
● 無焊麵包板
● 跳線
● 兩個1 kΩ電阻(阻值盡可能接近或者測量到三位數字或更高精度)
● 兩個小信號NMOS晶體管(ZVN2110A或CD4007 NMOS陣列)
● 一個雙通道運算放大器,例如 ADTL082
● 兩個4.7 μF解耦電容
說明
一種測量電流鏡特性的好辦法如圖1所示。輸入電阻R1和輸出電阻R2現在都是1 kΩ。務必精確測量R1和R2的實際值,以確保電流鏡的輸入和輸出電流測量結果是精確的。IIN等於W1處的W2輸出電壓除以R1的值。IOUT等於示波器通道2測量的電壓除以R2的值。二極管連接的M1跨接在M2的柵極和源極端子上。
在電流鏡配置中,運算放大器作為電流鏡輸入節點的虛擬地,將來自W2的電壓階躍轉換為通過1 kΩ電阻的電流階躍。

圖1.NMOS電流鏡測試電路。

圖2.簡化測試配置。
硬件設置
加載適用於信號發生器的W2通道的 stairstep.csv 文件,將幅度設置為3 V p-p,偏置設置為1.5 V。輸出器件M2的VDS由示波器輸入1+和示波器輸入1-進行差分測量。電流鏡輸出電流由1 kΩ電阻R2兩端的示波器輸入2+和示波器輸入2-測量。漏極電壓使用來自AWG 1(輸出W1)、頻率為40 Hz的三角波形進行掃描。如果您要使用運算放大器設置,請確保該器件已正確連接至電源Vp (5 V)和Vn (–5 V)。

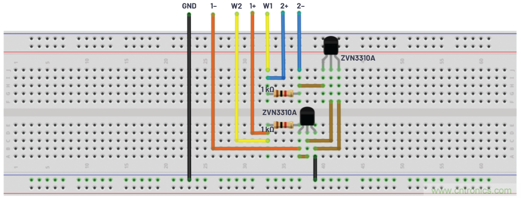
圖3.NMOS電流鏡測試電路麵包板連接。

圖4.簡化測試配置麵包板連接。
步驟
配置示波器以捕獲多個周期的輸入信號和輸出信號。如果您要使用運算放大器配置,確保已開啟電源。
使用Scopy工具提供的示波器或通過LTspice®仿真繪製這兩個波形。示例如圖5和圖6所示。

圖5.Scopy繪圖中的電流鏡波形,W2為10 kHz頻率。
現在,將W1的頻率更改為200 Hz,然後繪製兩個波形。對相同電路使用LTspice仿真的示例如圖6所示。

圖6.LTspice繪圖中的電流鏡波形,W1為200 Hz,W2為40 Hz。
在本實驗中,我們通過實驗和仿真分析了采用NMOS晶體管的電流鏡,展示了 ADALM2000 和Scopy應用程序在構建真實電路時的使用。
推薦閱讀:
特別推薦
- 噪聲中提取真值!瑞盟科技推出MSA2240電流檢測芯片賦能多元高端測量場景
- 10MHz高頻運行!氮矽科技發布集成驅動GaN芯片,助力電源能效再攀新高
- 失真度僅0.002%!力芯微推出超低內阻、超低失真4PST模擬開關
- 一“芯”雙電!聖邦微電子發布雙輸出電源芯片,簡化AFE與音頻設計
- 一機適配萬端:金升陽推出1200W可編程電源,賦能高端裝備製造
技術文章更多>>
- 算力爆發遇上電源革新,大聯大世平集團攜手晶豐明源線上研討會解鎖應用落地
- 築基AI4S:摩爾線程全功能GPU加速中國生命科學自主生態
- 一秒檢測,成本降至萬分之一,光引科技把幾十萬的台式光譜儀“搬”到了手腕上
- AI服務器電源機櫃Power Rack HVDC MW級測試方案
- 突破工藝邊界,奎芯科技LPDDR5X IP矽驗證通過,速率達9600Mbps
技術白皮書下載更多>>
- 車規與基於V2X的車輛協同主動避撞技術展望
- 數字隔離助力新能源汽車安全隔離的新挑戰
- 汽車模塊拋負載的解決方案
- 車用連接器的安全創新應用
- Melexis Actuators Business Unit
- Position / Current Sensors - Triaxis Hall
熱門搜索
微波功率管
微波開關
微波連接器
微波器件
微波三極管
微波振蕩器
微電機
微調電容
微動開關
微蜂窩
位置傳感器
溫度保險絲
溫度傳感器
溫控開關
溫控可控矽
聞泰
穩壓電源
穩壓二極管
穩壓管
無焊端子
無線充電
無線監控
無源濾波器
五金工具
物聯網
顯示模塊
顯微鏡結構
線圈
線繞電位器
線繞電阻


