ADSP-CM403 Sinc—太陽能應用中的隔離測量
發布時間:2020-08-19 來源:Martin Murnane 責任編輯:wenwei
【導讀】太陽能應用中的電壓和電流測量需采用隔離測量技術。 DSP Sinc輸入以及ADIAD7401A隔離式ADC恰好提供ADI 信號鏈的一個示例,實現這種隔離測量。
本文介紹采用ADSP-CM403xy和AD7401A器件,並由 ADI設計的測量應用典型信號鏈。
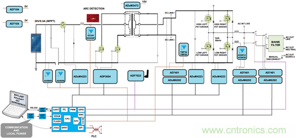
太陽能光伏逆變器係統
太陽能光伏逆變器轉換來自太陽能麵板的電能並高效地 將其部署到公用電網中。來自太陽能麵板的電能基本上 屬於直流源,它會被轉換成交流,並與電網頻率成一定的相位關係,饋送至公用電網上,且效率極高。轉換可 以采用單級,也可以采用多級(見圖1)。第1級通常為 DC-DC轉換,其中太陽能麵板的低電壓與高電流輸出轉 換為高電壓與低電流。這樣做的目的是為了將電壓提升 至與電網峰值電壓兼容的水平。第2級通常將直流電壓 和電流轉換為交流電壓和電流,一般使用H-電橋拓撲。

圖1. 太陽能光伏逆變器信號鏈(ADI公司)
ADC理論—AD7401A
AD7401A是一款二階Σ-Δ調製器,片上的數字隔離采用 ADI公司的iCoupler® 技術,能將模擬輸入信號轉換為高 速1位數據流。AD7401A采用5 V電源供電,可輸入±250 mV 的差分信號(滿量程±320 mV)。模擬調製器對模擬輸入信 號連續采樣,因而無需外部采樣保持電路。輸入信息以 數據流密度的形式包含在輸出數據流內,該數據流的最 高數據速率可到20 MHz。通過適當的數字濾波器(稱為 Sinc濾波器)可重構原始信息。處理器側(非隔離)可采用 5 V或3 V電源 (VDD2)。
示例電路 – 描述

圖2. 隔離式電壓電路
Σ-Δ 調製器的交流輸入是一個交流正弦波,表示單相電網 發出的220 V rms信號。電阻分頻器將輸入範圍縮小到ADC 的額定輸入範圍。輸入濾波器可降低輸入端的噪聲。
Σ-Δ 調製器輸出包含兩個信號:來自ADSP-CM403xy DSP處理器的高速時鍾輸入,以及保持調製數據的數據 信號。該數據可直接輸入Sinc3濾波器,直接將數據轉 換為ADC結果。下文顯示該數據的一個示例。

圖3. 調製器示例數據
在ADC的下限範圍內,輸入信號具有窄脈衝寬度,而在 上限範圍內脈衝寬度幾乎達到其最大值。輸出數據通過 Sinc濾波器後,便如對角線所示。AD7401A工作電壓高 達891 V單極性範圍,或565 V雙極性範圍,並橫跨隔離 柵:20μm聚酰亞胺。更多有關這些內容的信息以及各 種認證可在相關數據手冊中找到。
ADSP-CM403XY SINC3外設模塊

圖4. ADSP-CM403 Sinc外設框圖
框圖顯示4對Sinc濾波器(Sinc0至Sinc3)、2個調製器時鍾 源和2組控製寄存器(單元)。模塊接受4路來自GPIO輸 入引腳的Σ-Δ 位流,並將2個調製器時鍾源導入GPIO輸 出引腳。脈衝寬度調製(PWM)信號使調製器時鍾同 步,以獲得最佳的係統性能。每個Sinc濾波器對均包含 初級濾波器、次級濾波器、DMA接口和過載限值檢測 功能。初級Sinc濾波器通過DMA將其數據傳輸至存儲 器。次級Sinc濾波器產生過載信號,可通過觸發路由單 元(TRU)路由該信號,使PWM調製器產生跳變,生成 中斷。
使用AD7401A時,器件額定抽取速率(DR)為256,但也 可在其他抽取速率下使用該器件。
對於DR=256的情況而言,Sinc3濾波器的響應見下文中 的圖5a和5b。

圖5. (a) Sinc3抽取速率=256 (b)模塊噪底
數字濾波器
Sinc濾波器的傳遞函數使其能用在數字邏輯中(使用一係 列求和與抽取函數)。使用濾波器移除調製器采樣時 鍾,恢複采樣信號的數字值。濾波器設計匹配雙極性Σ-Δ 調製器,0 V輸入下具有50%脈衝密度,正輸入時超 過50%,而負輸入時不足50%,如圖6所示。

圖6. ADSP-CM403 Sinc濾波器框圖
數字濾波器是一組累加器,由調製器時鍾(M_CLK)驅 動,後接一組由抽取時鍾(D_CLK)驅動的微分器。 輸入 累加器將輸入位流轉換為多字節字,而輸出微分器獲取 位流的均值1密度。
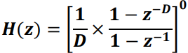
累加器和微分器的級數可以為3或4,具體取決於濾波器 階數。濾波器的直流增益和帶寬為濾波器階數(O)和抽 取速率(D)的函數,即調製器時鍾與抽取時鍾的比值。 Sinc濾波器傳遞函數由累加器與微分器的傳遞函數之積 確定,Z域內的表達式為:
PWM和SINC數據對齊
Sinc外設時鍾和PWM本質上運行在同樣的ADSP-CM403 係統時鍾下,典型值為100 MHz。PWM和Sinc可以同步 以便提供數據,並且時間與速率恰好和控製算法一致。 通常與PWM電平波形對齊。下圖顯示使用Sinc輸入進行電網同步所需時序的示例。當PWM運行在20 kHz (50 μs) 時,PWM_SYNC信號(同步不同DSP的PWM模塊或外部 PWM時需要用到該信號)位於PWM波形中央,幾乎不 發生切換。若要對齊Sinc數據,則AD7401A的時鍾速率 應設為10.24 MHz,並且抽取速率為256(見AD7401A數據 手冊)。這將產生40 KHz (50μs)的16位字速率,兩倍於PWM 頻率。由於Sinc還可設為與PWM_SYNC輸出對齊(如下 框圖所示),Sinc現在能在每個PWM周期內產生兩個數 據輸出。輸出字在SRAM中可用, 位置在下一個 PWM_SYNC信號位置處。顯然,它說明Sinc數據可用 於電網同步算法控製中。

圖7. PWM與Sinc外設對齊(ADSP-CM403)
編程示例
/* SPECIFY DECIMATION RATE OPTIONS */
/* 256 */
// RESULT = ADI_SINC_SETRATECONTROL (DEV, ADI_SINC_GROUP_0, ADI_SINC_FILTER_PRIMARY,DECRATE_256, 0);
// RESULT = ADI_SINC_SETLEVELCONTROL (DEV, ADI_SINC_GROUP_0, 0, 0, SAMPLECOUNT_INTRATE, PSCALE_256); // PCINT INT RATE
/* 128 */
RESULT = ADI_SINC_SETLEVELCONTROL (DEV, ADI_SINC_GROUP_0, 0, 0, SAMPLECOUNT_INTRATE, PSCALE_128); // PCINT INT RATE
RESULT = ADI_SINC_SETRATECONTROL (DEV, ADI_SINC_GROUP_0, ADI_SINC_FILTER_PRIMARY,DECRATE_128, 0);
/* 64 */
RESULT = ADI_SINC_SETLEVELCONTROL (DEV, ADI_SINC_GROUP_0, 0, 0, SAMPLECOUNT_INTRATE, PSCALE_64); // PCINT INT RATE
RESULT = ADI_SINC_SETRATECONTROL (DEV, ADI_SINC_GROUP_0, ADI_SINC_FILTER_PRIMARY,DECRATE_64, 0);
/* SET SECONDARY RATE CONTROL “/
RESULT = ADI_SINC_SETRATECONTROL (DEV, ADI_SINC_GROUP_0, ADI_SINC_FILTER_SECONDARY, 8, 0);
RESULT = ADI_SINC_SETFILTERORDER (DEV, ADI_SINC_GROUP_0, ADI_SINC_FILTER_THIRD_ORDER, ADI_SINC_FILTER_THIRD_ORDER); RESULT = ADI_SINC_SETCIRCBUFFER(DEV, ADI_SINC_GROUP_0, SINC_CIRCBUFFER, CIRC_BUF_SIZE);
/* SET OVERLOAD AMPLITUDE DETECTION LIMITS TO 0 – FULLSCALE */
RESULT = ADI_SINC_SETAMPLITUDELIMIT (DEV, ADI_SINC_PAIR_0, 0X0000, 0XFFFF);
RESULT = ADI_SINC_SETAMPLITUDELIMIT (DEV, ADI_SINC_PAIR_1, 0X0000, 0XFFFF);
RESULT = ADI_SINC_SETAMPLITUDELIMIT (DEV, ADI_SINC_PAIR_2, 0X0000, 0XFFFF);
RESULT = ADI_SINC_SETAMPLITUDELIMIT (DEV, ADI_SINC_PAIR_3, 0X0000, 0XFFFF);
/* SPECIFY MODULATOR CLOCK FREQUENCY, PHASE & STARTUP SYNCHRONIZATION */
RESULT = ADI_SINC_CONFIGMODCLOCK (DEV, ADI_SINC_GROUP_0, FSYSCLK, MODCLK, 0, FALSE); // UP TO 20MHZ
/* IT’S THE SAME CLOCK AS THE PWM – SO PWM AND SINC ARE SYNCHRONOUS */
RESULT = ADI_SINC_ENABLEMODCLOCK (DEV, ADI_SINC_GROUP_0, ADI_SINC_MOD_CLK_IMMEDIATE );
/* ASSIGN BUFFERS TO RECEIVE SINC DATA-AUTOMATICALLY DMA’D INTO SRAM IN THE ADSP-CM403*/
RESULT = ADI_SINC_SUBMITBUFFER(DEV, ADI_SINC_GROUP_0, SINCDATA0, NUM_SAMPLES);
/* ROUTE THE TRU INTERRUPT */
RESULT = ADI_SINC_ENABLEDATAINTERRUPT (DEV, ADI_SINC_GROUP_0, ADI_SINC_DATA_INT_0, TRUE);
/* ENABLE & ASSIGN USED SINC FILTER PAIR, AND SPECIFY INTERRUPT MASKS */
RESULT = ADI_SINC_SETCONTROLINTMASK (DEV, ADI_SINC_INT_EPCNT0|ADI_SINC_INT_EFOVF0|ADI_SINC_INT_EPCNT1|ADI_SINC_INT_EFOVF1);
RESULT = ADI_SINC_ENABLEPAIR(DEV, ADI_SINC_PAIR_0, ADI_SINC_GROUP_0, TRUE); // ACV_EXTERNAL
RESULT = ADI_SINC_ENABLEPAIR(DEV, ADI_SINC_PAIR_1, ADI_SINC_GROUP_0, TRUE); // ACV_INTERNAL
RESULT = ADI_SINC_ENABLEPAIR(DEV, ADI_SINC_PAIR_2, ADI_SINC_GROUP_0, TRUE); // DC LINK
RESULT = ADI_SINC_ENABLEPAIR(DEV, ADI_SINC_PAIR_3, ADI_SINC_GROUP_0, TRUE); // AC_CURRENT
/* WAIT AND READ FULL SINE WAVE INTO SRAM – START NEAR AC CROSSOVER. */
DO
{
PWM_SINC_LOOP=0;
GET_ADC_DATA_PWM();
}
WHILE ((SINC_VEXT_DATA[0] > 50) || (SINC_VEXT_DATA[0] < -50)) ; // START SINC AT 0 V MEASUREMENT-ALIGNS WITH SINEWAVE.
推薦閱讀:
特別推薦
- 噪聲中提取真值!瑞盟科技推出MSA2240電流檢測芯片賦能多元高端測量場景
- 10MHz高頻運行!氮矽科技發布集成驅動GaN芯片,助力電源能效再攀新高
- 失真度僅0.002%!力芯微推出超低內阻、超低失真4PST模擬開關
- 一“芯”雙電!聖邦微電子發布雙輸出電源芯片,簡化AFE與音頻設計
- 一機適配萬端:金升陽推出1200W可編程電源,賦能高端裝備製造
技術文章更多>>
- 築基AI4S:摩爾線程全功能GPU加速中國生命科學自主生態
- 一秒檢測,成本降至萬分之一,光引科技把幾十萬的台式光譜儀“搬”到了手腕上
- AI服務器電源機櫃Power Rack HVDC MW級測試方案
- 突破工藝邊界,奎芯科技LPDDR5X IP矽驗證通過,速率達9600Mbps
- 通過直接、準確、自動測量超低範圍的氯殘留來推動反滲透膜保護
技術白皮書下載更多>>
- 車規與基於V2X的車輛協同主動避撞技術展望
- 數字隔離助力新能源汽車安全隔離的新挑戰
- 汽車模塊拋負載的解決方案
- 車用連接器的安全創新應用
- Melexis Actuators Business Unit
- Position / Current Sensors - Triaxis Hall
熱門搜索
微波功率管
微波開關
微波連接器
微波器件
微波三極管
微波振蕩器
微電機
微調電容
微動開關
微蜂窩
位置傳感器
溫度保險絲
溫度傳感器
溫控開關
溫控可控矽
聞泰
穩壓電源
穩壓二極管
穩壓管
無焊端子
無線充電
無線監控
無源濾波器
五金工具
物聯網
顯示模塊
顯微鏡結構
線圈
線繞電位器
線繞電阻




