如何避免EPOS處理器在9V USB充電條件下發生短路
發布時間:2020-08-01 來源:Matthew Xiong 責任編輯:wenwei
【導讀】便攜式電子銷售點終端(EPOS)設備在全球範圍內越來越受歡迎。不同於傳統的台式設備,便攜式EPOS設備的電池續航時間有限且需要經常通過USD接口或其他連接裝置進行充電。
由於快速充電技術在便攜電子產品市場正日益壯大,便攜式EPOSshebeihenkenengyejiangcaiyonggaigongneng。youyubianxieshebeikaishicaiyonggengdadedianchi,shixiankuaisuchongdianjiuxuyaonenggoutigonggengduodiannengdechongdianshipeiqi。butongdezhizaoshangdoutichuleyixiefangfa,danmeiyizhongfangfadouyaoqiudianyuanjietoucaiyonggenggaodeshurudianya。genggaodeshurudianyakeyiranggengduodediannengjinruxitong,shixiankuaisuchongdian,tongshiyoubuhuishidianliuchaoguojietoudezailiurongliangxianzhi。shipeiqidianyamorenshezhiweitongchangde5V(USB VBUS)級別,但外部適配器和移動設備間D+/D-數據線上的信號傳遞可以根據需要協議使適配器輸出更高的電壓。根據適配器容量的不同,典型值包括5、9、12或20V輸出級。係統中的充電集成電路(IC)或應用處理器控製該信號傳遞,使適配器輸出合適的電壓級別。
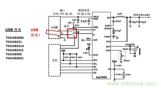
通常,當插入USB連接器時,您需要使用一個模擬開關在微控製器[MCU])和電池充電器間傳輸電能,如圖1所示配備MaxCharge™技術的bq25890快速充電器。首次連接時,MCU便對D+/D-進行控製。其將檢測對象是轉接頭還是USB連接裝置。

圖1:使用USB和充電器應用的典型應用圖
根據所連接設備的不同,通過USB連接器的信號可能被發送到不同的目的地。這就需要USB開關正確地發送信號。這種情況下,可使用任何匹配該設計帶寬、配置和電壓範圍的USB開關。TI提供多種USB開關,其在配置、電壓範圍、導通電阻(RON)和帶寬方麵有著廣泛的選擇範圍。
應用處理器無法容許高電壓。由於快速充電通常在9V電壓下操作,而MCU無法容許9V電壓,因此,必須始終避免讓MCU接觸該電壓。
USB連接器插座有四個引腳,如圖2所示從右到左分別為VBUS、D-、D+和GND。協議快速充電狀態後,VBUS的電壓將為9V。

圖2:USB開關和引腳描述
當VBUS電壓達到9V時,若USB插頭未插好或以一定角度拔出可能導致連接器的VBUS引腳與D-引腳發生短路。這便會導致連接D-引腳的MCU暴露於VBUS,從而損壞MCU,如圖3所示。

圖3:9V電壓條件下未使用TS3USB3000發生短路的後果。
TS3USB3000 USB開關可以在9V電壓條件下保護MCU,同時實現MCU與充電器/通用異步接收器/發送器(UART)之間的切換,如圖4所示。將充電器連接至USB端口後,MCU將檢測所連接的充電器並將輸出使能(OE)引腳拉高至禁用開關的高度。MCU將與充電器進行通信,表示其可以與VBUS協議在9V電壓下采用更快的充電模式,亦如圖4所示。TS3USB3000現處於低功率狀態,開關已禁用並可以對MCU進行保護。

圖4:TS3USB3000可以在發生短路時,保護9V電壓條件下的MCU
TS3USB3000開關有兩項用途:在主機和充電器間進行切換以及在5V到9V電壓條件下為MCU提供保護。針對第一項用途,您可以使用任何USB開關,視設計所要求的帶寬和RON類型而定。但針對第二項用途,則需要諸如TS3USB3000這樣專門的USB開關為MCU提供短路保護。
TS3USB3000可以為需要在9V電壓下操作的設計實現這兩項用途。該設備可以輕鬆實現主機和MCU間的切換,並且,若在插拔USB連接器時在VBUS和D-引腳間發生短路,它可以保護MCU。
推薦閱讀:
特別推薦
- 噪聲中提取真值!瑞盟科技推出MSA2240電流檢測芯片賦能多元高端測量場景
- 10MHz高頻運行!氮矽科技發布集成驅動GaN芯片,助力電源能效再攀新高
- 失真度僅0.002%!力芯微推出超低內阻、超低失真4PST模擬開關
- 一“芯”雙電!聖邦微電子發布雙輸出電源芯片,簡化AFE與音頻設計
- 一機適配萬端:金升陽推出1200W可編程電源,賦能高端裝備製造
技術文章更多>>
- 一秒檢測,成本降至萬分之一,光引科技把幾十萬的台式光譜儀“搬”到了手腕上
- AI服務器電源機櫃Power Rack HVDC MW級測試方案
- 突破工藝邊界,奎芯科技LPDDR5X IP矽驗證通過,速率達9600Mbps
- 通過直接、準確、自動測量超低範圍的氯殘留來推動反滲透膜保護
- 從技術研發到規模量產:恩智浦第三代成像雷達平台,賦能下一代自動駕駛!
技術白皮書下載更多>>
- 車規與基於V2X的車輛協同主動避撞技術展望
- 數字隔離助力新能源汽車安全隔離的新挑戰
- 汽車模塊拋負載的解決方案
- 車用連接器的安全創新應用
- Melexis Actuators Business Unit
- Position / Current Sensors - Triaxis Hall
熱門搜索







