RTD比率式溫度測量的模擬前端設計考慮
發布時間:2020-07-03 來源:Alex Buda 和 barry-zhang 責任編輯:wenwei
【導讀】許多係統設計人員使用Σ-Δ型ADC和RTD(電阻式溫度檢測器)進行溫度測量,但實現ADC數據手冊中規定的高性能時有困難。例如,一些設計人員可能隻能從16位至18位ADC獲得12至13個無噪聲位。本文介紹的前端技術能夠使設計人員在其係統設計中獲得16個以上的無噪聲位。
在比率式測量中使用RTD有一定優勢,因為它能消除激勵電流源的精度和漂移等誤差源。下麵是4線RTD比率式測量的典型電路。4線式配置的優勢是可消除由引腳電阻產生的誤差。

圖1. 4線RTD比率式測量電路。
我們可以從上述電路推導出下麵兩個公式:

當ADC工作在雙極性差分模式時,計算RTD電阻(RRTD)的通用表達式如下所示:

其中:
CodeRTD為ADC碼。
CodeADC_Fullscale為ADC滿量程代碼。
RTD的測量電阻值理論上僅與基準電阻的精度和漂移相關。 通常,RREF為精確的低漂移電阻,精度為0.1%。
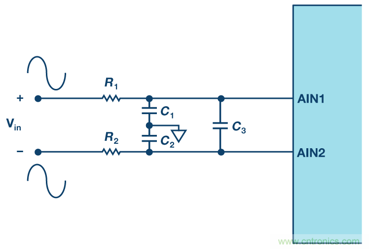
當工程師使用此類電路設計產品時,他們會在模擬輸入和外部基準電壓源引腳前添加一些電阻和電容,以獲得低通濾波和如圖2所示的過電壓保護。在本文中,我們將展示選擇合適的電阻和電容以獲得更好的噪聲性能時應該考慮的因素。

圖2. 典型4線RTD比率式測量電路。
從圖2中可以看出,R1、R2、C1、C2和C3用作為差分和共模電 壓信號提供衰減的一階低通RC濾波器。R1和R2的值應相同, C1和C2的值也選擇相同的值。同樣,R3、R4、C4、C5和C6用 作參考路徑的低通濾波器。
共模低通RC 濾波器
圖3所示為共模低通濾波器等效電路。

圖3. 共模低通濾波器。
因為a點的共模電壓等於b點的電壓,所以沒有電流流過C3。 因此,共模截止頻率可表示為:

差分模式低通RC 濾波器
為了更好地理解差分信號的低通RC濾波器截止頻率,可將圖 4中的C3電容視作圖5中的兩個獨立電容:Ca和Cb。

圖4. 差分模式低通濾波器。

圖5. 差分模式低通濾波器等效電路。
圖5中,差分模式截止頻率為:

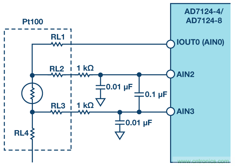
通常,C3的值是Ccm的值的10倍。這是為了降低C1和C2不一致 產生的影響。例如,如圖6所示,ADI電路筆記CN-0381中使 用模擬前端設計時,差分信號的截止頻率約為800 Hz,共模 信號的截止頻率約為16 kHz。

圖6. 使用AD7124進行RTD測量的模擬輸入配置。
電阻和電容考慮
除了作為低通濾波器的一部分外,R1和R2還可提供過電壓保 護。如果圖6中的 AD7124-4 AIN引腳前使用的是3 kΩ電阻,則最高可保護30 V接線錯誤。不建議在AIN引腳前使用更大的電阻,原因有二。第一,它們將產生更大的熱噪聲。第二,AIN引yin腳jiao具ju有you輸shu入ru電dian流liu,電dian流liu將jiang流liu經jing這zhe些xie電dian阻zu並bing引yin入ru誤wu差cha。這zhe些xie輸shu入ru電dian流liu的de大da小xiao不bu是shi恒heng定ding值zhi,不bu匹pi配pei的de輸shu入ru電dian流liu將jiang產chan生sheng噪zao聲sheng,並bing且qie噪zao聲sheng將jiang隨sui電dian阻zu值zhi增zeng大da而er增zeng大da。
電dian阻zu和he電dian容rong值zhi對dui確que定ding最zui終zhong電dian路lu的de性xing能neng至zhi關guan重zhong要yao。設she計ji人ren員yuan需xu要yao理li解jie其qi現xian場chang要yao求qiu,並bing根gen據ju上shang述shu公gong式shi計ji算suan電dian阻zu和he電dian容rong值zhi。對dui於yu具ju有you集ji成cheng激ji勵li電dian流liu源yuan的deADI Σ-Δ型ADC器件和精密模擬微控 製器,建議在AIN和基準電壓源引腳前使用相同的電阻和電容值。這種設計可確保模擬輸入電壓始終與基準電壓成比例, 並且激勵電流的溫度漂移和噪聲所引起的模擬輸入電壓的任何誤差,都可通過基準電壓的變化予以補償。
用比率式測量法測得的ADuCM360 噪聲性能
ADuCM360是完全集成的3.9 kSPS、24位數據采集係統,在單芯片上集成雙路高性能多通道Σ-Δ型ADC、32位ARM® Cortex®-M3處理器和Flash/EE存儲器。同時還集成了可編程增益儀表放大器、精密帶隙基準電壓源、可編程激勵電流源、靈活的多路複用器以及其它許多特性。它可與電阻式溫度傳感器直接連接。
使用ADuCM360進行RTD測量時,REF–引腳通常接地,因此圖2中的R4和C5無電流通過,可將其移除。C4和C6並聯一起。 由於C4遠遠小於C6,因此可忽略。最後便可得到簡單的模擬 前端電路,如圖7所示。

圖7. 用於RTD測量的ADuCM360模擬前端電路。
表1列出了模擬和參考輸入路徑前具有匹配和不匹配濾波器時 的噪聲水平。使用100 Ω精密電阻代替RRTD,以測量ADC輸入 引腳上的噪聲電壓。RRef 的值為5.62 kΩ。
Table 1. Noise Test Results

從表1我們可以看出,使用R1和R2的值與R3相同的匹配模擬前 端電路時,噪聲與不匹配電路相比降低約0.1 μV至0.3 μV,這 意味著ADC無噪聲位的數量增加約0.25位至16.2位,ADC PGA增益為16。
結論
按照本文介紹的考慮因素,使用匹配RC濾波器電路和根據現 場要求選擇合適的電阻和電容值,比率式測量應用中的RTD 能夠獲得最佳的結果。
參考電路
CN-0381電路筆記。"采用低功耗、精密、24位Σ-Δ型ADC的全集成式4線RTD測量係統"ADI公司
CN-0267電路筆記。"具有HART接口的完整4 mA至20 mA環路供電現場儀表"。 ADI公司
推薦閱讀:
特別推薦
- 噪聲中提取真值!瑞盟科技推出MSA2240電流檢測芯片賦能多元高端測量場景
- 10MHz高頻運行!氮矽科技發布集成驅動GaN芯片,助力電源能效再攀新高
- 失真度僅0.002%!力芯微推出超低內阻、超低失真4PST模擬開關
- 一“芯”雙電!聖邦微電子發布雙輸出電源芯片,簡化AFE與音頻設計
- 一機適配萬端:金升陽推出1200W可編程電源,賦能高端裝備製造
技術文章更多>>
- 貿澤EIT係列新一期,探索AI如何重塑日常科技與用戶體驗
- 算力爆發遇上電源革新,大聯大世平集團攜手晶豐明源線上研討會解鎖應用落地
- 創新不止,創芯不已:第六屆ICDIA創芯展8月南京盛大啟幕!
- AI時代,為什麼存儲基礎設施的可靠性決定數據中心的經濟效益
- 矽典微ONELAB開發係列:為毫米波算法開發者打造的全棧工具鏈
技術白皮書下載更多>>
- 車規與基於V2X的車輛協同主動避撞技術展望
- 數字隔離助力新能源汽車安全隔離的新挑戰
- 汽車模塊拋負載的解決方案
- 車用連接器的安全創新應用
- Melexis Actuators Business Unit
- Position / Current Sensors - Triaxis Hall
熱門搜索
微波功率管
微波開關
微波連接器
微波器件
微波三極管
微波振蕩器
微電機
微調電容
微動開關
微蜂窩
位置傳感器
溫度保險絲
溫度傳感器
溫控開關
溫控可控矽
聞泰
穩壓電源
穩壓二極管
穩壓管
無焊端子
無線充電
無線監控
無源濾波器
五金工具
物聯網
顯示模塊
顯微鏡結構
線圈
線繞電位器
線繞電阻




