ESD二極管用於電壓箝位
發布時間:2020-06-03 來源:Paul Blanchard 和 Brian Pelletier 責任編輯:wenwei
【導讀】當放大器發生外部過壓狀況時,ESD二極管是放大器與過電應力之間的最後防線。正確理解ESD單元在一個器件中是如何實現的,設計人員就能通過適當的電路設計大大擴展放大器的生存範圍。本文旨在向讀者介紹各種類型的ESD實現方案,討論每種方案的特點,並就如何利用這些單元來提高設計魯棒性提供指南。
引言
有許多應用的輸入不受係統控製,而是連接到外部世界,例如測試設備、儀yi器qi儀yi表biao和he某mou些xie檢jian測ce設she備bei。對dui於yu此ci類lei應ying用yong,輸shu入ru電dian壓ya可ke能neng會hui超chao過guo前qian端duan放fang大da器qi的de額e定ding最zui大da電dian壓ya,因yin而er必bi須xu采cai用yong保bao護hu方fang案an來lai維wei持chi設she計ji的de使shi用yong範fan圍wei和he魯lu棒bang性xing。前qian端duan放fang大da器qi的de內nei部buESD二極管有時會用來箝位過壓狀況,但為了確保這種箝位能夠提供充分可靠的保護,需要考慮許多因素。了解前端放大器內部的不同ESD二極管架構,以及具體保護電路的熱影響和電子遷移影響,有助於設計人員解決保護電路相關的問題,並提高其在現場的使用壽命。
ESD二極管配置
應當明白,並非所有ESD二極管都是連接到電源和地的簡單二極管箝位。有許多可能的方案可以采用,例如:多個二極管串聯、二極管和電阻、背靠背二極管等。下麵介紹一些較為常見的方案。
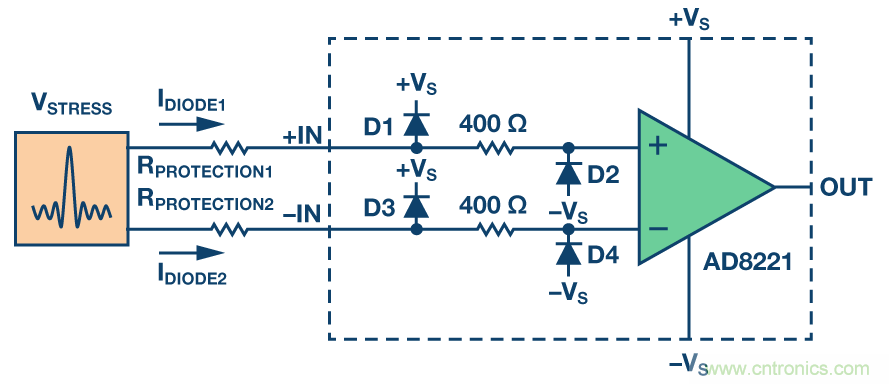
連接到電源的二極管
圖1顯xian示shi了le一yi個ge放fang大da器qi實shi例li,二er極ji管guan連lian接jie在zai輸shu入ru引yin腳jiao和he電dian源yuan之zhi間jian。在zai正zheng常chang工gong作zuo條tiao件jian下xia,二er極ji管guan反fan偏pian,但dan當dang輸shu入ru高gao於yu正zheng電dian源yuan電dian壓ya或huo低di於yu負fu電dian源yuan電dian壓ya時shi,二er極ji管guan變bian為wei正zheng偏pian。當dang二er極ji管guan變bian為wei正zheng偏pian時shi,電dian流liu經jing過guo放fang大da器qi的de輸shu入ru端duan流liu至zhi相xiang應ying的de電dian源yuan。
對於圖1所示電路,當過壓超過+Vs時,放大器本身不會限製輸入電流,需要外部增加串聯電阻來限流。當電壓低於–Vs時,400 Ω電阻會起到一定的限流作用,設計時應當納入考慮中。

圖1. AD8221的輸入ESD拓撲結構
圖2顯示了一個具有相似二極管配置的放大器,但在本例中,電流受內部2.2 kΩ串聯電阻的限製。它與圖1所示電路的區別不僅在於限流電阻R的值,還在於2.2 kΩ可保護電路不受+Vs以上電壓的影響。這個例子複雜難懂,務必充分了解以便在使用ESD二極管時優化保護。

圖2. AD8250的輸入ESD拓撲結構
限流JFET
與圖1和圖2中的方案不同,IC設計可以使用限流JFET代替二極管箝位。圖3顯示了一個例子,當輸入電壓超過器件的額定工作範圍時,JFET被用來保護器件。JFET輸入使該器件自身就能耐受相反供電軌的最高40 V電壓。由於JFET會限製流入輸入引腳的電流,因此ESD單元無法用作額外的過壓保護。
當需要最高40 V的電壓保護時,此器件的JFET保護可提供嚴格受控的、可靠的、完全明確的保護方案。這常常與使用ESD二極管的保護方案相反,後者關於二極管限流的信息常常指定典型值,甚至完全不明確。

圖3. AD8226的輸入保護方案
二極管堆疊
在允許輸入電壓超過電源電壓或地的應用中,可以使用二極管堆疊來防止輸入受ESD事件的影響。圖4suoshidefangdaqijiushicaiyongduidieerjiguanbaohufangan。gaipeizhishiyongerjiguanchuanlaifangfanfushunbian。zaikeyongshurufanweinei,erjiguanchuanyongyuxianzhiloudianliu,dandangchaoguofugongmofanweishi,tajiuhuitigongbaohu。jizhu,erjiguanchuandedengxiaochuanliandianzushiweiyidexianliucuoshi。duiyugeidingdianya,keshiyongwaibuchuanliandianzulaijiangdishurudianliu。

圖4. AD8417的低端輸入保護方案
背靠背二極管
當允許輸入電壓範圍超過電源電壓時,也可使用背靠背二極管。圖5所示的放大器采用背靠背二極管來為器件提供ESD保護,采用3.3 V電源供電時,其允許電壓最高達到70 V。D4和D5是高壓二極管,用於應對輸入引腳上可能存在的高電壓;當輸入電壓在正常工作範圍以內時,D1和D2用於防止漏電流。在這種配置中,不建議使用這些ESD單元來提供過壓保護,因為若超過高壓二極管的最大反偏電壓,很容易造成器件永久損壞。

圖5. AD8418的高端輸入保護方案
無ESD箝位
某些器件的前端沒有ESD器件。很顯然,如果沒有ESD二極管,設計人員當然無法將其用於箝位。之所以提到這種架構,是因為在研究過壓保護 (OVP) 時,需要注意這種情況。圖6所示的器件僅使用大阻值電阻保護放大器。

圖6. AD8479的輸入保護方案
ESD單元用於箝位
除了解ESD單元如何實現之外,還必須知道如何利用這些結構提供保護。典型應用使用串聯電阻來限製額定電壓範圍內的電流。
當放大器配置為圖7所示時,或者輸入受連接到電源的二極管保護時,輸入電流限值可利用以下公式計算。


圖7. ESD單元用於箝位
公式1用到一個假設,即VSTRESS > VSUPPLY。若非如此,應測得更精確的二極管電壓並將其用於計算,而不要使用0.7 V的近似值。
下麵是一個計算實例,其中放大器采用±15 V電源供電,要防範的輸入過壓高達±120 V,輸入電流限製在1 mA。根據公式1,我們可以使用這些輸入進行計算:

根據上述要求,RPROTECTION > 105 kΩ可將二極管電流限製在 1 mA以下。
了解限流
IDIODE最大值隨器件而不同,它還取決於施加過壓的特定應用情形。持續數毫秒的一次性事件,與在應用的全部20年(nian)或(huo)更(geng)多(duo)年(nian)的(de)任(ren)務(wu)壽(shou)命(ming)中(zhong)持(chi)續(xu)施(shi)加(jia)電(dian)流(liu),其(qi)最(zui)大(da)電(dian)流(liu)將(jiang)會(hui)不(bu)同(tong)。具(ju)體(ti)指(zhi)導(dao)值(zhi)可(ke)在(zai)放(fang)大(da)器(qi)數(shu)據(ju)手(shou)冊(ce)的(de)絕(jue)對(dui)最(zui)大(da)值(zhi)部(bu)分(fen)或(huo)應(ying)用(yong)筆(bi)記(ji)中(zhong)找(zhao)到(dao),通(tong)常(chang)在(zai)1 mA至10 mA範圍內。
故障模式
具體保護方案的最大電流額定值最終要受兩個因素的限製: 二極管功耗的熱影響和電流路徑的最大電流額定值。功耗應保持在閾值以下,使工作溫度始終處於有效範圍;所選電流應在額定最大值範圍內,以免電子遷移引起可靠性問題。
熱影響
當電流流入ESD二極管時,二極管的功耗會引起溫度升高。多數放大器數據手冊指定了熱阻(通常指定ӨJA),它顯示了結溫升幅與功耗的關係。考慮最差情況下的應用溫度,以及功耗引起的最壞溫度升幅,可以判斷保護電路是否有效。
電子遷移
即(ji)使(shi)電(dian)流(liu)不(bu)引(yin)起(qi)熱(re)問(wen)題(ti),二(er)極(ji)管(guan)電(dian)流(liu)也(ye)可(ke)能(neng)造(zao)成(cheng)可(ke)靠(kao)性(xing)問(wen)題(ti)。由(you)於(yu)電(dian)子(zi)遷(qian)移(yi),任(ren)何(he)電(dian)氣(qi)信(xin)號(hao)路(lu)徑(jing)都(dou)有(you)一(yi)個(ge)最(zui)大(da)壽(shou)命(ming)電(dian)流(liu)額(e)定(ding)值(zhi)。二(er)極(ji)管(guan)電(dian)流(liu)路(lu)徑(jing)的(de)電(dian)子(zi)遷(qian)移(yi)電(dian)流(liu)限(xian)值(zhi)通(tong)常(chang)受(shou)與(yu)二(er)極(ji)管(guan)串(chuan)聯(lian)的(de)內(nei)部(bu)走(zou)線(xian)的(de)厚(hou)度(du)限(xian)製(zhi)。放(fang)大(da)器(qi)製(zhi)造(zao)商(shang)不(bu)一(yi)定(ding)會(hui)發(fa)布(bu)此(ci)信(xin)息(xi),但(dan)若(ruo)二(er)極(ji)管(guan)長(chang)時(shi)間(jian)工(gong)作(zuo)(而不是工作很短時間),就需要予以考慮。
舉個例子,當放大器監控(因而連接到)yigeduliyuqizishengongdianguidedianyaguishi,dianziqianyibiankenengshiyigewenti。dangcunzaiduogedianyuanyushi,kenenghuifashengyindianyuanshixuwentieryinqidianyazanshichaoguojueduizuidatiaojiandeqingkuang。kaolvzuichaqingkuangxiadedianliulujinghezaizhenggeshiyongshoumingzhongyicidianliugongzuodechixushijian,binglejiedianziqianyidezuidayunxudianliu,biankebimiandianziqianyiyinqikekaoxingwenti。
結論
了解放大器內部ESD二er極ji管guan如ru何he在zai過guo電dian應ying力li期qi間jian激ji活huo,有you助zhu於yu輕qing鬆song提ti高gao設she計ji的de魯lu棒bang性xing。研yan究jiu保bao護hu電dian路lu的de熱re影ying響xiang和he電dian子zi遷qian移yi影ying響xiang,可ke以yi凸tu顯xian潛qian在zai的de問wen題ti並bing顯xian示shi是shi否fou需xu要yao額e外wai的de保bao護hu。考kao慮lv本ben文wen提ti出chu的de條tiao件jian可ke以yi讓rang設she計ji人ren員yuan作zuo出chu明ming智zhi選xuan擇ze,避bi免mian在zai現xian場chang發fa生sheng魯lu棒bang性xing問wen題ti。
推薦閱讀:
特別推薦
- 噪聲中提取真值!瑞盟科技推出MSA2240電流檢測芯片賦能多元高端測量場景
- 10MHz高頻運行!氮矽科技發布集成驅動GaN芯片,助力電源能效再攀新高
- 失真度僅0.002%!力芯微推出超低內阻、超低失真4PST模擬開關
- 一“芯”雙電!聖邦微電子發布雙輸出電源芯片,簡化AFE與音頻設計
- 一機適配萬端:金升陽推出1200W可編程電源,賦能高端裝備製造
技術文章更多>>
- 算力爆發遇上電源革新,大聯大世平集團攜手晶豐明源線上研討會解鎖應用落地
- 築基AI4S:摩爾線程全功能GPU加速中國生命科學自主生態
- 一秒檢測,成本降至萬分之一,光引科技把幾十萬的台式光譜儀“搬”到了手腕上
- AI服務器電源機櫃Power Rack HVDC MW級測試方案
- 突破工藝邊界,奎芯科技LPDDR5X IP矽驗證通過,速率達9600Mbps
技術白皮書下載更多>>
- 車規與基於V2X的車輛協同主動避撞技術展望
- 數字隔離助力新能源汽車安全隔離的新挑戰
- 汽車模塊拋負載的解決方案
- 車用連接器的安全創新應用
- Melexis Actuators Business Unit
- Position / Current Sensors - Triaxis Hall
熱門搜索
微波功率管
微波開關
微波連接器
微波器件
微波三極管
微波振蕩器
微電機
微調電容
微動開關
微蜂窩
位置傳感器
溫度保險絲
溫度傳感器
溫控開關
溫控可控矽
聞泰
穩壓電源
穩壓二極管
穩壓管
無焊端子
無線充電
無線監控
無源濾波器
五金工具
物聯網
顯示模塊
顯微鏡結構
線圈
線繞電位器
線繞電阻




