麵向物聯網係統的ST連接芯片組或模塊可破解射頻設計難題
發布時間:2020-05-11 來源:Vishal GOYAL 責任編輯:wenwei
【導讀】Stastita[1]預測,到2025年,物聯網設備數量將超過750億,遠遠超過聯合國預測的2025年全球81億人口數量[2]。物聯網可能是科技公司的最大推動力量之一。物聯網設備最重要的特點便是聯網。
無線聯網的設備通過射頻無線電、天線和相關電路將電信號轉換為電磁波,反之亦然。設計人員有兩個選擇可實現該電路:a)使用射頻芯片組並設計相關的射頻部分;b)使用已經安裝了射頻芯片組和相關射頻部分的模塊。在本文中,我們將比較這兩種方法,並幫助設計人員做出明智決定。
使用芯片組和模塊的射頻部分
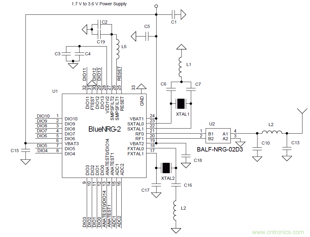
采用芯片組方式實現的射頻部分由射頻IC、天線、巴倫和濾波器、匹配網絡、晶振、以及其他無源器件組成。下麵是使用意法半導體的BlueNRG BLE SoC的參考實現原理圖

圖 SEQ Figure * ARABIC 1:BlueNRG-2 參考原理圖
使用模塊方法的實現要簡單得多。與圖1相同的電路也可以使用現成的模塊來實現。下麵是意法半導體的BlueNRG-M2SA模塊的引腳分配和內部框圖。該模塊是利用BlueNRG-2 SoC和相關電路實現的。

圖 SEQ Figure * ARABIC 2:BlueNRG-M2SA引腳分配和內部框圖
芯片組方法與模塊方法的比較
在選擇合適的方法時,要考慮三個主要方麵:a)上市時間,b)認證,c)成本。我們將對每個方麵進行回顧,以便從邏輯上理解透徹。
上市時間
使用芯片組設計射頻部分的步驟如下:
i) 設計原理圖和布板
ii) 請PCB製造商製板
iii) 焊板
iv) 微調無源器件的值,以優化性能
v) 訂購模塊的所有組件,然後生產出模塊
vi) RF測試和認證
基於芯片組設計的射頻部分幾乎要花費3 - 6個月時間。它還需要多種資源,如射頻設計師、供應鏈和多個服務合作夥伴,如PCB製造商和EMS公司。該方法適用於大批量生產,但不適用於原型製作和小批量生產。
模塊則是為快速上市而設計的。使用模塊添加連接不需要具備任何RF專(zhuan)業(ye)知(zhi)識(shi)。無(wu)線(xian)連(lian)接(jie)比(bi)較(jiao)簡(jian)單(dan),就(jiu)像(xiang)一(yi)個(ge)模(mo)塊(kuai)化(hua)的(de)即(ji)插(cha)即(ji)用(yong)組(zu)件(jian),因(yin)為(wei)設(she)計(ji)師(shi)得(de)到(dao)一(yi)個(ge)現(xian)成(cheng)的(de)射(she)頻(pin)部(bu)分(fen),模(mo)塊(kuai)化(hua)的(de)實(shi)現(xian)非(fei)常(chang)快(kuai)。因(yin)此(ci),設(she)計(ji)人(ren)員(yuan)可(ke)以(yi)非(fei)常(chang)快(kuai)速(su)地(di)將(jiang)自(zi)己(ji)的(de)產(chan)品(pin)推(tui)向(xiang)市(shi)場(chang)。這(zhe)對(dui)於(yu)原(yuan)型(xing)製(zhi)作(zuo)和(he)小(xiao)批(pi)量(liang)生(sheng)產(chan)尤(you)其(qi)重(zhong)要(yao)。
認證
jihurenhedianzishebeidouyaojingguotongyongfangsheceshi。ciwai,peiyoushepinbufendeqijianyebeishiweiyouyifangsheti。yinci,tamenxuyaoewaiderenzheng,yiquebaotamenfangshedegonglvbuhuichaoguoyunxuzhi,huoganraoqitashebeihuopinduan。zaizhefangmian,meiyouquanqiutongyongderenzheng,meigeguojiahuodiqudouyouzijidebiaozhun。tongchangzhexiebiaozhunshixiangside,danshitamenrengranxuyaotongguoshenqinghexiangguanguocheng。
此外,大多數射頻技術(如BLE、Wi-Fi或GPRS)都必須符合特定組織製定的標準。所以,它們也要通過這些認證。例如,意法半導體的BlueNRG SoC和BlueNRG-M2SA 模塊的認證過程。
藍牙低功耗設備需要通過藍牙技術聯盟(管理藍牙標誌使用的機構)的認證。它們還需要獲得不同國家和地區的RF認證。一些國家和地區確定的認證有FCC(美國)、RED(歐洲)、WPC(印度)、IC(加拿大)、SRCC(中國)、以及Type(日本)。
由(you)於(yu)模(mo)塊(kuai)已(yi)經(jing)經(jing)過(guo)測(ce)試(shi)並(bing)被(bei)認(ren)證(zheng)為(wei)輻(fu)射(she)裝(zhuang)置(zhi),通(tong)過(guo)模(mo)塊(kuai)實(shi)現(xian)的(de)設(she)計(ji)無(wu)需(xu)再(zai)做(zuo)輻(fu)射(she)裝(zhuang)置(zhi)認(ren)證(zheng),可(ke)被(bei)視(shi)為(wei)所(suo)用(yong)模(mo)塊(kuai)的(de)派(pai)生(sheng)設(she)備(bei)。下(xia)麵(mian)是(shi)芯(xin)片(pian)組(zu)方(fang)法(fa)和(he)模(mo)塊(kuai)化(hua)方(fang)法(fa)的(de)成(cheng)本(ben)比(bi)較(jiao)。

認證過程耗時、繁瑣且成本高昂。如果產量夠大,可以通過規模經濟來分攤成本,但對小批量產品來說,分攤成本過高。
費用
本文已經討論了成本的一些要素。一般來講,成本包括
● 電路設計成本
● 設計人員成本、供應鏈成本和生產成本
● 認證成本
● 機會成本
一般來說,如果年產量超過100-150K件,或者產品的形狀不允許采用專用模塊,這些成本是合理的。
意法半導體提供的模塊
意法半導體是世界領先的半導體公司,生產各種低功耗射頻器件和模塊。意法半導體提供的射頻芯片組和相關模塊見下表

一個需要考慮的非常重要的方麵是,上麵提到的所有芯片組和模塊均已納入10年長期供貨計劃。這意味著如果一家公司在其設計中使用了這些組件,那麼意法半導體將從產品發布之日起的10年內持續提供這些組件,或提供完全兼容的替代品。
結論
如果終端設備的形狀不能適應模塊或產量非常大,則應采用芯片組方法以期實現合理的設計成本、生sheng產chan成cheng本ben和he認ren證zheng成cheng本ben。如ru果guo公gong司si希xi望wang專zhuan注zhu於yu自zi己ji的de核he心xin競jing爭zheng力li並bing避bi免mian射she頻pin設she計ji的de麻ma煩fan,模mo塊kuai化hua方fang法fa應ying該gai是shi首shou選xuan。模mo塊kuai化hua方fang法fa也ye是shi原yuan型xing製zhi作zuo和he小xiao批pi量liang生sheng產chan的de首shou選xuan。如ru本ben文wen所suo述shu,意yi法fa半ban導dao體ti是shi低di功gong率lv射she頻pin技ji術shu領ling域yu的de領ling軍jun企qi業ye,為wei各ge種zhong應ying用yong場chang景jing提ti供gong廣guang泛fan的de芯xin片pian組zu和he模mo塊kuai。
推薦閱讀:
特別推薦
- 噪聲中提取真值!瑞盟科技推出MSA2240電流檢測芯片賦能多元高端測量場景
- 10MHz高頻運行!氮矽科技發布集成驅動GaN芯片,助力電源能效再攀新高
- 失真度僅0.002%!力芯微推出超低內阻、超低失真4PST模擬開關
- 一“芯”雙電!聖邦微電子發布雙輸出電源芯片,簡化AFE與音頻設計
- 一機適配萬端:金升陽推出1200W可編程電源,賦能高端裝備製造
技術文章更多>>
- 築基AI4S:摩爾線程全功能GPU加速中國生命科學自主生態
- 一秒檢測,成本降至萬分之一,光引科技把幾十萬的台式光譜儀“搬”到了手腕上
- AI服務器電源機櫃Power Rack HVDC MW級測試方案
- 突破工藝邊界,奎芯科技LPDDR5X IP矽驗證通過,速率達9600Mbps
- 通過直接、準確、自動測量超低範圍的氯殘留來推動反滲透膜保護
技術白皮書下載更多>>
- 車規與基於V2X的車輛協同主動避撞技術展望
- 數字隔離助力新能源汽車安全隔離的新挑戰
- 汽車模塊拋負載的解決方案
- 車用連接器的安全創新應用
- Melexis Actuators Business Unit
- Position / Current Sensors - Triaxis Hall
熱門搜索
微波功率管
微波開關
微波連接器
微波器件
微波三極管
微波振蕩器
微電機
微調電容
微動開關
微蜂窩
位置傳感器
溫度保險絲
溫度傳感器
溫控開關
溫控可控矽
聞泰
穩壓電源
穩壓二極管
穩壓管
無焊端子
無線充電
無線監控
無源濾波器
五金工具
物聯網
顯示模塊
顯微鏡結構
線圈
線繞電位器
線繞電阻



