TDK應用注釋:用於汽車LED照明的電感器
發布時間:2020-02-20 來源:TDK 責任編輯:wenwei
【導讀】電動化日益發展的汽車的功耗抑製已成為一個重要的課題。LED的功耗、壽命、設計自由度和控製性優異,被前照燈和室內照明等多種功能使用。TDK集團中的功率電感器根據使用的LED驅動器不同,形成了最合適升壓型、降壓型和升降壓型等不同係統的廣泛電感器係列產品。

電動化日益發展的汽車的功耗抑製已成為一個重要的課題。LED的功耗、壽命、設計自由度和控製性優異,被前照燈和室內照明等多種功能使用。TDK集團中的功率電感器根據使用的LED驅動器不同,形成了最合適升壓型、降壓型和升降壓型等不同係統的廣泛電感器係列產品。
驅動LED需要恒定電流電路。為了從變動的蓄電池電壓中取出穩定的電力,必須使用直流轉換器。使用的直流轉換器(LED驅動器)根據使用的LED數量和係統的不同,區分使用升壓型、降壓型和可同時升降壓的類型。假設蓄電池電壓降至6V左右,僅使用1個正向電壓為3.5V的一般白色LED時,使用降壓型,而串聯連接2-4個LED時,使用升降壓型,串聯連接5個以上時使用升壓型。此外,如果是具有前照燈、日間行車燈和轉向燈等多種功能的係統,有時會組合使用電路。

表1 LED驅動器的種類
雖然各個公司都有不同的稱呼,但是高功能的LED前照燈使用了改變照射範圍或自由改變輝度的配光可變功能。使用多個LED,根據需要調整各LED的輝度,改變亮度和照射範圍。基本電路構成如圖1所示。升高電池電壓(Boost)(約40-60V),然後用降壓轉換器(Buck)為LED供電。

圖1 前照燈用LED燈電路構成
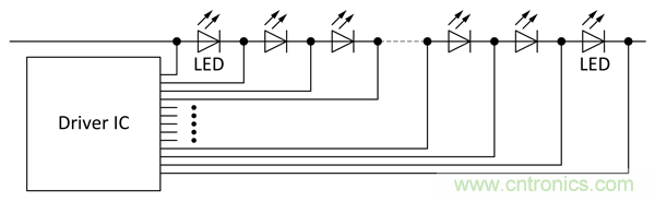
降壓轉換器(Buck)後麵有多個LED串並聯連接。(圖2)為了改變輝度,調整流過各LED的電流,在極端情況下,隻點亮一個LED,對上圖的降壓(Buck)轉換器的輸出電感器上施加接近60V的電壓。因此,在這種用途中使用時,選擇電感值比較高的電感器(例:100μH)。在前麵的升壓轉換器的平滑用電容器中,為了瞬間改變照射範圍,必須相對急劇的變動保持穩定,因此需要耐壓100V、1-10μF的容量較大的電容器。

圖2 多個LED串並聯時的電路例
單燈型采用1個轉換器的方式,使用升降壓或升壓型。用於單功能車外照明、室內照明、車載信息娛樂係統等。
多光束型采用2gezhuanhuanqi,qianmianshiyongshengyadianlu,houmianshiyongjiangyadianluhuohengdingdianliudianlu,chewaizhaomingzhongdeqianzhaodengshi,zaigaoguangshuhediguangshudeqiehuangouchengzhongshiyong。huozhefujiaDRL(日間行車燈)。
自適應前照燈係統也是2個轉換器,前麵使用升壓電路,後麵使用降壓電路或恒定電流電路,作為主前照燈、DRL、方向指示器等LED前照燈係統使用。

表2 LED前照燈的驅動電路

表3 TDK推薦電感器的產品係列
單燈型LED前照燈簡化了功能,切換高/低光束使用。這種情況下,使用約15W-30W的升壓(Boost)轉換器,代表性的電路構成如下所示。
輸出電壓由LED的串並聯數決定,大約為20-30V。升壓電路時,與降壓電路相比,開關損耗較大,難以實現高頻化。目前主要是200-400KHz。

圖3 升壓轉換器的電路實例

日間行車燈和室內照明等、背光燈、方向指示器等功耗相對較少的照明使用恒定流電路、升降壓電路。
LED電路中使用的升降壓電路常使用SEPIC電路。

圖4
圖4所示的SEPIC電路實例中,使用2個電感器(L1、L2)和直流切斷用電容器(C1)。輸出以與一般升降壓轉換器相同的方式進行控製,通過以下公式求得。雖然以往的升降壓轉換器(電路B)輸入和輸出的極性相反,而SEPIC電路是相同的極性。基本關係式如下所示,輸出電壓與電容器(C1)的輸入電壓相同。

根據上述關係式,理論上在L1和L2施加的電壓(VL1、VL2)相同,可以替換為圈數1:1的聯結雙線圈(電路C)。采用雙線圈時,施加在磁芯上的負擔是1個時的兩倍,並且需要磁芯損耗小、直流重疊大的電感器。B82477D*係列適合TDK的電感器產品。DR磁芯使用低損耗材料,抑製磁芯的發熱。

圖5 2合1電感器:B82477D*係列
推薦閱讀:
特別推薦
- 噪聲中提取真值!瑞盟科技推出MSA2240電流檢測芯片賦能多元高端測量場景
- 10MHz高頻運行!氮矽科技發布集成驅動GaN芯片,助力電源能效再攀新高
- 失真度僅0.002%!力芯微推出超低內阻、超低失真4PST模擬開關
- 一“芯”雙電!聖邦微電子發布雙輸出電源芯片,簡化AFE與音頻設計
- 一機適配萬端:金升陽推出1200W可編程電源,賦能高端裝備製造
技術文章更多>>
- 貿澤EIT係列新一期,探索AI如何重塑日常科技與用戶體驗
- 算力爆發遇上電源革新,大聯大世平集團攜手晶豐明源線上研討會解鎖應用落地
- 創新不止,創芯不已:第六屆ICDIA創芯展8月南京盛大啟幕!
- AI時代,為什麼存儲基礎設施的可靠性決定數據中心的經濟效益
- 矽典微ONELAB開發係列:為毫米波算法開發者打造的全棧工具鏈
技術白皮書下載更多>>
- 車規與基於V2X的車輛協同主動避撞技術展望
- 數字隔離助力新能源汽車安全隔離的新挑戰
- 汽車模塊拋負載的解決方案
- 車用連接器的安全創新應用
- Melexis Actuators Business Unit
- Position / Current Sensors - Triaxis Hall
熱門搜索
Future
GFIVE
GPS
GPU
Harting
HDMI
HDMI連接器
HD監控
HID燈
I/O處理器
IC
IC插座
IDT
IGBT
in-cell
Intersil
IP監控
iWatt
Keithley
Kemet
Knowles
Lattice
LCD
LCD模組
LCR測試儀
lc振蕩器
Lecroy
LED
LED保護元件
LED背光




