CMTI參數對於隔離驅動器選型的重要性
發布時間:2019-12-06 責任編輯:wenwei
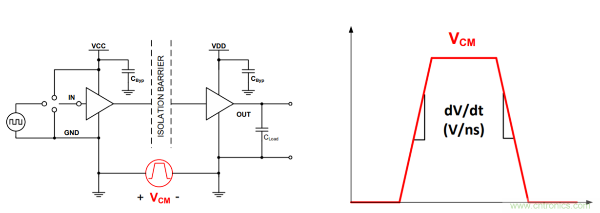
【導讀】CMTI,Common mode transient immunity,是隔離產品(包括iCoupler digital isolators 和optocouplers)最重要的指標之一。 CMTI共模瞬變抗擾度,指是指瞬態穿過隔離層以破壞驅動器輸出狀態所需的最低上升或下降dV/dt(kV/µs or V/ns),如圖:

圖1. CMTI定義
CMTI分為靜態和動態。靜態是指把輸入引腳連邏輯高電平或者低電平,然後模擬施加共模瞬變,理論上在CMTI規格以內的衝擊都無法改變輸出狀態。UL and VDE 0884-11 並沒有要求強製通過動態CMTI的測試,和靜態CMTI的要求一樣,動態CMTI的衝擊下,輸出也應當保持正常,如果CMTI的能力不夠強, 會出現類似missing pulse, excessive propagation delay, high or low error 或者 output latch的錯誤, 如下圖:

圖2. 錯誤類型
CMTI在應用中的意義
在應用中,這種瞬態通常是由開關節點上的高 DV/DT 引起的。如圖以光伏逆變器係統為例,隔離驅動器有一側的地是懸浮的並且快速切換的。這裏CMTI是一個關鍵指標,如果CMTI能力不夠,可能會導致輸出錯誤,可能會出現電路短路,影響係統安全。對其他應用比如電機驅動器,變頻器也是如此。

圖3. 典型光伏逆變器係統
那麼應該怎麼挑選CMTI參數呢?為了減少開關損耗而縮短上升下降時間,對CMTI的要求會變高。另外為了提高功率密度,節省成本,很多新的平台會考慮提高開關頻率,甚至采用SiC或GaN,這同樣會帶來CMTI需求的變大。另外,實驗證明, 具有高CMTI的器件在幹擾大的環境中, EMC/EMI的性能會更好。比如一個1500V的變頻器,64kHz的開關頻率,50-ns的上升/下降時間需要最少30-V/ns的CMTI, 建議選擇40V/ns以上。
推薦閱讀:
特別推薦
- 噪聲中提取真值!瑞盟科技推出MSA2240電流檢測芯片賦能多元高端測量場景
- 10MHz高頻運行!氮矽科技發布集成驅動GaN芯片,助力電源能效再攀新高
- 失真度僅0.002%!力芯微推出超低內阻、超低失真4PST模擬開關
- 一“芯”雙電!聖邦微電子發布雙輸出電源芯片,簡化AFE與音頻設計
- 一機適配萬端:金升陽推出1200W可編程電源,賦能高端裝備製造
技術文章更多>>
- 算力爆發遇上電源革新,大聯大世平集團攜手晶豐明源線上研討會解鎖應用落地
- 築基AI4S:摩爾線程全功能GPU加速中國生命科學自主生態
- 一秒檢測,成本降至萬分之一,光引科技把幾十萬的台式光譜儀“搬”到了手腕上
- AI服務器電源機櫃Power Rack HVDC MW級測試方案
- 突破工藝邊界,奎芯科技LPDDR5X IP矽驗證通過,速率達9600Mbps
技術白皮書下載更多>>
- 車規與基於V2X的車輛協同主動避撞技術展望
- 數字隔離助力新能源汽車安全隔離的新挑戰
- 汽車模塊拋負載的解決方案
- 車用連接器的安全創新應用
- Melexis Actuators Business Unit
- Position / Current Sensors - Triaxis Hall
熱門搜索
微波功率管
微波開關
微波連接器
微波器件
微波三極管
微波振蕩器
微電機
微調電容
微動開關
微蜂窩
位置傳感器
溫度保險絲
溫度傳感器
溫控開關
溫控可控矽
聞泰
穩壓電源
穩壓二極管
穩壓管
無焊端子
無線充電
無線監控
無源濾波器
五金工具
物聯網
顯示模塊
顯微鏡結構
線圈
線繞電位器
線繞電阻




