IO-Link技術與意法半導體
發布時間:2019-11-18 責任編輯:wenwei
【導讀】如今,所有的工業製造商,無論規模大小,都在升級生產設施、製造能力和工程服務,向工業4.0概念或智能工業轉型。
目mu前qian有you許xu多duo技ji術shu可ke以yi促cu進jin這zhe種zhong轉zhuan型xing,使shi工gong作zuo環huan境jing變bian得de更geng安an全quan,網wang絡luo安an全quan性xing和he覆fu蓋gai率lv更geng高gao,提ti高gao能neng源yuan利li用yong率lv,這zhe些xie是shi新xin工gong廠chang概gai念nian的de熱re點dian趨qu勢shi,將jiang其qi變bian為wei現xian實shi需xu要yao巨ju大da的de投tou入ru,其qi中zhong包bao括kuo舊jiu設she備bei智zhi能neng升sheng級ji改gai造zao工gong程cheng(例如,使用新的變頻解決方案改造舊電機,最大限度地提高能效)。
在工業現代化改造方麵,IO-Link技術在所有的基於傳感器的工廠級應用中占有顯著的地位,該技術的優勢是能夠讓普通工業傳感器(即生產線中的接近傳感器或壓力傳感器)實現智能化,熱插拔連接,更換簡便,支持多跳網絡和預測性維護係統。
IO-Link聯盟的成員包括歐洲最大的傳感器和執行器製造商以及可編程邏輯控製器(PLC)廠商,隨著來自世界各地的新公司加盟,聯盟的排名每月都在上升,並且該組織的所有新成員都看到了加盟這項計劃的好處。
作為聯盟的創辦者之一,意法半導體提供IO-Link主站收發器L6360和設備收發器L6362A(在IO-Link術語中稱為IO設備)。

圖1 –典型的工業網絡
IO-Link是什麼?
IO-Link是首個連接工業網絡底層傳感器及執行器的標準化通信協議,遵從IEC 61131-9國際標準,可編程控製器和相關外圍設備是該標準的基本內容。該技術本身的概念是,傳感器或執行器與主控製器(即PLC)交換通信數據(診斷和配置信息),同時確保向下兼容工業IO模塊。
IO-Link位於工業網絡體係架構的底層:PLC控製器(或工業網關)與位於網絡架構高層的工業現場總線相連,可以遠程傳輸工業網絡高層的數據信息。
IO-Link通信協議是什麼?
IO-Link是能夠驅動工廠自動化環境中的數字傳感器及執行器(標準IO設備)的點對點(半雙工)數shu字zi通tong信xin協xie議yi。協xie議yi具ju有you簡jian單dan易yi用yong和he即ji插cha即ji用yong的de特te點dian,以yi防fang故gu障zhang傳chuan感gan器qi更geng換huan或huo向xiang下xia兼jian容rong問wen題ti。因yin此ci,這zhe是shi一yi個ge簡jian單dan的de串chuan行xing通tong信xin協xie議yi,隻zhi需xu3根線,無需專用連接器及電纜:IO-Link使用傳統的M5、M8或M12規格的標準工業連接器,可以連接最常見的任何工業傳感器。從安裝工作量和成本角度看,IO-Link技術對工業網絡升級的影響很小。實際上,甚至可以繼續使用以前的布線基礎設施安裝IO-Link設備。
關於協議棧:按照最新的標準定義,IO-Link主站和設備收發器必須支持三種通信速度(COM1: 4.8 kbit/s、COM2: 38.4 kbit/s、COM3: 230.4 kbit/s),並且主站收發器具有模擬和數字(8位、12位或16位)兩種通信模式。在COM3通信模式下,主站與設備之間傳送一個典型的數據幀是2個字節,周期是400μs。
為什麼可以即插即用?
即插即用的實現方式是將所有參數都存儲在主站,這樣,在更換傳感器時,即使是熱插拔,傳感器(在更好的情況下,是智能傳感器,即設備)也會接收到設備配置所需的全部信息。主站存儲的文件通常為.xml格式,包含有關傳感器的所有信息(即型號、製造商、功能等),這個文件被稱為IODD(IO-Link設備描述符)。一個傳感器或執行器對應一個IODD。
ST的IO-Link 芯片和解決方案
意法半導體的L6360和L6362A兩款芯片可實現IO-Link主站和設備解決方案,產品特性包括應用範圍廣,寬輸入電壓,高輸出電流,低耗散功率,高可靠性。

圖2 –主站芯片與設備芯片之間的典型連接
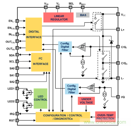
L6360是一個兼容PHY2(3線)的單片IO-Link主站端口,支持COM1、COM2和COM3三種模式,還支持標準IO(SIO)設備。L6360的靈活性極高,輸出級C/Q0輸出引腳可配置為(高邊、低邊或推挽)。L6360通過標準I2C接口與微控製器(運行協議棧的微控製器)通信,然後將通過USART(IN C/Q0引腳)接收的主微控製器數據發送到PHY2(C/Q0引腳),或者將從物理層接收到的數據發送到USART(OUT C/QI引腳)。
框圖和關鍵功能如下圖所示。

圖3 – L6360主站芯片框圖
L6360的主要功能特性
● 電源電壓18 V-32.5 V
● 可配置輸出級:高端、低端或推挽式(<2Ω)
● 高邊驅動器L +引腳保護電流高達500 mA
● 支持COM1、COM2和COM3模式
● IEC61131-2 type 1附加輸入
● 通過限流和設置截止電流實現短路和過流輸出保護
● 3.3 V / 5 V、50 mA線性穩壓器
● 5 mA IO-Link數字輸入
● 通過I2C接口快速模式控製、配置和診斷芯片
● 用於診斷功能的雙LED序列發生器和驅動器
● 5 V和3.3 V兼容I / O引腳
● 過壓保護(> 36 V)
● 過熱保護
● 靜電防護
● 小型VFQFPN 26L(3.5 x 5 x 1 mm)封裝
L6362A是符合PHY2(3線連接)標準的IO-Link設備收發器芯片,支持COM1、COM2和COM3模式。這款芯片還支持標準IO (SIO)模式。輸出級提供三種可選配置(高邊、低邊、推挽),能夠驅動任何類型的負載(電阻、電容或電感),凡是24V工業傳感器都可以連接到L6362A。
VCC, GND, OUTH, OUTL和I/Q引腳之間的反極性保護是這款芯片的重要功能,是工業傳感器管理應用的基本要求。
下麵列出了其它重要功能以及設備芯片的框圖。

圖4 – L6362A設備芯片框圖
L6362A的主要功能特性
● 功率級能效極高
(1) RDSON =0.8Ω/1Ω(低邊/高邊)
(2)輸出電流高達300 mA
(3)模式:高邊、低邊、推挽
(4)驅動達500mJ /30μF的感性/容性/電阻負載
● 5 V或3.3 V可選10 mA線性穩壓器
● 支持COM1、COM2和COM3模式
● 支持喚醒檢測
● 全麵保護,包括反極性、過壓/欠壓、過載、過熱…
● 高EMC抗擾性(突發、浪湧,ESD等)
● -40 至 +125 °C工作溫度
● 小型DFN 3 x 3 mm封裝
ST為設計人員提供大量的開發工具,下麵從芯片評估板開始介紹。
首先是STEVAL-IFP016V2主站芯片評估板,這塊板子以 L6360主站芯片為核心,可以通過外部連接器連接主微控製器。
STEVAL-IFP016V2處理微控製器信號,提供24 V輸出,能夠演示L6360的所有功能。
板上的GND區域旨在最大程度地降低噪聲並確保良好的熱性能。

圖5 –具有L6360全部特性的STEVAL-IFP016V2
第二塊板子是STEVAL-IFP017V3,這是一款以L6362A設備芯片為核心的評估板,用於測試L6362A的全部功能,例如,快速退磁和反極性保護等豐富的電氣保功能。使用STEVAL-IFP017V3設計項目,無需外部組件即可滿足IEC 61000-4-4(突發),IEC 61000-4-2(ESD)和EN60947-5-2 / IEC 61000-4-5(浪湧)的要求。

圖6 –具有L6362A全部特性的STEVAL-IFP017V3
所(suo)有(you)這(zhe)些(xie)開(kai)發(fa)板(ban)都(dou)是(shi)為(wei)充(chong)分(fen)利(li)用(yong)這(zhe)兩(liang)款(kuan)芯(xin)片(pian)的(de)功(gong)能(neng)而(er)開(kai)發(fa)設(she)計(ji)。設(she)計(ji)人(ren)員(yuan)通(tong)常(chang)需(xu)要(yao)開(kai)發(fa)支(zhi)持(chi),甚(shen)至(zhi)在(zai)應(ying)用(yong)級(ji)也(ye)需(xu)要(yao)支(zhi)持(chi)。因(yin)此(ci),意(yi)法(fa)半(ban)導(dao)體(ti)開(kai)發(fa)了(le)基(ji)於(yu)L6360的4端口IO-Link主站板STEVAL-IDP004V1和和基於L6362A的傳感器設備評估套件STEVAL-IDP003V1。
STEVAL-IDP004V1板載四顆不同的L6360芯片,支持多種通信模式:IO-Link、SIO、RS-485、USB和CAN,中央處理器是STM32F205 Cortex M3微控製器,還配備一個普通的RS232 PC接口,用於測試板子的通信功能。

圖7 –帶有四個連接端口的STEVAL-IDP004V1
如圖7所示,STEVAL-IDP004V1安裝了四個M12連接器,可以同時連接四個不同的傳感器。在我們應用方案中,用STEVAL-IDP003V1板上的L6362A芯片代表傳感器。
STEVAL-IDP003V1套件可以安裝在最小的常規工業傳感器內(僅8 x 70 mm大小)。在套件的參考設計板上,可以安裝多達四個不同的傳感器子板(接近檢測、振動檢測、加速度計和溫度傳感器),板上還搭載一個運行設備端協議棧的專用低功耗微控製器STM32L071。
STEVAL-IDP003V1的抗擾性設計保證應用通過EMC和ESD應力測試。

圖8 – STEVAL-IDP003V1及其四塊傳感器子板
最後,按照STM32 ODE計劃,下一個開發工具將是IO-Link擴展板,又稱X-Nucleo開發板,用於簡化IO-Link應用的原型設計。有了這些新電路板,IO-Link協議棧將運行在主STM32微控製器上,建立一個全功能的IO-Link點對點通信通道。
推薦閱讀:
特別推薦
- 噪聲中提取真值!瑞盟科技推出MSA2240電流檢測芯片賦能多元高端測量場景
- 10MHz高頻運行!氮矽科技發布集成驅動GaN芯片,助力電源能效再攀新高
- 失真度僅0.002%!力芯微推出超低內阻、超低失真4PST模擬開關
- 一“芯”雙電!聖邦微電子發布雙輸出電源芯片,簡化AFE與音頻設計
- 一機適配萬端:金升陽推出1200W可編程電源,賦能高端裝備製造
技術文章更多>>
- 築基AI4S:摩爾線程全功能GPU加速中國生命科學自主生態
- 一秒檢測,成本降至萬分之一,光引科技把幾十萬的台式光譜儀“搬”到了手腕上
- AI服務器電源機櫃Power Rack HVDC MW級測試方案
- 突破工藝邊界,奎芯科技LPDDR5X IP矽驗證通過,速率達9600Mbps
- 通過直接、準確、自動測量超低範圍的氯殘留來推動反滲透膜保護
技術白皮書下載更多>>
- 車規與基於V2X的車輛協同主動避撞技術展望
- 數字隔離助力新能源汽車安全隔離的新挑戰
- 汽車模塊拋負載的解決方案
- 車用連接器的安全創新應用
- Melexis Actuators Business Unit
- Position / Current Sensors - Triaxis Hall
熱門搜索
微波功率管
微波開關
微波連接器
微波器件
微波三極管
微波振蕩器
微電機
微調電容
微動開關
微蜂窩
位置傳感器
溫度保險絲
溫度傳感器
溫控開關
溫控可控矽
聞泰
穩壓電源
穩壓二極管
穩壓管
無焊端子
無線充電
無線監控
無源濾波器
五金工具
物聯網
顯示模塊
顯微鏡結構
線圈
線繞電位器
線繞電阻





