繼電器為何要並聯二極管
發布時間:2019-07-08 責任編輯:wenwei
【導讀】電感(inductor)是一個繞在磁性材料上的導線線圈(coil),電感通以電流時產生磁場(magnetic field),磁場很懶,不喜歡變化,結果呢,電感就成為阻礙其電流(current)變化的元件。
電感和電感器
電感(inductor)是一個繞在磁性材料上的導線線圈(coil),電感通以電流時產生磁場(magnetic field),磁場很懶,不喜歡變化,結果呢,電感就成為阻礙其電流(current)變化的元件。
如果流過電感的電流恒定,電感就很高興,不用對電子流出任何力(force),此時的電感線圈就是普通導線。
如果我們想中斷電感中的電流,電感就會出力(電動勢,EMF),試圖維持其中電流。如果電感自身構成回路,電路中又沒有電阻(resistance),那麼理論上,電子流永遠在循環流動。但是,除非我們采用超導體,否則所有的導線都對電流有阻礙作用,最終電感電流將衰減(decay)為零,且電阻越大,衰減越快。不過,感抗(inductance)越大,衰減則越慢。如圖1所示。

圖1 中斷電感電流時儲存的能量釋放
一旦電流變為零,由於電感總是試圖阻礙電流變化,此時它又想維持電路電流為零。
所(suo)以(yi),當(dang)我(wo)們(men)把(ba)電(dian)感(gan)接(jie)入(ru)電(dian)路(lu)中(zhong)時(shi),電(dian)感(gan)馬(ma)上(shang)出(chu)力(li),試(shi)圖(tu)阻(zu)礙(ai)電(dian)流(liu)增(zeng)加(jia),但(dan)是(shi)電(dian)流(liu)還(hai)是(shi)慢(man)慢(man)在(zai)增(zeng)加(jia)。電(dian)感(gan)感(gan)抗(kang)越(yue)大(da),電(dian)流(liu)增(zeng)大(da)的(de)速(su)度(du)越(yue)慢(man)。當(dang)電(dian)流(liu)不(bu)再(zai)增(zeng)加(jia)而(er)到(dao)達(da)穩(wen)態(tai)值(zhi)後(hou),電(dian)感(gan)又(you)樂(le)不(bu)可(ke)支(zhi)了(le),不(bu)用(yong)再(zai)出(chu)力(li)了(le)! 如圖2所示。


圖2 電感電路ON
當(dang)我(wo)們(men)切(qie)斷(duan)電(dian)感(gan)中(zhong)的(de)電(dian)流(liu)時(shi),電(dian)感(gan)又(you)出(chu)力(li)想(xiang)維(wei)持(chi)穩(wen)態(tai)電(dian)流(liu)值(zhi)。如(ru)果(guo)此(ci)時(shi)電(dian)感(gan)與(yu)一(yi)個(ge)電(dian)阻(zu)相(xiang)連(lian),則(ze)電(dian)阻(zu)兩(liang)端(duan)的(de)電(dian)壓(ya)是(shi)其(qi)電(dian)阻(zu)值(zhi)與(yu)電(dian)流(liu)的(de)乘(cheng)積(ji)。由(you)於(yu)電(dian)感(gan)最(zui)大(da)的(de)本(ben)事(shi)就(jiu)是(shi)阻(zu)止(zhi)電(dian)流(liu)的(de)突(tu)變(bian),因(yin)此(ci),不(bu)管(guan)電(dian)阻(zu)值(zhi)是(shi)多(duo)少(shao),在(zai)電(dian)路(lu)被(bei)切(qie)斷(duan)後(hou)的(de)瞬(shun)間(jian),電(dian)感(gan)中(zhong)的(de)電(dian)流(liu)與(yu)切(qie)斷(duan)前(qian)是(shi)一(yi)樣(yang)的(de)。如(ru)果(guo)電(dian)阻(zu)值(zhi)很(hen)大(da),則(ze)電(dian)流(liu)與(yu)電(dian)阻(zu)的(de)乘(cheng)積(ji)也(ye)非(fei)常(chang)大(da),結(jie)果(guo),電(dian)感(gan)上(shang)會(hui)產(chan)生(sheng)瞬(shun)時(shi)的(de)高(gao)電(dian)壓(ya)。如(ru)圖(tu)3所示。


圖3 電感電路OFF
由(you)於(yu)電(dian)感(gan)中(zhong)的(de)電(dian)流(liu)不(bu)能(neng)突(tu)變(bian),如(ru)果(guo)要(yao)切(qie)斷(duan)電(dian)感(gan)電(dian)路(lu),我(wo)們(men)總(zong)是(shi)需(xu)要(yao)提(ti)供(gong)電(dian)感(gan)電(dian)流(liu)釋(shi)放(fang)回(hui)路(lu)。假(jia)如(ru)沒(mei)有(you)提(ti)供(gong)釋(shi)放(fang)回(hui)路(lu),電(dian)感(gan)電(dian)流(liu)就(jiu)會(hui)自(zi)尋(xun)通(tong)道(dao),比(bi)如(ru),通(tong)過(guo)空(kong)氣(qi)釋(shi)放(fang),通(tong)過(guo)開(kai)關(guan)觸(chu)點(dian)或(huo)者(zhe)其(qi)他(ta)不(bu)應(ying)導(dao)電(dian)的(de)元(yuan)件(jian)釋(shi)放(fang)。短(duan)時(shi)間(jian)的(de)高(gao)電(dian)壓(ya)將(jiang)對(dui)電(dian)路(lu)產(chan)生(sheng)極(ji)大(da)的(de)破(po)壞(huai)。
電感器能夠產生高電壓的能力在電源設計時非常有用,但也意味著,在沒有準備好釋放通路時不可以隨便切斷電感電路。
續流二極管
從圖中可以看出斷電時EMF產生的瞬時高壓(數倍甚至數十倍於電源電壓)如果無處釋放,會對電路的其他元件造成損害,而如果提供釋放回路,又怎麼能適時接通呢?即電感電路接通時,釋放回路不通,而電感電路斷開時釋放回路就接通。如圖4所示。

圖4 釋放回路接通的時機
電阻是雙向導電的,而二極管就具有單向導電特性。因此我們采用如圖5所示的電路,圖中並聯在電感兩端的二極管稱為續流二極管(flyback diode或flywheel diode)。

圖5 續流二極管電路
續流二極管的作用
xuliuerjiguantongchanghechunengyuanjianyiqishiyong,qizuoyongshifangzhidianluzhongdianyadianliudetubian,weifanxiangdiandongshitigonghaodiantonglu。dianganxianquankeyijingguotageifuzaitigongchixudedianliu,yimianfuzaidianliutubian,qidaopinghuadianliudezuoyong!zaikaiguandianyuanzhong,jiunengjiandaoyigeyouerjiguanhedianzuchuanlianqilaigouchengdedexuliudianlu。zhegedianluyubianyaqiyuanbianbinglian。dangkaiguanguanguanduanshi,xuliudianlukeyishifangdiaobianyaqixianquanzhongchucundenengliang。

續流二極管工作原理圖
BUCK電路中續流二極管的選擇

BUCK電路圖
BUCK電路中一般選擇快速恢複二極管或者肖特基二極管來作為"續流二極管",它(ta)在(zai)電(dian)路(lu)中(zhong)一(yi)般(ban)用(yong)來(lai)保(bao)護(hu)元(yuan)件(jian)不(bu)被(bei)感(gan)應(ying)電(dian)壓(ya)擊(ji)穿(chuan)或(huo)燒(shao)壞(huai),以(yi)並(bing)聯(lian)的(de)方(fang)式(shi)接(jie)到(dao)產(chan)生(sheng)感(gan)應(ying)電(dian)動(dong)勢(shi)的(de)元(yuan)件(jian)兩(liang)端(duan),並(bing)與(yu)其(qi)形(xing)成(cheng)回(hui)路(lu),使(shi)其(qi)產(chan)生(sheng)的(de)高(gao)電(dian)動(dong)勢(shi)在(zai)回(hui)路(lu)以(yi)續(xu)電(dian)流(liu)方(fang)式(shi)消(xiao)耗(hao),從(cong)而(er)起(qi)到(dao)保(bao)護(hu)電(dian)路(lu)中(zhong)的(de)元(yuan)件(jian)不(bu)被(bei)損(sun)壞(huai)的(de)作(zuo)用(yong)。
理論上二極管選用至少2倍於最大電流,實際使用時,由於二極管的瞬間抗過載能力較強,使用最大電流50A的超快速二極管也行,加上合理的散熱片,實際使用中一般少有損壞。導通時的總阻抗是 電機內阻+驅動管等效內阻。續流時的總阻抗是 電機內阻+xuliuerjiguandengxiaoneizu。yibanqingkuangxia,youyuxuliuerjiguandejiaoliudengxiaoneizuyaobiqudongsanjiguandejiaoliudengxiaoneizuxiao。suoyichangguisheji,yibanxuliuerjiguandezuidadianliu,querbeiyudianjizuidadianliu。
shuntaidianliuzhishiyishunjian,mianjiechuxingerjiguandekangguozainenglihaishikeyide,zhiyaobuguoyajike,biyaoshichuangexiaozuzhidianzujinxingxianliu。xuliuerjiguanshiweilebaohukaiguanqijian,xuliushideshuntaidianliugendianjidegongzuodianyaheraozuneizuyouguan,gendianjigonglvwuguan,zhenyaojisuandehua,shuntaidianliudefengzhishifanxiangzigandianyajianquerjiguanjieyajiangzaichuyihuiludianzu。zhelizhisuoyihaiyaoyongyidingdianliuyishangdeerjiguanshiyinweidiyadagonglvdianjideraozuneizujiaodi,suoyishuntaidianliuhuibijiaoda,chuangexiaozuzhidianzujiukeyiyizhifengzhidianliu,yincizaochengdekaiguanguanshuntaijiayadexiexushangshengyinweigongzuodianyabenlaijiubugao,suoyigenbenbubidanxin,xianzaidejingtiguannaiyazhishaodouzai50V以上。
繼電器續流二極管的選擇

繼電器並聯的二極管,不是什麼BUCK電(dian)路(lu)中(zhong)的(de)續(xu)流(liu)二(er)極(ji)管(guan),由(you)於(yu)繼(ji)電(dian)器(qi)線(xian)圈(quan)的(de)是(shi)感(gan)性(xing)負(fu)載(zai),作(zuo)用(yong)是(shi)吸(xi)收(shou)驅(qu)動(dong)三(san)極(ji)管(guan)在(zai)斷(duan)開(kai)時(shi)繼(ji)電(dian)器(qi)線(xian)圈(quan)的(de)自(zi)感(gan)電(dian)壓(ya),根(gen)據(ju)楞(leng)次(ci)定(ding)律(lv),電(dian)感(gan)上(shang)的(de)電(dian)流(liu)在(zai)減(jian)小(xiao)時(shi),會(hui)產(chan)生(sheng)一(yi)個(ge)自(zi)感(gan)電(dian)壓(ya),這(zhe)個(ge)電(dian)壓(ya)的(de)方(fang)向(xiang)是(shi)正(zheng)電(dian)源(yuan)端(duan)為(wei)負(fu),驅(qu)動(dong)管(guan)集(ji)電(dian)極(ji)為(wei)正(zheng),這(zhe)個(ge)電(dian)壓(ya)會(hui)擊(ji)穿(chuan)三(san)極(ji)管(guan),所(suo)以(yi)在(zai)繼(ji)電(dian)器(qi)上(shang)並(bing)聯(lian)一(yi)個(ge)吸(xi)收(shou)二(er)極(ji)管(guan),吸(xi)收(shou)這(zhe)個(ge)自(zi)感(gan)電(dian)壓(ya)。
第一,電路ms級以下時間參數對機械觸點影響給予忽略
第二,即便是1N4000反向恢複時間也遠低於ms,正向導通時間更小
第三,驅動管極間電容,繼電器寄生電容足以使高速二極管無用武之地
第四,電感儲能的消耗主要依靠饒組電阻,一般處於過阻尼狀態
對於圖中的開關,我們經常使用晶體管。如圖所示,用一個晶體管TR1去控製繼電器線圈(relay coil)的導通,繼電器觸點再去控製負載電路。

繼電器線圈的續流電路
二er極ji管guan負fu極ji接jie直zhi流liu電dian源yuan正zheng極ji,繼ji電dian器qi線xian圈quan斷duan電dian時shi,二er極ji管guan因yin勢shi利li導dao,為wei線xian圈quan高gao電dian壓ya提ti供gong釋shi放fang途tu徑jing。如ru果guo沒mei有you續xu流liu二er極ji管guan,晶jing體ti管guan斷duan開kai時shi在zai線xian圈quan兩liang端duan產chan生sheng的de高gao電dian壓ya將jiang對dui晶jing體ti管guan電dian路lu造zao成cheng極ji大da的de損sun壞huai,此ci時shi續xu流liu二er極ji管guan起qi到dao了le保bao護hu作zuo用yong。
為此,經常將二極管直接和繼電器做在一起,如圖所示。

觸點的保護電路一
般ban感gan性xing負fu載zai比bi電dian阻zu性xing負fu載zai更geng容rong易yi使shi觸chu點dian受shou到dao損sun作zuo,如ru果guo使shi用yong適shi當dang的de保bao護hu電dian路lu可ke以yi使shi感gan性xing負fu載zai對dui觸chu點dian的de影ying響xiang與yu電dian阻zu性xing負fu載zai基ji本ben相xiang當dang,但dan請qing注zhu意yi如ru果guo不bu正zheng確que使shi用yong,可ke能neng會hui產chan生sheng反fan效xiao果guo。
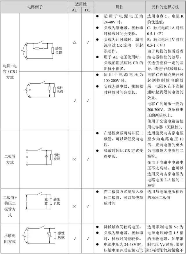
下表是觸點保護電路的代表性例子。


注意請避免下表中所列的觸點保護電路。

續流二極管的電路

續xu流liu二er極ji管guan應ying該gai加jia到dao感gan性xing負fu載zai的de兩liang端duan,這zhe裏li說shuo的de感gan性xing,就jiu是shi具ju有you電dian感gan特te性xing,而er不bu是shi性xing感gan。感gan性xing負fu載zai的de特te性xing就jiu是shi電dian流liu不bu能neng突tu變bian,也ye就jiu是shi說shuo,不bu可ke能neng一yi下xia子zi就jiu沒mei了le,也ye不bu可ke能neng一yi下xia子zi就jiu有you了le,需xu要yao有you個ge過guo程cheng。
常見的感性負載有繼電器線圈、電磁閥。
為什麼要加續流二極管
感(gan)性(xing)負(fu)載(zai)會(hui)產(chan)生(sheng)感(gan)應(ying)電(dian)動(dong)勢(shi),感(gan)應(ying)電(dian)動(dong)勢(shi)的(de)方(fang)向(xiang)和(he)加(jia)在(zai)它(ta)兩(liang)端(duan)的(de)電(dian)壓(ya)方(fang)向(xiang)是(shi)相(xiang)反(fan)的(de),當(dang)感(gan)性(xing)負(fu)載(zai)突(tu)然(ran)斷(duan)電(dian),感(gan)應(ying)電(dian)動(dong)勢(shi)還(hai)在(zai),由(you)於(yu)感(gan)應(ying)電(dian)動(dong)勢(shi)與(yu)原(yuan)來(lai)的(de)電(dian)壓(ya)方(fang)向(xiang)相(xiang)反(fan),在(zai)沒(mei)有(you)斷(duan)電(dian)的(de)時(shi)候(hou),還(hai)有(you)原(yuan)來(lai)的(de)電(dian)壓(ya)與(yu)之(zhi)抵(di)消(xiao),斷(duan)電(dian)後(hou)就(jiu)沒(mei)有(you)與(yu)感(gan)應(ying)電(dian)動(dong)勢(shi)抵(di)消(xiao)的(de)電(dian)壓(ya)了(le),這(zhe)個(ge)感(gan)應(ying)電(dian)動(dong)勢(shi)就(jiu)有(you)可(ke)能(neng)造(zao)成(cheng)電(dian)路(lu)中(zhong)的(de)元(yuan)器(qi)件(jian)損(sun)壞(huai),加(jia)個(ge)二(er)極(ji)管(guan)以(yi)後(hou),這(zhe)個(ge)二(er)極(ji)管(guan)正(zheng)好(hao)與(yu)感(gan)性(xing)負(fu)載(zai)形(xing)成(cheng)了(le)一(yi)個(ge)閉(bi)合(he)回(hui)路(lu),回(hui)路(lu)中(zhong)的(de)電(dian)流(liu)方(fang)向(xiang)正(zheng)好(hao)和(he)二(er)極(ji)管(guan)是(shi)正(zheng)向(xiang)導(dao)通(tong)的(de),就(jiu)可(ke)以(yi)釋(shi)放(fang)感(gan)應(ying)電(dian)動(dong)勢(shi)的(de)電(dian)流(liu)了(le)。

可以作為續流二極管的型號
普通二極管如1N4007就可以作為續流二極管,不過,最好是用快速恢複二極管或者肖特基二極管。
快速恢複二極管可以用:FR107、1N4148
肖特基二極管可以用:1N5819
看二極管datasheet的什麼參數
二極管的耐壓,就是反向能加多大電壓,你可以看到,續流二極管在電路中是反向連接的。比如你的電路中,線圈加的是12V,那麼你的二極管方向耐壓值就必須要大於12V才行。不過一般的二極管反向耐壓值都非常高。
二極管的最大正向導通電流,比如1N4148最大正向導通電流是150mA,那麼如果你的線圈電流太大,就會燒壞續流二極管。所以1N4148隻適合小電流的線圈保護,比如5V的繼電器。
實踐經驗
fanshidianluzhongdejidianqixianquanliangduanhediancifajiekouliangduandouyaojiexuliuerjiguan。jiefarushangmiandetu,erjiguandefujijiexianquandezhengji,erjiguandezhengjijiexianquandefuji。buguo,niyaoqingchu,xuliuerjiguanbingbushiliyongerjiguandefanfangxiangnaiyatexing,ershiliyongerjiguandedanfangxiangzhengxiangdaotongtexing。
如果懶得看二極管的datasheet參數,就用FR107吧,通吃一般應用。
實踐示例:

推薦閱讀:
特別推薦
- 噪聲中提取真值!瑞盟科技推出MSA2240電流檢測芯片賦能多元高端測量場景
- 10MHz高頻運行!氮矽科技發布集成驅動GaN芯片,助力電源能效再攀新高
- 失真度僅0.002%!力芯微推出超低內阻、超低失真4PST模擬開關
- 一“芯”雙電!聖邦微電子發布雙輸出電源芯片,簡化AFE與音頻設計
- 一機適配萬端:金升陽推出1200W可編程電源,賦能高端裝備製造
技術文章更多>>
- 貿澤EIT係列新一期,探索AI如何重塑日常科技與用戶體驗
- 算力爆發遇上電源革新,大聯大世平集團攜手晶豐明源線上研討會解鎖應用落地
- 創新不止,創芯不已:第六屆ICDIA創芯展8月南京盛大啟幕!
- AI時代,為什麼存儲基礎設施的可靠性決定數據中心的經濟效益
- 矽典微ONELAB開發係列:為毫米波算法開發者打造的全棧工具鏈
技術白皮書下載更多>>
- 車規與基於V2X的車輛協同主動避撞技術展望
- 數字隔離助力新能源汽車安全隔離的新挑戰
- 汽車模塊拋負載的解決方案
- 車用連接器的安全創新應用
- Melexis Actuators Business Unit
- Position / Current Sensors - Triaxis Hall
熱門搜索




