油氣田中氣體流量傳感器的應用
發布時間:2018-09-25 責任編輯:wenwei
【導讀】對於在油氣田中氣體流量傳感器的應用,工釆網提供了FS5001B係列氣體流量傳感器是專門為各類小流量氣體的測量和過程控製而設計的。這一係列傳感器均采用本公司自主研發的微機電係統(MEMS)流量傳感器芯片來製作,適用於各類清潔、幹燥氣體。
油氣田是指受單一局部構造單位所控製的同一麵積內的油藏、氣藏、油氣藏的總和。如果在這個局部構造範圍內隻有油藏,稱為油田;隻有氣藏,稱為氣田。但是油氣聚集的場所一般不是油氣生成的地方,油氣藏是油氣經過運移、聚ju集ji才cai形xing成cheng的de。油you氣qi田tian是shi油you氣qi現xian在zai聚ju集ji的de場chang所suo。石shi油you和he天tian然ran氣qi之zhi所suo以yi能neng夠gou聚ju集ji起qi來lai,是shi由you於yu這zhe裏li受shou局ju部bu構gou造zao單dan位wei控kong製zhi,形xing成cheng了le各ge種zhong圈quan閉bi。

這類局部構造單位可以是穹隆、背斜、單斜、刺穿構造等等,在它們所控製的範圍內往往伴生多種圈閉,從而形成多種油氣藏。這些受同一局部構造單位控製的麵積內油藏、氣藏的總稱,就是一個油氣田。
ruguoshuoyouzangshikantanshixunzhaoyuanliao,youtiankaifahecaiyoushitigongyuanliaonamejiqizhandegongnengshishoujiqijingdetianranqi,duishoujidetianranqijinxingqiyefenlichulihou,chulihoufenbieduiqiyejinxingjiliang;分離出的天然氣需進行壓力控製,使之滿足集氣管線的輸送壓力要求。為此集氣站的工藝流程通常為集氣、分離、計量、清管等。
為了提高油田計量的準確性,氣田集氣站都采用氣體流量傳感器來計算油田計量,氣體流量傳感器主要由殼體、前導向架、葉輪、後導向架、壓緊圈和帶放大器的磁電感應轉換器等組成,吸取國內外先進技術進行設計,綜合氣體動力學、流體力學、電磁學等理論而自行研製開發的新一代高精度、高可靠性的緊密氣體流量傳感器,具有出色的低壓和高壓計量性能,多種信號輸出方式以及對流體擾動的低敏感性,廣泛適用於天然氣、煤製氣、液化氣、輕烴氣等氣體的計量。
qitiliuliangchuanganqigongzuoyuanlidangbeiceliutiliujingchuanganqishi,chuanganqineideyelunjiezhuyuliutidedongnengerchanshengxuanzhuan,yelunjizhouqixingdigaibiancidianganyingxitongzhongdecidianzu,shitongguoxianquandecitongliangzhouqixingdifashengbianhuaerchanshengdianmaichongxinhao,jingfangdaqifangdahouchuansongzhixiangyingdeliuliangjisuanyibiao,jinxingliulianghuozongliangdeceliang。

因而對於在油氣田中氣體流量傳感器的應用工釆網提供了FS5001B係列氣體流量傳感器是專門為各類小流量氣體的測量和過程控製而設計的。這一係列傳感器均采用本公司自主研發的微機電係統(MEMS)流量傳感器芯片來製作,適用於各類清潔、幹燥氣體。傳感器采用標貼式安裝,使安裝尺寸更加緊湊,可以很容易的實現在小空間內的多傳感器集成。
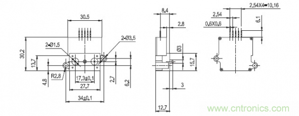
FS5001B係列氣體流量傳感器機械尺寸

FS5001B係列氣體流量傳感器技術參數

FS5001B係列氣體流量傳感器產品選型

推薦閱讀:
特別推薦
- 噪聲中提取真值!瑞盟科技推出MSA2240電流檢測芯片賦能多元高端測量場景
- 10MHz高頻運行!氮矽科技發布集成驅動GaN芯片,助力電源能效再攀新高
- 失真度僅0.002%!力芯微推出超低內阻、超低失真4PST模擬開關
- 一“芯”雙電!聖邦微電子發布雙輸出電源芯片,簡化AFE與音頻設計
- 一機適配萬端:金升陽推出1200W可編程電源,賦能高端裝備製造
技術文章更多>>
- 築基AI4S:摩爾線程全功能GPU加速中國生命科學自主生態
- 一秒檢測,成本降至萬分之一,光引科技把幾十萬的台式光譜儀“搬”到了手腕上
- AI服務器電源機櫃Power Rack HVDC MW級測試方案
- 突破工藝邊界,奎芯科技LPDDR5X IP矽驗證通過,速率達9600Mbps
- 通過直接、準確、自動測量超低範圍的氯殘留來推動反滲透膜保護
技術白皮書下載更多>>
- 車規與基於V2X的車輛協同主動避撞技術展望
- 數字隔離助力新能源汽車安全隔離的新挑戰
- 汽車模塊拋負載的解決方案
- 車用連接器的安全創新應用
- Melexis Actuators Business Unit
- Position / Current Sensors - Triaxis Hall
熱門搜索
微波功率管
微波開關
微波連接器
微波器件
微波三極管
微波振蕩器
微電機
微調電容
微動開關
微蜂窩
位置傳感器
溫度保險絲
溫度傳感器
溫控開關
溫控可控矽
聞泰
穩壓電源
穩壓二極管
穩壓管
無焊端子
無線充電
無線監控
無源濾波器
五金工具
物聯網
顯示模塊
顯微鏡結構
線圈
線繞電位器
線繞電阻




