負電壓電源設計的種類
發布時間:2018-09-07 責任編輯:wenwei
【導讀】各位工程師在設計電路時,可能會遇到需要負電壓供電的係統,例如使用負電壓為IGBT提供關斷負電壓、運放係統中用正負對稱的偏置電壓供電。那麼該如何產生一個穩定可靠的負電壓呢?本文將為你介紹不同的解決方案。
fudianyashejigenjubutongdefuzaidianliuyouhenduobutongfangan,yixiashigeichujizhongmuqianshimianbijiaochangjiandefudianyafangan,keyigenjubutongchangheshiyongheshidefangan。
一、工頻變壓器輸出正負電壓

圖1 工頻變壓器正負輸出電源
各位工程師看到圖1的電路是否有很強的親切感,是否能想起大學時接觸電子設計時的情景?此經典電路優點比較明顯,電路結構簡單、極低幹擾噪聲、穩定性好;同時此電路也有缺點,輸入交流電範圍窄(一般是220VAC±5%),體積重量大;雖然此電路缺點明顯目前還有一些應用采用此方案設計。此方案主要是利用變壓器產生負電壓在通過線性穩壓器7905進行穩壓。
二、電源模塊輸出負電壓
由you於yu電dian子zi元yuan件jian製zhi造zao工gong藝yi技ji術shu越yue來lai越yue好hao,能neng量liang損sun耗hao越yue來lai越yue低di,這zhe樣yang一yi來lai越yue來lai越yue有you利li於yu電dian源yuan的de模mo塊kuai化hua發fa展zhan。而er且qie在zai設she計ji上shang也ye能neng做zuo到dao小xiao型xing化hua,輕qing型xing化hua設she計ji。
1、非隔離負壓輸出負電壓

圖2 非隔離穩壓輸出模塊

圖3 非隔離模塊的正輸出與負輸出接法
如圖3所示,此電源模塊應用與常用的LM7805類似,而且不需要安裝散熱片。如上圖,我們需要正負電壓給運放等供電時,隻需要兩個E78xxOS-500電源即可實現。
2、隔離電源模塊輸出正負電壓

圖4 隔離電源模塊正負雙路輸出

圖5 E_URADD-6W電源典型應用
在電力、工業、tongxundengduikangganraoxingnengyaoqiujiaogaodechanghe,yibanxuyaoduidianyuanjinxinggelichulilaigelicongzongdianyuanduandeganrao。cizhongyingyongshiruguoxuyaoyongdaofudianya,keyizhijiecaiyonggelidianyuanmokuaizhijieshuchuzhengfudianyageixitonggongdian。
三、Buck-Boost拓撲設計輸出負電壓
除了采用隔離模塊方案,我們還可以選擇芯片自己設計負壓電路,此處我們介紹一下較容易設計的非隔離負壓輸出Buck-Boost電路。如圖6此電路隻需要主控芯片、電感、電容等芯片,目前MPS的DC-DC電源芯片都支持Buck-Boost的設計結構,可以根據不同輸出電流選擇合適型號。

圖6 Buck-Boost拓撲原理
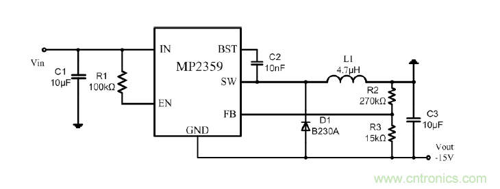
從圖6的拓撲中可以看出輸入電壓與輸出電壓極性是相反的,因此Buck-Boost拓撲結構又簡稱為倒相拓撲。圖7是采用MP2359DT設計的-15V電源電路,MP2359DT是采用SOT23-6的封裝,整個電路占用PCB麵積較小。

圖7 MP2359負電壓輸出電路
四、總結
負電壓設計方案多種多樣,哪一個方案適合你的設計,還是需要綜合考慮不同應用、不同技術要求而定。
推薦閱讀:
特別推薦
- 噪聲中提取真值!瑞盟科技推出MSA2240電流檢測芯片賦能多元高端測量場景
- 10MHz高頻運行!氮矽科技發布集成驅動GaN芯片,助力電源能效再攀新高
- 失真度僅0.002%!力芯微推出超低內阻、超低失真4PST模擬開關
- 一“芯”雙電!聖邦微電子發布雙輸出電源芯片,簡化AFE與音頻設計
- 一機適配萬端:金升陽推出1200W可編程電源,賦能高端裝備製造
技術文章更多>>
- 築基AI4S:摩爾線程全功能GPU加速中國生命科學自主生態
- 一秒檢測,成本降至萬分之一,光引科技把幾十萬的台式光譜儀“搬”到了手腕上
- AI服務器電源機櫃Power Rack HVDC MW級測試方案
- 突破工藝邊界,奎芯科技LPDDR5X IP矽驗證通過,速率達9600Mbps
- 通過直接、準確、自動測量超低範圍的氯殘留來推動反滲透膜保護
技術白皮書下載更多>>
- 車規與基於V2X的車輛協同主動避撞技術展望
- 數字隔離助力新能源汽車安全隔離的新挑戰
- 汽車模塊拋負載的解決方案
- 車用連接器的安全創新應用
- Melexis Actuators Business Unit
- Position / Current Sensors - Triaxis Hall
熱門搜索
微波功率管
微波開關
微波連接器
微波器件
微波三極管
微波振蕩器
微電機
微調電容
微動開關
微蜂窩
位置傳感器
溫度保險絲
溫度傳感器
溫控開關
溫控可控矽
聞泰
穩壓電源
穩壓二極管
穩壓管
無焊端子
無線充電
無線監控
無源濾波器
五金工具
物聯網
顯示模塊
顯微鏡結構
線圈
線繞電位器
線繞電阻


