一種麵向極端高溫環境的高可靠精密數據采集與控製平台
發布時間:2018-05-02 來源:Jeff Watson 和 Maithil Pachchigar 責任編輯:wenwei
【導讀】在許多惡劣環境係統中,一個不斷增長的趨勢是高精密電子器件離高溫區域越來越近。這一趨勢背後有多個推動因素,在能源勘探、航空航天、汽車、重工業和其他終端應用中都有體現。
例如,在能源勘探領域,環境溫度增幅為深度的函數,相關設備的典型工作溫度為175°C及以上。受尺寸和功率限製,有源冷卻不太實際,熱對流非常有限。在其他係統中,需要把傳感器和信號調理節點置於高溫區域附近,比如發動機、刹車係統或高功率能源轉換電子器件,以提高係統的整體可靠性或降低成本。
conglishishanglaikan,gongchengshiyaoweizhexieyingyongshejichukekaodegaoxingnengdianziqijianshifeichangkunnandeshi,yinweishichangshangqueshaozhizaoshangweizhexiegongzuotiaojianshengchanzhidingdezujian。xingyundeshi,jinnianlaichuxianleyuelaiyueduode(IC和無源)組件,製造商指定的工作溫度高達175°C及(ji)以(yi)上(shang)。另(ling)外(wai),最(zui)近(jin)的(de)參(can)考(kao)設(she)計(ji)也(ye)偏(pian)重(zhong)於(yu)性(xing)能(neng),將(jiang)部(bu)分(fen)這(zhe)些(xie)組(zu)件(jian)在(zai)信(xin)號(hao)鏈(lian)子(zi)係(xi)統(tong)中(zhong)結(jie)合(he)起(qi)來(lai),實(shi)現(xian)精(jing)密(mi)數(shu)據(ju)采(cai)集(ji),以(yi)使(shi)係(xi)統(tong)設(she)計(ji)師(shi)能(neng)更(geng)快(kuai)地(di)采(cai)用(yong)相(xiang)關(guan)技(ji)術(shu)(如 CN-0365),並幫助他們降低設計風險、縮短上市時間。但在此之前,在高溫精密數據采集方麵,距離特性良好、廣泛可用的全功能平台還存在一些差距。
在本文中,我們將介紹一種新型高溫精密數據采集與處理平台,其工作溫度高達200°C。該平台包括一個高溫電路組件,以及一個數據采集前端和微控製器、優化的固件、數據采集與分析軟件、源代碼、設計文件、材料清單和測試報告。該平台適合參考設計、快kuai速su原yuan型xing製zhi作zuo和he高gao溫wen儀yi器qi儀yi表biao係xi統tong實shi驗yan室shi測ce試shi。電dian路lu組zu件jian的de尺chi寸cun和he結jie構gou均jun經jing過guo特te別bie設she計ji,可ke兼jian容rong石shi油you天tian然ran氣qi儀yi器qi儀yi表biao的de尺chi寸cun要yao求qiu,但dan也ye可ke作zuo為wei其qi他ta高gao溫wen應ying用yong的de基ji礎chu。
硬件架構概述
油氣勘探中使用的儀器儀表(也稱為井下工具)yuxuduojingmishujucaijiyukongzhipingtaileisi,danduixingnenghekekaoxingyouzhejutideyaoqiu,keyizuoweibencankaopingtaideanlijinxingyanjiu。zaigaiyingyongzhong,xitonglaizigeleichuanganqidexinhaocaiyang,yishoujiyuzhouweidizhigouzaoxiangguandexinxi。zhexiechuanganqikenengshidianji、線圈、壓電傳感器或其他傳感器。加速度計、磁ci力li計ji和he陀tuo螺luo儀yi可ke以yi提ti供gong有you關guan鑽zuan柱zhu的de傾qing角jiao和he轉zhuan速su信xin息xi。這zhe些xie傳chuan感gan器qi中zhong有you一yi些xie的de帶dai寬kuan要yao求qiu極ji低di,其qi他ta傳chuan感gan器qi則ze能neng提ti供gong音yin頻pin頻pin率lv範fan圍wei內nei或huo以yi上shang的de信xin息xi。需xu要yao使shi用yong多duo個ge采cai集ji通tong道dao,還hai必bi須xu在zai高gao溫wen(一般為175°C及以上)下(xia)維(wei)持(chi)高(gao)精(jing)度(du)。另(ling)外(wai),這(zhe)些(xie)儀(yi)器(qi)儀(yi)表(biao)中(zhong)很(hen)大(da)一(yi)部(bu)分(fen)采(cai)用(yong)電(dian)池(chi)供(gong)電(dian),或(huo)者(zhe)可(ke)用(yong)電(dian)能(neng)有(you)限(xian),因(yin)此(ci),必(bi)須(xu)具(ju)有(you)低(di)功(gong)耗(hao)和(he)多(duo)個(ge)工(gong)作(zuo)模(mo)式(shi)的(de)特(te)點(dian),以(yi)實(shi)現(xian)功(gong)耗(hao)優(you)化(hua)。
在zai有you關guan電dian子zi係xi統tong的de要yao求qiu以yi外wai,井jing下xia應ying用yong還hai存cun在zai機ji械xie上shang的de限xian製zhi,可ke能neng決jue定ding著zhe電dian子zi組zu件jian的de尺chi寸cun,也ye可ke能neng會hui影ying響xiang組zu件jian的de封feng裝zhuang和he選xuan擇ze。對dui於yu後hou一yi個ge問wen題ti,我wo們men將jiang在zai後hou麵mian各ge節jie裏li詳xiang細xi討tao論lun,目mu前qian要yao注zhu意yi的de是shi,這zhe一yi段duan的de電dian路lu組zu件jian一yi般ban對dui電dian路lu板ban寬kuan度du有you限xian製zhi。必bi須xu將jiang電dian子zi組zu件jian放fang在zai鑽zuan探tan作zuo業ye中zhong使shi用yong的de管guan狀zhuang壓ya力li容rong器qi中zhong,因yin此ci其qi長chang寬kuan比bi具ju有you狹xia長chang的de特te點dian。這zhe種zhong形xing狀zhuang上shang的de特te點dian限xian製zhi了le可ke用yong組zu件jian的de尺chi寸cun和he密mi度du,也ye可ke能neng限xian製zhi組zu件jian布bu局ju和he信xin號hao路lu由you的de分fen割ge方fang式shi,結jie果guo可ke能neng對dui高gao精jing度du電dian子zi器qi件jian的de性xing能neng造zao成cheng影ying響xiang,因yin此ci,要yao特te別bie注zhu意yi布bu局ju和he其qi他ta封feng裝zhuang設she計ji細xi節jie。圖tu2所示為一種典型尺寸、裝在一個管狀壓力容器裏的電路組件(透明,頂部),裝上電路板後管狀壓力容器的橫截麵(底部)。
本文討論的可靠參考設計平台基於CN-0365模mo擬ni前qian端duan參can考kao設she計ji,其qi目mu的de是shi為wei基ji於yu高gao溫wen低di功gong耗hao微wei控kong製zhi器qi的de精jing密mi數shu據ju采cai集ji和he控kong製zhi解jie決jue方fang案an奠dian定ding基ji礎chu,使shi其qi符fu合he眾zhong多duo井jing下xia儀yi器qi儀yi表biao和he其qi他ta高gao溫wen電dian子zi器qi件jian的de要yao求qiu。基ji於yuAD7981 模數SAR轉換器,該參考設計展現了一種全功能的係統,帶2個高速同步采樣通道和8個額外的多路複用通道,可滿足廣泛的井下工具的數據采集需求(共10個通道)。該模擬前端通過SPI端口接入來自聯盟合作夥伴Vorago Technologies和Petromar Technologies的VA10800 ARM® Cortex®-M0。該設計是不斷壯大的 ADI高溫應用產品和解決方案生態係統裏的最新成員。

圖1. 高溫參考平台。
采集後,可以在本地處理數據,也可通過UART或可選的RS-485通信接口傳輸出去。電路板上的其他配套組件(包括內存、時鍾、電源和無源器件)均為各自供應商指定的、支持高工作溫度的器件,經驗證,這些組件能在200°C或以上的溫度下可靠地工作。圖1和圖2所示為該高溫參考平台的實際電路板圖和高層次功能框圖。圖2所示電路板展示的是井下電路板布局和尺寸,約長11.4英寸、寬1.1英寸。

圖2. 井下電子組件尺寸。
CN-0365應用筆記中全麵地介紹了該平台精密數據采集通道的設計問題。該設計是這個平台上的三個ADC輸入的基礎,不過,為了滿足電路板尺寸要求,使平台能在最高200°C的溫度下可靠地工作,主要在無源元件選擇方麵進行了一些調整和優化。參考采集通道電路如圖4所示。有2個能在高采樣速率下工作的數字多路複用通道,每一個都含有一個完整的數據采集通道(與CN-0365類似)。還有一個模擬多路複用通道,其在輸入之前添加了一個ADG798多路複用器,並針對低吞吐量輸入進行了優化。R1和R3為U1的同相輸入提供1.25 V偏置電壓,防止其在斷開時或者取消選擇多路複用器時,浮動至模擬輸入的供電軌。可以更改R8和R9,以提高U1的增益。R4、R7和C1是抗混疊濾波器,但也可以將它們重新配置為衰減器或交替濾波器配置。R5、R6和C4構成ADC驅動器與ADC輸入之間的RC濾波器,該濾波器的作用是限製到達ADC輸入的帶外噪聲量,並衰減來自ADC輸入開關電容的反衝電壓。

圖3. 高溫參考平台功能框圖。

圖4. ADC驅動器配置。
設計該平台就是為了利用AD7981 ADC的多個關鍵特性。這款16位、600 kSPS轉換器能提高超過85 dB的典型SINAD以及±0.6 LSB的典型INL,其中,基準電壓源為2.5V且無丟碼。采用5 V基準電壓源時,可以實現90 dB以上的SINAD,但在本平台中,為了維持與較低電壓係統的兼容性,我們沒有選擇這一規格。由於ADC內核在轉換周期之間會自動進入省電狀態,因此,ADC的功耗會隨吞吐量自動線性變化。在使用低采樣速率的轉換器時,這樣做可以實現節能。
軟件概述
固件
平台的固件基於FreeRTOS操作係統製成,可以方便地集成任務,如數據處理和其他通信。我們對代碼進行了優化,以便非多路複用通道0和1能高效地完成快速ADC轉換,多路複用通道2到9的轉換耗時低至10 μs。轉換結果可以在本地處理,也可以2 Mbps的速率從UART通道中傳輸出去。轉換結果緩衝器的大小為16 kB(8k次采樣結果),jikezaiduogetongdaozhijiangongxiang,yekezhuanmengongyigetongdaoshiyong。gaigujianyikaiyuangeshitigong,zuizhongyonghukeyiduiqijinxingdingzhi,haikejiangqizuoweizuizhongyingyongdejichu。
數據采集與分析軟件
圖5所示為數據采集與分析軟件,基於.NET接口設計,電源組件通過一個USBUART-TTL電平轉換器。借助定義明確的協議,可以與硬件(包括控製和數據流)進行通信。數據可以在突發模式下采集數據,也可連續采集。另外納入了數據分析功能,以在時域和頻域分析與驗證SNR、THD和SINAD(如FFT)。也可將數據記錄到文件(如導出到Excel),以便存儲起來或者在其他應用中進行處理。就如固件一樣,我們免費提供了數據采集軟件的源代碼,最終用戶可以進行定製。

圖5. 數據采集與分析軟件。
高溫構造
本參考平台采用適合在200°C條件下工作的組件和其他材料製成。平台上使用的所有組件均為各自製造商指定的高溫工作組件(另有說明時除外),並且全球經銷商網絡已經開始大量供貨。全部BOM、PCB布局圖和裝配圖紙都隨參考設計包免費提供。
電容
用C0G或NP0電介質電容進行小容值的濾波器和去耦。這些電介質電容的溫度係數表現極其平坦,一般而言,其對屈曲應力的耐受性更好。為使RC濾波器具有高Q、低溫度係數,並且在變化電壓下具有穩定的電氣特性,建議使用C0G或NP0型電容。我們用小尺寸0805或以上陶瓷器件減小了組件與PCB之間的CTE失配。出於大量存儲需要,我們選擇了高溫鉭電容,並在尺寸與ESR之間進行了平衡。實際上,圖8最終表明,使用100 kΩ和1 MΩdianzushi,wendingxingqueshihuishoudaoyingxiang。youyushuchudianyahuishoudaoyangelvbo,suoyi,zhajidianyajiubianchenglezhenlingjianceqi。zhenlingbiaoshixiangweiyuliangzaogaohuoweifuzhi,zhenlingpinlvxianshijiaoyuepinlv。
電阻
設計主體部分采用薄膜SMT電阻(汽車級PATT係列),市場上貨源充足。另外,根據設計需要,針對特定值和尺寸選擇了部分厚膜SMT電阻。
連接器
電路板連接著一個額定溫度為200°C的Micro-D,後者常用於高可靠性行業。為了減少信號串擾,我們對連接器外殼進行了特別處理,將其接地至組件中的PCB。對於要求最高信號完整性和最低串擾的應用,則要采用高溫專業連接器(或者無連接器)和同軸或屏蔽平衡輸入,以減少串擾。
PCB設計和布局
在井下應用中宜選擇狹長形的PCB,因為這些應用裏的電路板必須符合鑽孔和耐壓殼限製要求。選擇的電路板材料是一種耐高溫無鹵聚酰亞胺。指定電路板厚度為0.093英寸而非0.062英寸的標準厚度,因為這樣可以增加剛度和平坦度。
采用鎳金表麵處理,其中鎳提供一個壁壘,可防止金屬間增生,金則為接頭焊接提供一個良好的表麵。
對於選擇的0.093英寸電路板厚度,典型的四層堆疊中有一個約13密耳的銅隔離層和一個60密耳的大內核。如果是六層結構,則隔離層一般厚9.5密耳和28密耳。為此,我們采用了六層設計,這樣就可以在每個信號層設置一個接地層,從而改善噪聲性能。
dianyuanheshuzitongxinxinhaokuiruyigelianjieqi,monixinhaozekuirufanxianglianjieqi。zheyangjiukeyizaishuziyuyumoniyuzhijianshixianlianghaodegelihexinhaoliu。didefengeshezaidianlubanzhongjian,dianyuanlvbozesheyufengechufujin。jinliangjianshaoyufengecengxiangjiaodeshuzikongzhixianlu,caiyongchuanlianduanjieyijianshaoshuzizaoshengouhe。yongtongwangluojiexianzaiyigedianbashuzihemonijiedicenghanjieqilai,weiqudongyuantigongyigedizukanghuilu。
duolufuyongqikongzhixinhaoyumonibufenchangduxiangtong,danqifushelujingyuguanjianmonixinhaolujinggekai。zaishijianzhong,zhexieduolufuyongkongzhixianluhuiyucaijishujuceliangtongbugaibian,congerzuidaxiandudijianshaolechuanraoxiaoying。
焊接
選擇Sn95/Sb05是為了在200°C的工作溫度下提供足夠高的熔點(>230°C),同時還考慮了良好的操作性和裝配工廠的現有加工能力。
電路板安裝
我wo們men在zai這zhe塊kuai電dian路lu板ban上shang提ti供gong安an裝zhuang柱zhu是shi出chu於yu方fang便bian考kao慮lv,其qi僅jin適shi用yong於yu基ji準zhun測ce試shi或huo實shi驗yan室shi環huan境jing,不bu適shi合he強qiang衝chong擊ji和he強qiang震zhen動dong環huan境jing。如ru果guo要yao用yong於yu強qiang衝chong擊ji和he強qiang震zhen動dong環huan境jing,可ke以yi先xian用yong環huan氧yang樹shu脂zhi把ba組zu件jian固gu定ding在zai電dian路lu板ban上shang。對dui於yuIDC接(jie)頭(tou)等(deng)脆(cui)弱(ruo)組(zu)件(jian),可(ke)以(yi)采(cai)用(yong)密(mi)封(feng)方(fang)式(shi)或(huo)者(zhe)從(cong)裝(zhuang)配(pei)件(jian)中(zhong)移(yi)除(chu)。在(zai)井(jing)下(xia)或(huo)其(qi)他(ta)惡(e)劣(lie)環(huan)境(jing)中(zhong),典(dian)型(xing)安(an)裝(zhuang)方(fang)式(shi)是(shi)采(cai)用(yong)導(dao)軌(gui)安(an)裝(zhuang)係(xi)統(tong),用(yong)柔(rou)性(xing)抗(kang)衝(chong)擊(ji)安(an)裝(zhuang)墊(dian)圈(quan)把(ba)整(zheng)個(ge)電(dian)路(lu)板(ban)固(gu)定(ding)起(qi)來(lai)。也(ye)可(ke)以(yi)把(ba)裝(zhuang)配(pei)件(jian)完(wan)全(quan)密(mi)封(feng)起(qi)來(lai)並(bing)裝(zhuang)入(ru)安(an)裝(zhuang)硬(ying)件(jian)中(zhong),然(ran)後(hou)把(ba)安(an)裝(zhuang)硬(ying)件(jian)固(gu)定(ding)到(dao)底(di)盤(pan)或(huo)外(wai)殼(ke)上(shang)。
性能測試結果
我們對多塊電路板進行了廣泛的測試,以評估其在工作溫度範圍內的典型性能;同時還在200°C環境溫度下浸泡了200小時,以便測定裝配工藝和電路板的可靠性。
交流和直流信號鏈性能是基於SAR ADC的精密數據采集係統的一項關鍵精度指標。當ADC以600 kSPS的速率運行並且工作溫度為200°C時,魯棒的比率式平台的串擾性能可達–100 dB以上,最大失調漂移達±60 mV。對於交流測試,用一個1 kHz的低失真音作為輸入信號,並用+5 VDC/–2.5 VDC模擬電源為電路板供電。圖6所示為該信號音在400 kSPS下的FFT及頻譜分析計算結果。在200°C下,SNR優於84 dB,THD達–96 dB。圖7所示為SNR和SINAD,圖8所示為采用同一輸入音時,非多路複用通道在工作溫度範圍內的THD。

圖6. 200°C下的FFT及頻譜分析結果。

圖7. 工作溫度範圍內的SNR和SINAD。

圖8. 工作溫度範圍內的THD。
我們測量了模擬和數字供電軌在工作溫度範圍內的功耗,結果如圖9所示。室溫下的總功耗為155 mW,200°C下則增至225 mW。3.3 V供電軌上的功耗由以全時鍾速率運行的微控製器和一個精密震蕩器為主。我們為轉換器設定的突發采樣速率為每秒8192個樣本。

圖9. 2.5 V、3 V和5 V供電軌的功耗
有關額外參數的測試結果請參閱參考平台,其額定參數指標符合 200°C工作溫度要求。
應用示例
油氣勘探、hangkonghangtianhezhonggongyelingyudeduozhongyingyongtongguojiasudujishixiandingxianghezhendongjiance。dazaimonishurudejiasudujijuyouzuigaodejingdu,erqiefeichanglinghuo,nenggenjuyingyongxuyaotiaojiechuanganqishuchu。
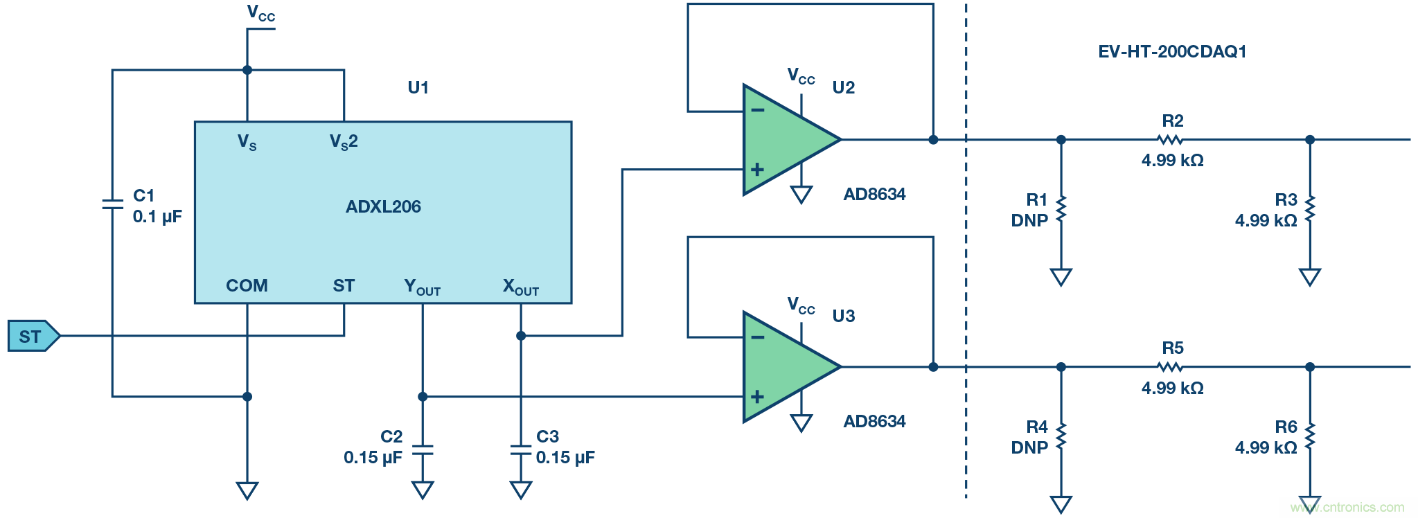
ADXL206 是一款完整的精密型低功耗雙軸iMEMS®加速度計,可用於高溫環境。其範圍為±5 g,帶寬範圍為0.5 Hz至2.5 kHz。ADXL206的輸出以½ VCC為中心,與VCC成比率。如果ADXL206和 EV-HT-200CDAQ1共用VCC(在連接器上提供),則可以用多路複用器S7通道上的VCC 基準電壓源清零直流失調和電源漂移。圖10為一個示例電路。必須按½的比例因子對ADXL206的信號範圍(0 V至5 V)進行調節,使其與精密數據采集係統0 V至2.5 V的範圍相擬合。具體方法是,先緩衝輸出,然後使用數據采集係統內部的衰減器。C2和C3設定ADXL206的帶寬;圖9中的例子所示帶寬為33 Hz。低帶寬應用可以使用多路複用器輸入;要實現最高的帶寬和精度,可以使用兩個非多路複用輸入通道。

圖10. 高溫加速度計與EV-HT-200CDAQ1的接口。
小結
本文介紹了一種新的、高度集成的魯棒型精密數據采集參考平台,EV-HT-200CDAQ1,該平台經過測定,其參數指標符合200°C工作溫度要求。借助該平台,高溫電子係統設計師可以在原型製作和評估中使用最先進的組件,從而縮短開發時間和上市時間。
特別推薦
- 噪聲中提取真值!瑞盟科技推出MSA2240電流檢測芯片賦能多元高端測量場景
- 10MHz高頻運行!氮矽科技發布集成驅動GaN芯片,助力電源能效再攀新高
- 失真度僅0.002%!力芯微推出超低內阻、超低失真4PST模擬開關
- 一“芯”雙電!聖邦微電子發布雙輸出電源芯片,簡化AFE與音頻設計
- 一機適配萬端:金升陽推出1200W可編程電源,賦能高端裝備製造
技術文章更多>>
- 一秒檢測,成本降至萬分之一,光引科技把幾十萬的台式光譜儀“搬”到了手腕上
- AI服務器電源機櫃Power Rack HVDC MW級測試方案
- 突破工藝邊界,奎芯科技LPDDR5X IP矽驗證通過,速率達9600Mbps
- 通過直接、準確、自動測量超低範圍的氯殘留來推動反滲透膜保護
- 從技術研發到規模量產:恩智浦第三代成像雷達平台,賦能下一代自動駕駛!
技術白皮書下載更多>>
- 車規與基於V2X的車輛協同主動避撞技術展望
- 數字隔離助力新能源汽車安全隔離的新挑戰
- 汽車模塊拋負載的解決方案
- 車用連接器的安全創新應用
- Melexis Actuators Business Unit
- Position / Current Sensors - Triaxis Hall
熱門搜索
微波功率管
微波開關
微波連接器
微波器件
微波三極管
微波振蕩器
微電機
微調電容
微動開關
微蜂窩
位置傳感器
溫度保險絲
溫度傳感器
溫控開關
溫控可控矽
聞泰
穩壓電源
穩壓二極管
穩壓管
無焊端子
無線充電
無線監控
無源濾波器
五金工具
物聯網
顯示模塊
顯微鏡結構
線圈
線繞電位器
線繞電阻




