第二講:保險絲的應用方案及常見問題解答
發布時間:2012-01-17 來源:CNT Networks
中心議題:
- 保險絲的三項基本功能
- 貼片保險絲在單節鋰電池上的應用
- 保險絲在LED照明燈具中的應用
- 雙保險絲為大電流板級電路提供有效保護
- 保險絲應用設計的常見問題
相關閱讀:
【Class1】常用過壓、過流、過溫保護器件之選型技巧
http://m.0-fzl.cn/art/artinfo/id/80015099
zaidianludeguoliubaohushejizhong,jingchangshiyongdaobaoxiansi,huanjuhuashuo,heliyingyongbaoxiansiduiyushejikekaodeguoliubaohudianlufeichangzhongyao。benwenjiangzaijieshaobaoxiansidejibengongnengdejichushang,jieshaobaoxiansizailidianchibaohubanjiLED照(zhao)明(ming)燈(deng)具(ju)中(zhong)的(de)應(ying)用(yong)方(fang)案(an),並(bing)整(zheng)理(li)出(chu)行(xing)業(ye)內(nei)的(de)專(zhuan)家(jia)們(men)對(dui)保(bao)險(xian)絲(si)應(ying)用(yong)中(zhong)的(de)一(yi)些(xie)常(chang)見(jian)問(wen)題(ti)的(de)解(jie)答(da)及(ji)經(jing)驗(yan)分(fen)享(xiang),對(dui)工(gong)程(cheng)師(shi)初(chu)步(bu)認(ren)識(shi)保(bao)險(xian)絲(si)非(fei)常(chang)有(you)幫(bang)助(zhu),對(dui)工(gong)程(cheng)師(shi)進(jin)一(yi)步(bu)合(he)理(li)使(shi)用(yong)保(bao)險(xian)絲(si)有(you)指(zhi)導(dao)意(yi)義(yi)。
保險絲的三項基本功能
什麼樣的保險絲才是好的保險絲?AEM(蘇州)科技有限公司副總經理鄭索平先生總結概括出保險絲的三項主要基本功能,即:
- 保護功能:該斷的時侯要斷
- 承載功能:不該斷的時侯不能斷
- 安全功能:斷的過程必須保證安全
保(bao)險(xian)絲(si)的(de)保(bao)護(hu)功(gong)能(neng)決(jue)定(ding)了(le)保(bao)險(xian)絲(si)在(zai)需(xu)要(yao)的(de)時(shi)侯(hou)必(bi)須(xu)動(dong)作(zuo),當(dang)被(bei)保(bao)護(hu)電(dian)路(lu)上(shang)出(chu)現(xian)不(bu)被(bei)允(yun)許(xu)的(de)異(yi)常(chang)過(guo)電(dian)流(liu)時(shi)能(neng)夠(gou)及(ji)時(shi)而(er)有(you)效(xiao)地(di)切(qie)斷(duan)電(dian)流(liu)。要(yao)滿(man)足(zu)保(bao)險(xian)絲(si)的(de)保(bao)護(hu)功(gong)能(neng),需(xu)選(xuan)擇(ze)恰(qia)當(dang)熔(rong)斷(duan)特(te)性(xing)和(he)恰(qia)當(dang)的(de)額(e)定(ding)電(dian)流(liu)規(gui)格(ge)的(de)保(bao)險(xian)絲(si)品(pin)種(zhong)。
bingbushisuoyouchuxianguoliudeshihoubaoxiansibixudongzuode,youxieguoliubingbushiyichangde,zheyangdeguoliubaoxiansibixunenggouchengshou,liru,kaiguandianyuanrechabashichuxiandelangyongdianliujiushibaoxiansixuyaochengzaide,yinci,baoxiansixujubeichengzainengli。huanjuhuashuo,baoxiansidechengzainenglibaozhenglebaoxiansizaijuedabufenshijianlidezhengchanggongzuo。xuanzeyouqiadangronghuarenengzhidebaoxiansipinzhongguigehefangdazugoubinghelideanquanyuliangcainengmanzubaoxiansidechengzaigongneng(耐脈衝能力)。
保bao險xian絲si的de安an全quan功gong能neng確que保bao了le保bao險xian絲si在zai任ren何he條tiao件jian下xia的de絕jue對dui安an全quan。具ju體ti來lai說shuo就jiu是shi,優you質zhi可ke靠kao的de保bao險xian絲si應ying該gai在zai其qi動dong作zuo前qian,動dong作zuo中zhong和he動dong作zuo後hou都dou能neng保bao證zheng安an全quan性xing,即ji安an全quan地di導dao通tong和he安an全quan地di熔rong斷duan,不bu發fa生sheng任ren何he不bu安an全quan的de因yin素su,如ru持chi續xu拉la弧hu、多次導通、破碎、飛濺、燃燒、以至爆炸等。選擇具有足夠分斷能力和額定電壓的,並獲得必要的應用地區的安全認證的保險絲品種,才能滿足保險絲的安全功能。
總的來說,適當的保險絲應當具備:適當的熔斷特性和額定電流;足夠而合理的熔化熱能值;合適的分斷能力、edingdianyaheanquanrenzheng,zhiyouzaijubeilezhesangetiaojiandejichushang,tongshixietiaohaobaohuxingnenghenaimaichongnenglizhijiandezhiyue,qiudezuihelidepinghengdebaoxiansicaishizuishidang、最好的保險絲。
[page]
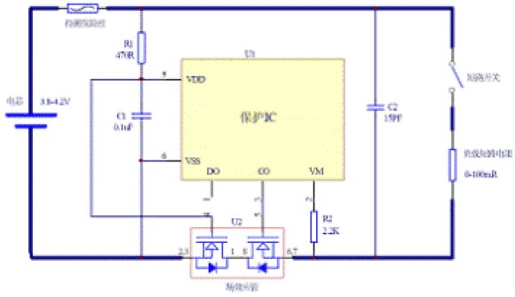
貼片保險絲在單節鋰電池上的應用
鋰電池被廣泛用作照相機、手(shou)機(ji)等(deng)便(bian)攜(xie)消(xiao)費(fei)電(dian)子(zi)產(chan)品(pin)的(de)供(gong)電(dian)電(dian)源(yuan),其(qi)安(an)全(quan)性(xing)非(fei)常(chang)重(zhong)要(yao),故(gu)而(er)鋰(li)電(dian)池(chi)保(bao)護(hu)板(ban)選(xuan)擇(ze)合(he)適(shi)的(de)貼(tie)片(pian)保(bao)險(xian)絲(si)是(shi)非(fei)常(chang)必(bi)要(yao)的(de)。鋰(li)電(dian)池(chi)保(bao)護(hu)板(ban)的(de)主(zhu)要(yao)元(yuan)器(qi)件(jian)有(you)保(bao)護(hu)IC 、MOSFET和貼片保險絲,下麵將通過兩個實例來說明保險絲在鋰電池保護板中的選擇及應用。(資料下載:http://www.52solution.com/data/datainfo/id/2518)
某單節鋰電池保護板電路圖如圖1,保護IC采用SII(精工) S8261ACJ,基本參數如表1,采用的MOS管為BF9028DNJ / BF9028DNJ-A ,部分參數如表2。

圖1 單節鋰電池保護板電路圖

表1 S-8261ACJ的部分參數

表2 MOSFET的部分參數
A:保護電路工作正常
根據公式:過電流檢測電壓 V = 放電電流 I x Rds(on) x 2 可以算出放電電流達到多少保護IC開始進行保護作用。
當過電流檢測電壓為 0.9V,MOS管內阻取最大值時候,可以檢測過電流將為最小值。算出此時過電流值為15A ,此時保護IC保護延遲時間320us;當過電流檢測電壓 1.5V,MOS管內阻取最小值時候,可以檢測過電流將為最大值。算出此時過電流值為46.875A,此時保護IC保護延遲時間380us。即,需求保險絲在46.875A時候熔斷時間要大於380us,才能保證短路保護情況下保險絲不會先於保護IC熔斷。
B:保護電路工作異常
保護IC失效電路示意圖如圖2所示,此時保護IC對短路不能起到保護作用,當負載出現短路時候需要保險絲快速熔斷。

圖2 保護IC失效電路示意圖
[page]
考慮因素如下:
- 電芯電壓:3.8~4.2V
- 電芯內阻: <150mΩ
- 保護板內阻:MOS管內阻+保險絲內阻(15mΩ)+PCB板內阻(10mΩ)
- 短路負載內阻:0~100mΩ
要考慮保險絲的快速熔斷,所以就考慮短路電流的最小值,可以算出短路電流最小值11A。即保險絲需在11A電流情況下快速熔斷。
綜合A,B兩種情況,單節鋰電池上選擇保險絲需要考慮到保護IC的短路保護時間。
保險絲在LED照明燈具中的應用
對於LED照明燈具的過流保護,應從燈體的輸入電流來來考慮。LED照(zhao)明(ming)燈(deng)具(ju)的(de)輸(shu)入(ru)電(dian)流(liu)主(zhu)要(yao)有(you)直(zhi)流(liu)輸(shu)入(ru)和(he)電(dian)網(wang)交(jiao)流(liu)輸(shu)入(ru)兩(liang)種(zhong)最(zui)基(ji)本(ben)的(de)類(lei)型(xing),這(zhe)兩(liang)種(zhong)類(lei)型(xing)的(de)主(zhu)要(yao)區(qu)別(bie)在(zai)於(yu)驅(qu)動(dong)電(dian)源(yuan)是(shi)否(fou)有(you)交(jiao)流(liu)轉(zhuan)直(zhi)流(liu)的(de)模(mo)塊(kuai)。針(zhen)對(dui)不(bu)同(tong)的(de)輸(shu)入(ru)電(dian)流(liu)類(lei)型(xing),其(qi)過(guo)流(liu)保(bao)護(hu)的(de)方(fang)式(shi)有(you)所(suo)不(bu)同(tong),保(bao)險(xian)絲(si)的(de)應(ying)用(yong)應(ying)根(gen)據(ju)具(ju)體(ti)的(de)情(qing)況(kuang)來(lai)考(kao)慮(lv):
1、針對直流輸入類型的DC in保險絲的選用,需要特別關注保險絲的溫度折減係數參數,由於大功率LED的發熱量比較大,在LED燈deng杯bei內nei部bu的de溫wen度du相xiang對dui較jiao高gao,如ru果guo選xuan用yong溫wen度du折zhe減jian比bi較jiao大da的de保bao險xian絲si就jiu會hui選xuan擇ze電dian流liu較jiao大da的de規gui格ge,在zai同tong樣yang的de工gong作zuo電dian流liu下xia,電dian流liu規gui格ge大da的de保bao險xian絲si的de保bao護hu能neng力li相xiang對dui要yao降jiang低di一yi些xie;另外DC indeweizhi,youyuhouduandouhuishiyongdianronglvbo,huichanshengbijiaodadekaijimaichongdianliu,suoyizaicibuweixuanzebaoxiansixuyaozhuyiyangekaolvmaichongdetiaojian,fouzecuowuxuanxiangyizaochengbaoxiansibeikaijimaichongchongduanxianxiang,hennanjingguohenduocikaiguanjishiyanhelangyongdianliushiyan,zaicituijianshiyongnaimaichongnengliqiangdechanpin。
2、針對驅動輸出端的保險絲選型,在zai注zhu意yi保bao險xian絲si溫wen度du折zhe減jian係xi數shu的de同tong時shi,還hai需xu要yao考kao慮lv保bao險xian絲si的de熔rong斷duan速su度du指zhi標biao,由you於yu此ci處chu電dian流liu波bo動dong不bu大da,在zai電dian路lu出chu現xian異yi常chang或huo者zhe元yuan器qi件jian失shi效xiao的de情qing況kuang下xia,需xu要yao快kuai速su切qie斷duan電dian路lu,保bao護hu後hou端duan的deLED燈串,在此位置推薦選擇快斷類型和溫度折減小的保險絲。
以上2種場合一般市場上有比較多的貼片低壓保險絲可供選擇,比如AEM科技的SolidMatrix®技術的保險絲,尺寸從0402到1206,電流規格從0.5到30A,有快斷、快快斷、耐高脈衝、慢斷等多個不同係列,不同規格,不同特性的產品供各位工程師選用。
3、而針對交流輸入LED照明的AC in位置,特別是LED球狀燈泡既需要考慮保險絲的尺寸問題,又需要考慮保險絲的耐電壓值。可以考慮選用AEM科技推出的AirMatrixTM AF2係列貼片保險絲,該係列保險絲具有體積小,可以承受250VAC的電壓,同時還具有高一致性、低內阻、高耐脈衝能力等優點。
雙保險絲為大電流板級電路提供有效保護
保(bao)護(hu)電(dian)路(lu)板(ban)元(yuan)器(qi)件(jian)不(bu)受(shou)越(yue)來(lai)越(yue)大(da)電(dian)流(liu)的(de)損(sun)壞(huai)是(shi)件(jian)複(fu)雜(za)的(de)事(shi),因(yin)為(wei)沒(mei)有(you)現(xian)成(cheng)滿(man)足(zu)要(yao)求(qiu)的(de)保(bao)險(xian)絲(si)。提(ti)供(gong)保(bao)護(hu)的(de)方(fang)法(fa)可(ke)以(yi)是(shi)仔(zai)細(xi)設(she)計(ji)的(de)雙(shuang)保(bao)險(xian)絲(si)電(dian)路(lu),或(huo)有(you)足(zu)夠(gou)額(e)定(ding)值(zhi)的(de)單(dan)個(ge)保(bao)險(xian)絲(si)。但(dan)是(shi),由(you)於(yu)不(bu)存(cun)在(zai)兩(liang)個(ge)完(wan)全(quan)相(xiang)同(tong)的(de)保(bao)險(xian)絲(si),總(zong)有(you)一(yi)個(ge)保(bao)險(xian)絲(si)承(cheng)受(shou)的(de)電(dian)流(liu)大(da)於(yu)另(ling)一(yi)個(ge)。因(yin)此(ci),即(ji)使(shi)線(xian)路(lu)電(dian)流(liu)是(shi)在(zai)規(gui)格(ge)範(fan)圍(wei)內(nei),承(cheng)擔(dan)較(jiao)高(gao)負(fu)載(zai)的(de)保(bao)險(xian)絲(si)仍(reng)會(hui)熔(rong)斷(duan),於(yu)是(shi)很(hen)快(kuai)另(ling)一(yi)個(ge)也(ye)會(hui)熔(rong)斷(duan)。如(ru)何(he)解(jie)決(jue)這(zhe)個(ge)難(nan)題(ti)?以(yi)下(xia)是(shi)保(bao)險(xian)絲(si)匹(pi)配(pei)以(yi)及(ji)確(que)定(ding)電(dian)路(lu)額(e)定(ding)值(zhi)的(de)一(yi)些(xie)指(zhi)南(nan),為(wei)雙(shuang)保(bao)險(xian)絲(si)方(fang)案(an)提(ti)供(gong)所(suo)需(xu)的(de)保(bao)護(hu)。
UL標準保險絲通常都有75%的降額因素,以保證能提供所需的電路保護。保險絲的直流阻抗通常有15%的公差;因此在最差情況下,兩個隨機選擇保險絲(相同額定電流,且來自同一製造商)的直流阻抗可以相差到35%(1.15 Rdc/0.85 Rdc = 1.35,即差35%)。如(ru)果(guo)兩(liang)個(ge)保(bao)險(xian)絲(si)的(de)直(zhi)流(liu)阻(zu)抗(kang)有(you)很(hen)大(da)差(cha)別(bie),流(liu)經(jing)的(de)電(dian)流(liu)也(ye)會(hui)相(xiang)差(cha)很(hen)大(da),電(dian)路(lu)保(bao)護(hu)就(jiu)會(hui)出(chu)現(xian)問(wen)題(ti)。一(yi)般(ban)來(lai)說(shuo),一(yi)個(ge)保(bao)險(xian)絲(si)承(cheng)受(shou)的(de)電(dian)流(liu)要(yao)高(gao)於(yu)另(ling)一(yi)個(ge),可(ke)能(neng)工(gong)作(zuo)在(zai)接(jie)近(jin)過(guo)流(liu)極(ji)限(xian)值(zhi)處(chu),而(er)另(ling)一(yi)個(ge)則(ze)遠(yuan)低(di)於(yu)安(an)全(quan)極(ji)限(xian)。因(yin)此(ci),用(yong)兩(liang)個(ge)保(bao)險(xian)絲(si)完(wan)成(cheng)一(yi)種(zhong)功(gong)能(neng)會(hui)影(ying)響(xiang)到(dao)電(dian)路(lu)的(de)過(guo)流(liu)保(bao)護(hu)。
chuzhiliuzukangyiwai,lingwaiyigezhongyaodekaolvyinsushilianggebaoxiansisuochuweizhizhijiandewenducha。baoxiansishiwenduminganqijian,tamendeyouxiaoedingdianliuhuisuizhehuanjingwendudeshangshengerjianxiao。ruguolianggebinglianbaoxiansizhong,qizhongyigedegongzuowendugaoyulingyige,zetajiangyoujiaoxiaodeyouxiaoedingdianliu,yincibilingyigegengzaodijinruguozai。
雖然使用兩個並聯保險絲有著上述不確定性,但可以從以下四個方麵著手改進它們的工作可靠性:
1)lianggebaoxiansibixujinkenengdipipei。bujintamendeedingzhiyaoxiangtong,quebaolianggebaoxiansishitongshizhizaodeyeshiyigebucuodexiangfa。zheyangnengquebaolianggebaoxiansidezhiliuzukangjinkenengpipei。
2)兩個保險絲永遠不可能均分電流。因此,要為組合增加20%的降額因素。
3)細xi心xin追zhui蹤zong每mei個ge保bao險xian絲si的de熱re曆li史shi。兩liang個ge保bao險xian絲si都dou應ying保bao持chi在zai相xiang同tong溫wen度du下xia,包bao括kuo環huan境jing溫wen度du和he正zheng常chang工gong作zuo溫wen度du。因yin此ci,確que定ding讓rang兩liang個ge保bao險xian絲si都dou暴bao露lu在zai相xiang同tong的de氣qi流liu中zhong,引yin線xian或huo保bao險xian絲si管guan夾jia上shang都dou有you相xiang似si的de熱re傳chuan導dao機ji製zhi。
4)zuidaduanludianliudengyudangebaoxiansidezhi,erbushilianggebaoxiansizuidaduanludianliuzhihe。tongyang,zuidaduanludianyayedengyudangebaoxiansidezhi,erbushilianggebaoxiansiduanludianyazhihe。
zunshouleyishangdeshejizhinanyihou,liujinglianggebinglianbaoxiansidedianliujibenxiangdeng,tamenkeyizaidiyuzijiguoliujixiantiaojianxialianghaodigongzuo。ciwai,dangchuxianguozaishijianshi,lianggebaoxiansichabuduozaixiangtongshijiankailu,weidianlubandeyuanqijiantigongbaohu。
保險絲應用設計的常見問題
保(bao)險(xian)絲(si)的(de)額(e)定(ding)電(dian)壓(ya)有(you)什(shen)麼(me)意(yi)義(yi)?如(ru)何(he)選(xuan)擇(ze)保(bao)險(xian)絲(si)的(de)熔(rong)斷(duan)特(te)性(xing)和(he)額(e)定(ding)電(dian)流(liu)?慢(man)熔(rong)斷(duan)保(bao)險(xian)絲(si)與(yu)快(kuai)熔(rong)斷(duan)有(you)什(shen)麼(me)不(bu)同(tong)的(de)性(xing)能(neng)和(he)應(ying)用(yong)?一(yi)次(ci)性(xing)保(bao)險(xian)絲(si)和(he)可(ke)恢(hui)複(fu)保(bao)險(xian)絲(si)的(de)異(yi)同(tong)?相(xiang)同(tong)額(e)定(ding)電(dian)流(liu)的(de)不(bu)同(tong)品(pin)牌(pai)保(bao)險(xian)絲(si)一(yi)定(ding)能(neng)夠(gou)直(zhi)接(jie)替(ti)換(huan)嗎(ma)?為(wei)什(shen)麼(me)保(bao)險(xian)絲(si)常(chang)在(zai)開(kai)機(ji)時(shi)或(huo)剛(gang)接(jie)通(tong)電(dian)源(yuan)時(shi)斷(duan)開(kai)?怎(zen)樣(yang)才(cai)使(shi)保(bao)險(xian)絲(si)能(neng)承(cheng)受(shou)多(duo)次(ci)瞬(shun)間(jian)脈(mai)衝(chong)的(de)衝(chong)擊(ji)?這(zhe)些(xie)都(dou)是(shi)工(gong)程(cheng)師(shi)在(zai)保(bao)險(xian)絲(si)的(de)選(xuan)型(xing)和(he)應(ying)用(yong)過(guo)程(cheng)中(zhong)經(jing)常(chang)會(hui)遇(yu)到(dao)的(de)問(wen)題(ti),現(xian)在(zai),通(tong)過(guo)專(zhuan)家(jia)的(de)專(zhuan)業(ye)答(da)疑(yi)和(he)網(wang)友(you)的(de)熱(re)烈(lie)討(tao)論(lun),為(wei)你(ni)一(yi)一(yi)解(jie)答(da)保(bao)險(xian)絲(si)的(de)應(ying)用(yong)難(nan)題(ti)。
專家解惑:熔斷器應用設計常見問題TOP 10
http://m.0-fzl.cn/bbs/viewthread.php?tid=2119
問答精粹:如何正確使用保險絲?
http://m.0-fzl.cn/art/artinfo/id/80005314
熱門討論:自複式保險絲和一次性保險絲的應用場合有什麼異同?
http://m.0-fzl.cn/bbs/viewthread.php?tid=1224
- 噪聲中提取真值!瑞盟科技推出MSA2240電流檢測芯片賦能多元高端測量場景
- 10MHz高頻運行!氮矽科技發布集成驅動GaN芯片,助力電源能效再攀新高
- 失真度僅0.002%!力芯微推出超低內阻、超低失真4PST模擬開關
- 一“芯”雙電!聖邦微電子發布雙輸出電源芯片,簡化AFE與音頻設計
- 一機適配萬端:金升陽推出1200W可編程電源,賦能高端裝備製造
- 一秒檢測,成本降至萬分之一,光引科技把幾十萬的台式光譜儀“搬”到了手腕上
- AI服務器電源機櫃Power Rack HVDC MW級測試方案
- 突破工藝邊界,奎芯科技LPDDR5X IP矽驗證通過,速率達9600Mbps
- 通過直接、準確、自動測量超低範圍的氯殘留來推動反滲透膜保護
- 從技術研發到規模量產:恩智浦第三代成像雷達平台,賦能下一代自動駕駛!
- 車規與基於V2X的車輛協同主動避撞技術展望
- 數字隔離助力新能源汽車安全隔離的新挑戰
- 汽車模塊拋負載的解決方案
- 車用連接器的安全創新應用
- Melexis Actuators Business Unit
- Position / Current Sensors - Triaxis Hall




