新一代低VCEsat雙極晶體管
發布時間:2010-04-16 來源:NXP
中心議題:
- 新型雙極性晶體管具備低VCEsat
- 雙極性晶體管在溫度穩定性、ESD強度和反向阻斷方麵具備優勢
近年來,中功率雙極晶體管在飽和電阻和功率範圍上的重大突破,極大地拓寬了此類器件的應用領域。恩智浦最新推出的SMD封裝中功率晶體管(BISS 4)再次顯現出雙極晶體管的技術優勢,在為開關應用帶來了開關損耗更小,效率更高的同時,也贏得了更多的市場空間。
簡介
近年來雙極晶體管複蘇勢頭強勁。一直由MOSFETqijiankongzhidedagonglvkaiguanlingyuyechuxianlebianhua,zaixiaofeidianzihetongxinbianxieshishebeizhong,yuelaiyueduodechongdiandianluhefuzaikaiguankaishicaiyongshuangjijingtiguan。qizhongdezhuyaoyuanyinshi:通tong過guo提ti高gao半ban導dao體ti芯xin片pian中zhong的de電dian流liu均jun衡heng分fen配pei,雙shuang極ji晶jing體ti管guan在zai降jiang低di飽bao和he電dian阻zu方fang麵mian取qu得de了le巨ju大da成cheng功gong,新xin器qi件jian可ke以yi獲huo得de更geng為wei穩wen定ding的de大da電dian流liu增zeng益yi。雙shuang極ji晶jing體ti管guan電dian流liu驅qu動dong的de先xian天tian不bu足zu被bei顯xian著zhu彌mi補bu,而er在zai溫wen度du穩wen定ding性xing、ESD強度和反向阻斷方麵的優勢再次得到肯定。
通過推出BISS(突破性小信號)晶體管係列,恩智浦半導體取得了市場領導地位。第四代BISS晶體管(BISS 4,表1)的全新架構是SMD中功率雙極晶體管技術發展的裏程碑,有力拓寬了雙極晶體管的應用領域。
Single transistors Type Package Polarity VCEO IC ICM RCEsat typ (mΩ) @ IC; PBSS4021NT SOT23 NPN 20 4.3 8 36 PBSS4021NX SOT89 7 15 19 PBSS4021NZ SOT223 8 20 14 PBSS SOT23 PNP 3.5 8 55 PBSS4021PX SOT89 6.2 15 23 PBSS4021PZ SOT223 6.6 20 22 PBSS4041NT SOT23 NPN 60 3.8 8 46 PBSS4041NX SOT89 6.2 15 25 PBSS4041NZ SOT223 7 15 17.5 PBSS SOT23 PNP 2.7 8 80 PBSS4041PX SOT89 5 15 40 PBSS4041PZ SOT223 5.7 15 29 Double transistors(負載開關應用優化) Type Package Polarity VCEO IC ICM RCEsat typ (mΩ) @ IC; PBSS4021SN SOT96 (SO8) NPN/NPN 20 7.5 15 25 PBSS4021SPN NPN/PNP 7.5/6.3 15 25/36 PBSS4021SP PNP/PNP 6.3 15 36 PBSS4041SN NPN/NPN 60 6.7 15 32 PBSS4041SPN NPN/PNP 6.7/5.9 15/10 32/47 PBSS4041SP PNP/PNP 5.9 10 47
相關型號縱覽:應用於負載開關的超低VCEsat、優化產品
[page]
(V)
(A)
(A)
IC/IB = 10
(SC-62)
(SC-73)
(SC-62)
(SC-73)
(SC-62)
(SC-73)
(SC-62)
(SC-73)
(V)
(A)
(A)
IC/IB = 10
相關型號縱覽:應用於高速切換的低VCEsat、優化產品 Single transistors Type Package Polarity VCEO IC ICM RCEsat typ (mΩ) @ IC; PBSS4032NT SOT23 NPN 30 2.6 5 76 PBSS4032ND SOT457 3.5 6 50 PBSS4032NX SOT89 4.7 10 45 PBSS4032NZ SOT223 4.9 10 45 PBSS SOT23 PNP 2.4 5 110 PBSS4032PD SOT457 2.7 5 88 PBSS4032PX SOT89 4.2 10 58 PBSS4032PZ SOT223 4.4 10 58 Double transistors Type Package Polarity VCEO IC ICM RCEsat typ (mΩ) @ IC; PBSS4032SN SOT96 (SO8) NPN/NPN 30 5.7 10 45 PBSS4032SP PNP/PNP 4.8 10 65 PBSS4032SPN NPN/PNP 5.7/4.8 10 45/65
(V)
(A)
(A)
IC/IB = 10
(SC-74)
(SC-62)
(SC-73)
(SC-74)
(SC-62)
(SC-73)
(V)
(A)
(A)
IC/IB = 10
兩種產品類型——係列產品的架構和技術規格
由於雙極晶體管電阻受多重因素影響,開發新型中功率雙極晶體管需要認真評估完整的晶體管架構(選材、芯片設計、芯片金屬化、芯片/封裝連接和封裝架構)。第四代BISS雙極晶體管係列共分兩類。
第一類是超低VCEsat雙極晶體管——旨在最大程度降低飽和電阻RCEsat。這也是此類產品架構設計時遵循的唯一理念(芯片設計、半導體襯底電阻、芯片金屬化、芯片/封裝連接),其目的就是在SMD封裝結構中獲得14 mΩ的低飽和電阻。
第二類是高速開關類雙極晶體管,除降低飽和電阻RCEsat外,此類器件還需要在快速開關和存儲時間ts(大約140 ns)方麵進行改進,以滿足高頻應用需求。此類器件需要在規定的電阻和開關時間之間獲取平衡,滿足相關設計特性的要求。
這兩類晶體管都非常重視產品封裝,標準SMD封裝形式包括:SOT23、SOT457/SC-74、SOT223、SOT89和SOT96/SO-8。這一理念不僅能夠滿足客戶多樣化的標準應用需求,同時也為量產提供了保證。
恩智浦此次針對通信和汽車電子領域推出了20 - 60 V產品,今後還有望開發出20 - 100 V的雙極晶體管。
產品設計
這兩類晶體管產品(符合汽車應用的AECQ-101標準)采(cai)用(yong)不(bu)同(tong)的(de)架(jia)構(gou)和(he)設(she)計(ji)方(fang)法(fa)以(yi)滿(man)足(zu)不(bu)同(tong)的(de)設(she)計(ji)考(kao)量(liang)和(he)技(ji)術(shu)規(gui)範(fan)要(yao)求(qiu)。我(wo)們(men)需(xu)要(yao)了(le)解(jie)的(de)是(shi)產(chan)品(pin)中(zhong)哪(na)些(xie)元(yuan)件(jian)會(hui)對(dui)電(dian)阻(zu)和(he)飽(bao)和(he)電(dian)壓(ya)造(zao)成(cheng)影(ying)響(xiang),影(ying)響(xiang)的(de)程(cheng)度(du)有(you)多(duo)大(da),以(yi)及(ji)哪(na)些(xie)措(cuo)施(shi)會(hui)影(ying)響(xiang)開(kai)關(guan)時(shi)間(jian)特(te)性(xing)。
yingxiangbaohedianyadezhuyaoyinsushidianzudianyajiangyijifuhehezhuruyuanjian。youyufuhehezhurudianyazonghexiangduiqingwei,yincizhongdianxuyaozhuyidianzuyuanjian,zhuyaobaokuobandaotichendidianzu、芯片設計以及封裝和互連技術的電阻。
降低飽和電壓:低電阻半導體襯底、芯片金屬化結構和芯片設計
通過選擇不同的低電阻襯底,比如:圖1所示的摻磷/chanshenchendi,keyiyouxiaojiangdibandaotizhongdedianyajiangbili。lingyigezhongyaodeyingxiangyinsushidianliufenpei,yingzaizhenggexinpianfanweineijinkenengbaochijunheng,jiangxinpianqianduanjinshuhuakuozhandianzujiangzhizuidi。duiyuBISS晶體管,芯片中的均衡電流分配通過一種稱為網格技術的手段來實現——將晶體管分成不同的格柵結構。第四代BISS晶體管采用受專利保護的雙層金屬化布局,能夠最大程度提升發射極線路金屬厚度,降低飽和電阻(參見圖2)。

圖1

圖2
[page]
縮短開關時間:集成鉗位元件,降低擴散電容
要在降低飽和電壓的基礎上縮短開關時間,關鍵是最大程度降低開關操作中晶體管的擴展電容。這主要通過集成寄生的鉗位結構(圖3)來實現,該設計可以避免過驅動處於飽和狀態的晶體管,能夠有效降低晶體管的存儲時間ts。

圖3
典型應用
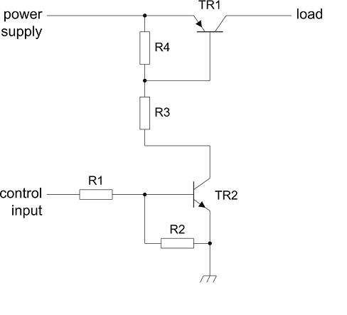
低VCEsat晶體管兼具雙極晶體管的優勢和低RCEsat值,主要滿足常規開關應用(與典型的RDSon MOSFET器件有所不同),包括驅動電壓較小的電池驅動設備用負載開關(圖4)。由於實際應用中反向電流阻斷和高能效具有決定性意義,因此雙極晶體管比MOSFET更有優勢。低VCEsat晶體管常常作為充電晶體管使用,比如:手機的電源管理單元。

圖4
另外,筆記本電腦中使用低VCEsat晶體管,可以降低風扇或接口電源負載開關的損失,延長電池使用時間。
除了具有低VCEsat特點外,針對開關時間優化的雙極晶體管完全滿足高頻開關應用(50 - 200 kHz)要求,典型應用包括PWM和開關式電源。其中,使用冷陰極熒光燈(CCFL)的背光顯示器就屬於開關式電源應用。不同的電源規格需要有相應的功率等級與之匹配,恩智浦各種類型的SMD封裝器件為用戶提供了最好的選擇。
市場前景
低VCEsat晶(jing)體(ti)管(guan)的(de)問(wen)世(shi)為(wei)雙(shuang)極(ji)晶(jing)體(ti)管(guan)開(kai)拓(tuo)了(le)應(ying)用(yong)更(geng)加(jia)廣(guang)泛(fan)的(de)市(shi)場(chang)空(kong)間(jian),特(te)別(bie)是(shi)為(wei)便(bian)攜(xie)式(shi)設(she)備(bei)的(de)負(fu)載(zai)開(kai)關(guan)應(ying)用(yong)帶(dai)來(lai)了(le)高(gao)效(xiao)解(jie)決(jue)方(fang)案(an)。為(wei)滿(man)足(zu)該(gai)行(xing)業(ye)中(zhong)高(gao)端(duan)設(she)備(bei)需(xu)求(qiu),未(wei)來(lai)有(you)望(wang)推(tui)出(chu)無(wu)引(yin)線(xian)封(feng)裝(zhuang)產(chan)品(pin),進(jin)一(yi)步(bu)降(jiang)低(di)器(qi)件(jian)高(gao)度(du),縮(suo)小(xiao)板(ban)載(zai)空(kong)間(jian)占(zhan)用(yong)。低(di)VCEsat雙極晶體管的未來發展非常值得期待。
- 噪聲中提取真值!瑞盟科技推出MSA2240電流檢測芯片賦能多元高端測量場景
- 10MHz高頻運行!氮矽科技發布集成驅動GaN芯片,助力電源能效再攀新高
- 失真度僅0.002%!力芯微推出超低內阻、超低失真4PST模擬開關
- 一“芯”雙電!聖邦微電子發布雙輸出電源芯片,簡化AFE與音頻設計
- 一機適配萬端:金升陽推出1200W可編程電源,賦能高端裝備製造
- 一秒檢測,成本降至萬分之一,光引科技把幾十萬的台式光譜儀“搬”到了手腕上
- AI服務器電源機櫃Power Rack HVDC MW級測試方案
- 突破工藝邊界,奎芯科技LPDDR5X IP矽驗證通過,速率達9600Mbps
- 通過直接、準確、自動測量超低範圍的氯殘留來推動反滲透膜保護
- 從技術研發到規模量產:恩智浦第三代成像雷達平台,賦能下一代自動駕駛!
- 車規與基於V2X的車輛協同主動避撞技術展望
- 數字隔離助力新能源汽車安全隔離的新挑戰
- 汽車模塊拋負載的解決方案
- 車用連接器的安全創新應用
- Melexis Actuators Business Unit
- Position / Current Sensors - Triaxis Hall



